
DECRETO N.8.058, DE 28 DE DEZEMBRO DE 1936
Dispõe que se observe, na execução do orçamento do Estado para 1937, a discriminação da despesa constante das tabellas explicativas annexas.
ARMANDO
DE SALLES OLIVEIRA,
Governador do Estado de São Paulo, usando das
attribuições que lhe
foram conferidas pelo art. 9.º da lei n. 2.762, de 17 de Dezembro
de
1936,
Decreta:
Art. 1.º - Na execução do orçamento
do Estado para o exercicio
de 1937, será observada a discriminação da despesa
constante das
tabellas explicativas annexas a este decreto, as quaes vão
subscriptas
pelo Secretario de Estado dos Negocios da Fazenda.
Art. 2.º - Revogam-se as disposições em
contrario.
Palacio do Governo do Estado de São Paulo, aos 28 de Dezembro de
1936.
ARMANDO DE SALLES OLIVEIRA
Clovis Ribeiro
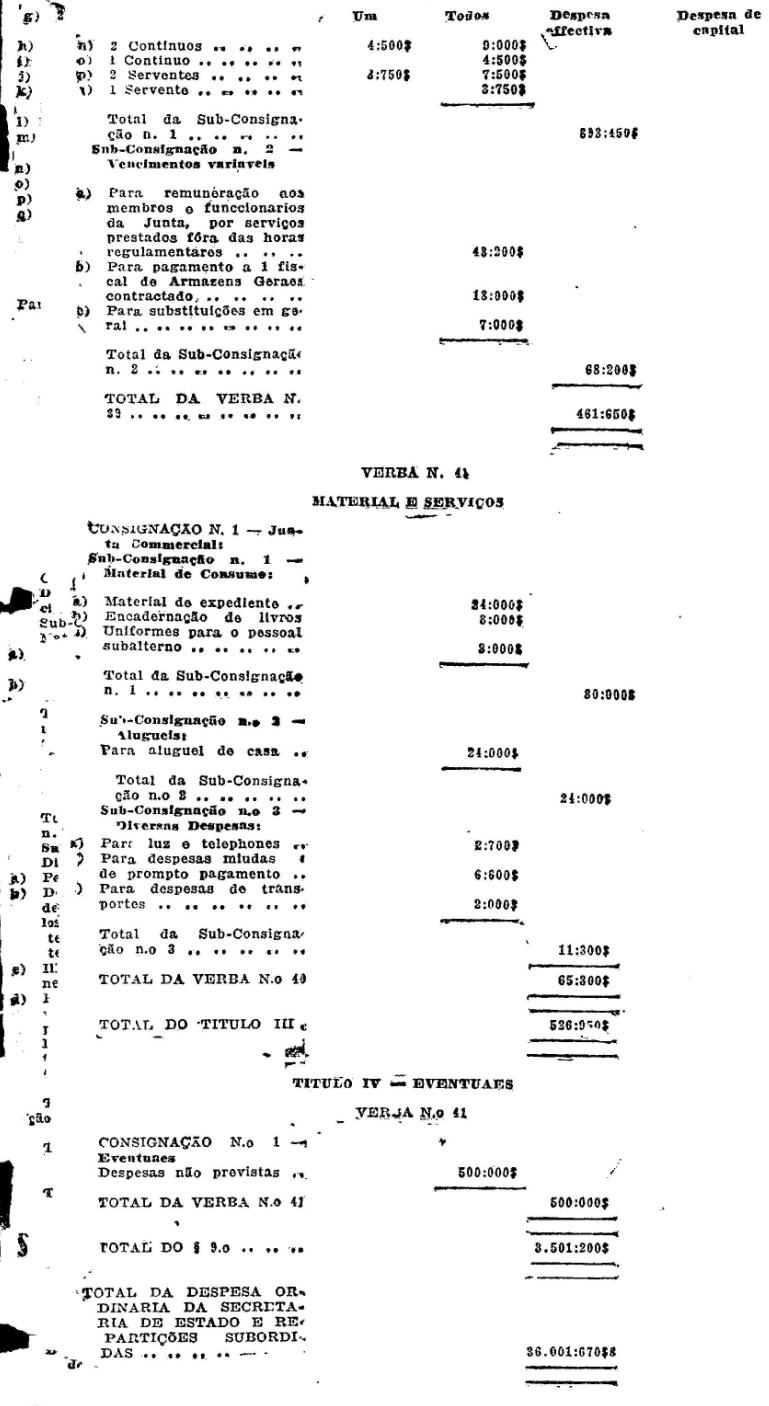
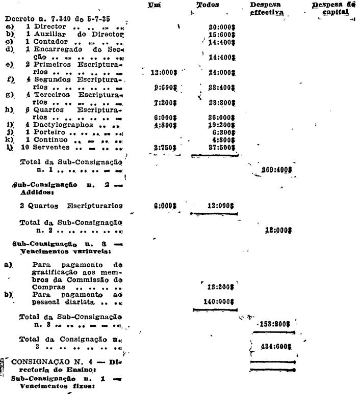
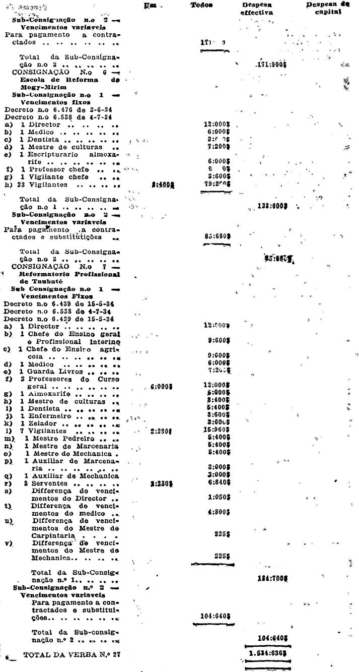
TABELLAS EXPLICATIVAS DA DESPESA DO ESTADO DE SÃO PAULO, PARA 1937, ANNEXAS AO DECRETO N. 8.058 DE 28 DE DEZEMBRO DE 1936
PARTE 1.ª - DESPESA GERAL
GABINETE DO GOVERNADOR
DESPESA ORDINARIA