DECRETO N. 52.667, DE 26 DE FEVEREIRO DE 1971

Aprova Convênio celebrado em 15 de dezembro de 1970, na cidade do Rio de Janeiro, e altera a legislação do I.C.M.


ROBERTO COSTA DE ABREU SODRÉ, GOVERNADOR DO ESTADO DE SÃO PAULO, no uso de suas atribuições legais,

Decreta:
Artigo 1.º - Fica aprovado o Convênio celebrado em 15 de dezembro de 1970, na cidade do Rio de Janeiro, criando o Sistema Nacional Integrado de Informações Econômico-Fiscais, cujo texto e publicado em anexo.
Artigo 2.º - Os títulos IV e V do Regulamento do Imposto de Circulação de Mercadorias, compreeridendo os artigos 52 a 104, passam a vigorar com a seguinte redação:

"TÍTULO IV

Da Escrita Fiscal
CAPÍTULO I
Dos Livros Fiscais

SEÇÃO I

Dos Livros em Geral
Artigo 52 - Os contribuintes e as pessoas obrigadas a inscrição deverão manter, em cada um dos estabelecimentos, os seguintes livros fiscais, de conformidade com as operações que realizarem:
I - Registro de Entradas, modêlo 1;
II - Registro de Entradas, modêlo 1-A;
III - Registro de Saídas, modêlo 2;
IV - Registro de Saídas, modêlo 2-A;
V - Registro de Contrôle da Produção e do Estoque, modêlo 3;
VI - Registro do Selo Especial de Contrôle, modêlo 4;
VII - Registro de Impressão de Documentos Fiscais, modêlo 5;
VIII - Registro de Utilização de Documentos Fiscais e Têrmos de Ocorrências, modêlo 6;
IX - Registro de Inventário. modêlo 7;
X - Registro de Apuração do IPI, modêlo 8;
XI - Registro de Apuração do ICM, modêlo 9.

§ 1.º - Os livros fiscais obedecerão aos modêlos anexos.

§ 2.º - Os livros Registro de Entradas, modêlo 1, e Registro de Saídas, modêlo 2, serão utilizados pelos contribuintes sujeitos, simultâneamente, às legislações dos impostos sôbre produtos industrializados e de circulação de mercadorias.

§ 3.º - Os livros Registro de Entradas, modêlo 1-A, e Registro de Saídas, modêlo 2-A, serão utilizados pelos contribuintes sujeitos apenas á legislação do impôsto de circulação de mercadorias.

§ 4.º - O livro Registro de Contrôle da Produção e do Estoque será utilizado pelos estabelecimentos industriais ou a êles equiparados pela legislação federal e pelos atacadistas, podendo, a critério do Fisco, ser exigido de estabelecimentos de contribuintes de outros setôres, com as adaptações necessárias.

§ 5.º - O livro Registro do Sêlo Especial de Contrôle será utilizado nas hipóteses previstas na legislação do impôsto sôbre produtos industrializados.

§ 6.º - O livro Registro de Impressão de Documentos Fiscais será utilizado pelos estabelecimentos que confeccionarem documentos fiscais para terceiros ou para uso próprio.

§ 7.º - O livro Registro de Utilização de Documentos Fiscais e Têrmos de Ocorrências será utilizado por todos os estabelecimentos obrigados á emissão de documentos fiscais.

§ 8.º - O livro Registro de Inventário será utilizado por todos os estabelecimentos que mantenham mercadorias em estoque.

§ 9.º - O livro Registro de Apuração do IPI será utilizado pelos estabelecimentos industriais, ou a êles equiparados,contribuintes do impõsto sôbre produtos industrializados.

§ 10. - O livro Registro de Apuração do ICM será utilizado por todos os estabelecimentos inscritos como contribuintes do impôsto de circulação de mercadorias.

§ 11.- Relativamente aos livros fiscais de que trata este artigo, o contribuinte poderá acrescentar outras indicações de seu interêsse desde que não prejudiquem a clareza dos modêlos oficiais.

§ 12. - O disposto neste artigo não se aplica aos produtores agropecuários.

SEÇÃO II

Do Registro de Entradas
Artigo 53 - O livro Registro de Entradas, modelos 1 ou 1-A, destinase à escrituração do movimento de entradas de mercadorias, a qualquer título no estabelecimento.

§ 1.º - Serão também escriturados os documentos fiscais relativos as aquisições de mercadorias que não transitarem pelo estabelecimento adquirente.

§ 2.º - Os lançamentos serão feitos operação a operação, em ordem cronológica das entradas efetivas no estabelecimento ou à data da aquisição ou do desembaraço aduaneiro na hipótese do parágrafo anterior.

§ 3.º - Os lançamentos serão feitos, documento por documento, desdobrados em tantas linhas quantas forem as naturezas das operações, segundo o Código Fiscal de Operações anexo, nas colunas próprias, da seguinte forma:
1. - coluna «Data da Entrada»: data da entrada efetiva da mercadoria no estabelecimento ou data da sua aquisição ou do desembaraço aduaneiro na hipótese do §1.°;
2. - colunas sob o título «Documento Fiscal»: espécie série e subsérie, número e data do documento fiscal correspondente à operação, bem como o nome do emitente e seus números de inscrição, estadual e no CGC.
3. - coluna «Procedência»: abreviatura de outra unidade da Federação, se fôr o caso, onde se localiza o estabelecimento emitente;
4. - coluna «Valor Contábil»: valor total constante do documento fiscal;
5. - colunas sob o título «Codificação»:
a) coluna «Código Contábil»: o mesmo que o contribuinte eventualmente utilizar no seu plano de contas contábil;
b) coluna «Código Fiscal»: o previsto no § 3.°;
6. - colunas sob os títulos - «ICM - Valôres Fiscais» e «Operações com Crédito de Impôsto»:
a) coluna «Base de Cálculo»: valor sôbre o qual incide o impôsto de circulação de mercadorias;
b) coluna «Alíquota»: alíquota do impôsto de circulação de mercadorias que foi aplicada sôbre a base de cálculo indicada na alínea anterior;
c) coluna «Impôsto Creditado»: montante do impôsto creditado;
7. - colunas sob os títulos «ICM - Valôres Fiscais» e «Operações sem Crédito do Impôsto»:
a) coluna «Isenta ou não Tributada»: valor da operação, deduzida a parcela do impôsto sôbre produtos industrializados se consignada no documento fiscal, quando se tratar de entrada de mercadorias cuja saída do estabelecimento remetente tenha sido beneficiada com isenção do impôsto de circulação de mercadorias ou esteja amparada por imunidade ou não incidência, bem como o valor da parceia correspondente à redução da base de cálculo, quando fôr o caso;
b) coluna «Outras»: valor da operação, deduzida a parceia do impôsto sôbre produtos industrializados se consignada no documento fiscal, quando se tratar de entrada de mercadorias que não confira ao estabelecimento destinatário crédito do impôsto de circulação de mercadorias, ou quando se tratar de entrada de mercadorias cuja saida do estabelecimento remetente tenha sido beneficiada com diferimento ou suspensão do recolhimento do impôsto de circulação de mercadorias;
8. - colunas sob os títulos «IPI - Valôres Fiscais» e «Operações com Crédito do Impôsto*:
a) coluna «Base de Cálculo»: valor sôbre o qual incide o impôsto sôbre produtos industrializados;
b) coluna «Impôsto Creditado»: montante do impôsto creditado;
9. - colunas sob os títulos «IPI - Valôres Fiscais» e «Operações sem Crédito do Impôsto»:
a) coluna «Isenta ou não Tributada»: valor da operação, quando se tratar de entrada de mercadorias cuja saída do estabelecimento remetente tenha sido beneficiada com isenção do impôsto sôbre produtos industrializados ou esteja amparada por imunidade ou não incidência, bem como valor da parcela rorrespondente
à redução da base de cálculo, quando fôr o caso;
b) coluna «Outras»: valor da operação, deduzida a parcela do impôsto sôbre produtos industrializados, se consignada no documento fiscal, quando se tratar de entrada de mercadorias que não confira ao estabelecimento destinatário crédito do impôsto sôbre produtos industrializados, ou quando se tratar de entrada de mercadorias cuja saída do estabelecimento remetente tenha sido beneficiada com suspensão do recolhimento do impôsto sôbre produtos industrializados;
10. - coluna «Observações»: anotações diversas.

§ 4.º - A escrituração do livro deverá ser encerrada no ultimo dia de cada mês.

SEÇÃO III

Do Registro de Saídas
Artigo 54 - O livro Registro de Saídas, modêlos 2 ou 2-A, destina-se à escrituração do movimento de saídas de mercadorias, a qualquer título do estabelecimento.

§ 1.º - Serão tambem escriturados os documentos fiscais relativos as transmissões de propriedade das mercadorias que não tenham transitado pelo estabelecimento.

§ 2.º - Os lançamentos serão feitos em ordem cronológica, segundo a data de emissão dos documentos fiscais, pelos totais diários das operações da mesma natureza, de acôrdo com o Código Fiscal previsto no § 3.° do artigo anterior, sendo permitido o registro conjunto dos documentos, de numeração seguida, emitidos em talões da mesma série e subsérie.

§ 3.º - Os lançamentos serão feitos, nas colunas próprias, da seguinte forma:
1. - colunas sob o título "Documento Fiscal": espécies, série e subsérie, números inicial e final e data do documento fiscal emitido;
2. - coluna "Valor Contábil": valor total constante dos documentos fiscais;
3. - colunas sob o título "Codficação":
a) coluna "Código Contábil": o mesmo que o contribuinte eventualmente utilizar no seu plano de contas contábil;
b) coluna "Código Fiscal": o mencionado no parágrafo anterior;
4. - colunas sob os títulos "ICM - Valôres Fiscais" e "Operações com Débito do Impôsto":
a) coluna "Base de Cálculo": valor sôbre o qual incide o impôsto de circulação de mercadorias;
b) coluna "Alíquota": alíquota do impôsto de circulação de mercadorias que foi aplicada sôbre a base de cálculo indicada na alínea anterior;
c) coluna "Impôsto Debitado": montante do impôsto debitado;
5. - colunas sob os títulos "ICM - Valôres Fiscais" e "Operações sem Débito do Impôsto":
a) coluna «Isenta ou não Tributada»: valor da operação, deduzida a parcela do impôsto sôbre produtos industrializados, se consignada no documento fiscal, quando se tratar de mercadorias cuja saída do estabelecimento tenha sido beneficiada com isenção do imposto de circulação de mercadorias ou esteja amparada por imunidade ou não incidência, bem como valor da parceia correspondente a redução da base de cálculo, quando fôr o caso;
b) coluna "Outras": valor da operação, deduzida a parcela do impôsto sôbre produtos industrializados, se consignada no documento fiscal, quando se tratar de mercadorias cuja saída do estabelecimento tenha sido beneficiada com diferimento ou suspensão do recolhimento do impôsto de circulação de mercadorias;
6. - colunas sob os títulos "IPI - Valores Fiscais" e "Operações com Débito do Impôsto":
a) coluna "Base de Cálculo": valor sôbre o qual incide o impôsto sôbre produtos industrializados;
b) coluna "Impôsto Debitado": montante do impôsto debitado;
7. - colunas sob os títulos "IPI - Valôres Fiscais" e "Operações sem Débito do Impôsto":
a) coluna "Isenta ou não Tributada": valor da operação, quando se tratar de mercadorias cuja saída do estabelecimento tenha sido beneficiada com isenção do impôsto sôbre produtos industrializados ou esteja amparada por imunidade ou não incidência, bem como valor da parcela correspondente á redução da base de cálculo, quando fôr o caso;
b) coluna "Outras": valor da operação, deduzida a parcela do impôsto to sôbre produtos industrializados se consignada no documento fiscal, quando se tratar de mercadorias cuja saida do estabelecimento tenha sido beneficiada com suspensão do recolhimento do impdsto sôbre produtos industrializados;
8. - coluna "Observações": anotações diversas.

§ 4.º - A escrituração do livro deverá ser encerrada no último dia de cada mês.

SEÇÃO IV

Do Registro de Contrôle da Produção e do Estoque ......................
Artigo 55 - O livro Registro de Contrôle da Produção e do Estoque, modêlo 3, destina-se à escrituração dos documentos fiscais e dos documentos de uso interno do estabelecimento, correspondentes as entradas e às saídas, à produção, bem como as quantidades referentes aos estoques de mercadorias.

§ 1.º - Os lançamentos serão feitos operação a operação, devendo ser utilizada uma fôlha para cada espécie, marca, tipo e modêlo de mercadorias.

§ 2.º - Os lançamentos serão feitos nos quadros e nas colunas próprios, da seguinte forma:

1. - quadro "Produto": identificação da mercadoria, como definida no parágrafo anterior;
2. - quadro "Unidade": especificação da da unidade (quilogramas, metros, litros, dúzias, etc.), de acôrdo com a legislação do impôsto sôbre produtos industrializados;
3 - quadro "Classificação Fiscal": indicação da posição, inciso e subinciso e alíquota previstos pela legislação do impôsto sôbre produtos industrializados;
4. - colunas sob o título "Documento": espécie, série e subsérie do respectivo documento fiscal e/ou documento de uso interno do estabelecimento, correspondente a cada operação;
5 - colunas sob o título «Lançamento»: número e fôlha do livro Registro de Entrada ou do Registro de Saídas em que o documento fiscal tenha sido lançado, bem como a respectiva codificação contábil e fiscal, quando fôr o caso;
6 - colunas sob o título «Entradas»:
a) coluna « Produção - no Próprio Estabelecimento»: quantidade do produto industrializado no próprio estabelecimento;
b) coluna «Produção - em outro Estabelecimento»: quantidade do produto industrializado em outro estabelecimento da mesma emprêsa ou de terceiros, com mercadorias anteriormente remetidas para êsse fim;
c) coluna «Diversas»: quantidade de mercadorias não classificadas nas alíneas anteriores, inclusive as recebidas de outros estabelecimentos da mesma emprêsa ou de terceiros para a industrialização e posterior retôrno, consignando-se o fato, nesta última hipótese, na coluna «Observações»;
d) coluna «Valor»: base de cálculo do impôsto sôbre produtos industrializados, quando a entrada das mercadorias originar crédito dêsse tributo. Se a entrada não gerar crédito ou quando se tratar de insenção, imunidade ou não incidência do mencionado tributo, será registrado o valor total atribuído às mercadorias;
e) coluna «IPI»: valor dop impôsto creditado, quando de direito;
7 - colunas sob o título «Saidas».
a) coluna «Produção - no Próprio Estabelecimento: em se tratando de matéria-Prima,produto intermediário e material de embalagem a quantidade remetida do almoxarifado para o setor de fabricação para industrialização no próprio estabelecimento; em se tratando de produto acabado a quantidade saída, a qualquer título de produto industrializado no próprio estebelecimento, a qualquer título, de produto industrializado no própio estabelecimento.
b) columa Produção em outro Estabelecimento*: em se tratando de matéria-prima produto intermediário e material de embalagem, a quantidade saída oara industrialização em outro estabelecimento da mesma empresa ou de terceiros atuando o produto industrializado deva retornar ao estabelecimento remetente; em tratando de produto acabado, a quantidade saída, a qualquer título de produto industrializado em estabelecimentos de terceiros:
c) coluna Diversão: quantidade de mercadorias saídas, a qualquer e título, não compreendidas nas alíneas anteriores;
d) coluna «Valor»: base de cálculo do impôsto sôbre produtos. industrializados. Se a saída estiver amparada por isenção, imunidade ou não incidência, será registrado o valor total atribuído as mercadorias;
e) coluna «IPI»: valor do impôsto, quando devido;
8 - coluna «Estoque*: quantidade em estoque, após cada lançamento de entrada ou de saida;
9 - coluna «Observações»: anotações diversas. ....

§ 3.º - Quando se tratar de industrialização no próprio estabelecimento, será dispensada a indicação dos valores relativamente às operações indicadas na alínea «a» do item 6 e na primeira parte da alínea «a» do item 7, do parágrafo anterior.

§ 4.º - Não serão escrituradas neste livro as entradas de mercadorias, a serem integradas no ativo fixo ou destinadas a uso do estabelecimento.

§ 5.º - O disposto no item 3 do § 2.º não se aplica aos estabelelicimentos cimentos comerciais não equiparados aos industriais.

§ 6.º - O livro referido neste artigo poderá, a critério do Fisco, ser substituído por fichas, as quais deverão ser:

1- Impressas com Os mesmos elementos do livro substituido;
2 - numeradas tipográficamente, observando-se, quanto à numeração, o disposto no artigo 101;
3 - prévia e individualmente autenticadas pelo Fisco.

§ 7.º - Na hipótese do parágrafo anterior, deverá ainda ser previamente visada pelo Fisco a ficha indice que obedecerá ao modelo anexo, em que, observada a ordem numérica crescente, será registrada a utilização de cada ficha.

§ 8.º - A escrituração do livro mencionado neste artigo ou das fichas referidas nos '§§ 6.º e 7.º não poderá atrasar-se por mais de 15 (quinze) dias.

§ 9.º - No último dia de cada mês deverão ser somadas as quantidades e valores constantes das colunas «Entradas» e «Saídas», acusando o saldo das quantidades em estoque, que será transportado para o mês seguinte.

SEÇÃO V

Do Registro do Selo Especial de Contrôle
Artigo 56 - O livro Registro do Sêlo Especial de Contrôle, modêlo 4, destina-se a escrituração dos dados relativos ao recebimento e a utilização do sêlo especial de contrôle, previsto pela legislação do impôsto sôbre produtos industrializados.

§ 1.º - Os lançamentos serão feitos operação a operação, em ordem cronológica quanto às entradas e saídas do sêlo especial de contrôle, devendo ser utilizada uma fôlha para cada espécie de sêlo.

§ 2.º - Os lançamentos serão feitos, nas colunas próprias, da seguinte forma:

1 - coluna «Data»: dia, mês e ano do lançamento respectivo;
2 - colunas sob o título «Entradas»:
a) coluna «Guia Número»: número da guia de requisiçãp de selos;
b) coluna «Quantidade»: quantidade de selos requisitados pela respectiva guia;
c) coluna «Numeração dos Selos»: numeração, se houver, dos selos recebidos da repartição fiscal;
3. - colunas sob o título «Saídas»:
a) coluna «Nota Fiscal»: número e série e subsérie da Nota Fiscal emitida, referente à saída das mercadorias do estabelecimento;
b) coluna «Quantidade Utilizada»: quantidade de selos utilizada nas mercadorias saídas do estabelcimento;
c) coluna «Quantidade - Recolhida à Repartição»: quantidade de selos recolhida à repartição, por qualquer motivo;
d) coluna «Numeração dos Selos»: numeração, se houver, dos selos utilizados ou recolhidos à repartição;
4. - colunas sob o título «Saldo Existente»:
a) coluna «Quantidade»: quantidade de selos existente após cada lançamento feito nas colunas sob o título «Entradas» ou nas colunas sob o título «Saídas»;
b) coluna «Numeração dos Selos»: numeração, se houver, dos selos correspondentes ao saldo existente
5. - coluna «Observações»: anotações diversas.

§ 3.º - A escrituração do livro deverá ser encerrada no ultimo dia de cada mês.

SEÇÃO VI

Do Registro de Impressão de Documentos Fiscais
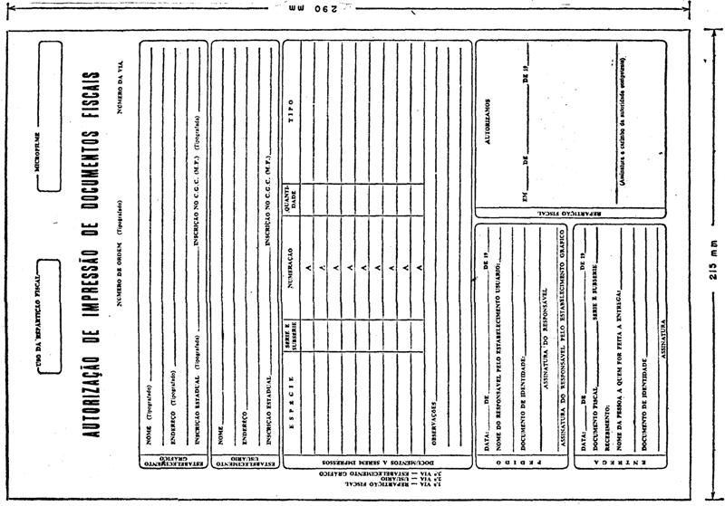
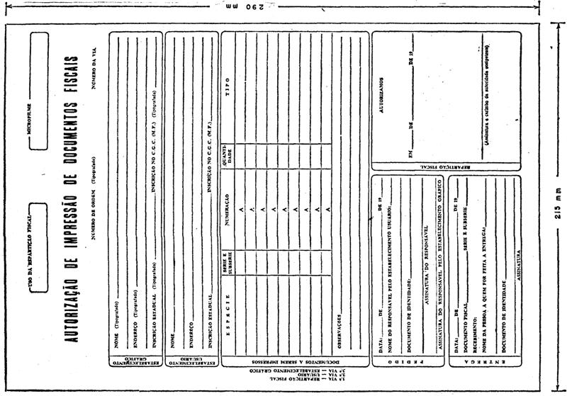
Artigo 57 - O livro Registro de Inpressão de Documentos Fiscal modeio 5, destina-se à escrituração das impressões de documentos fiscais, referidos nos incisos I a 'V do artigo 72 para terceiros ou para o próprio estabelemento impressor.

§ 1.º - Os lançamentos serão feitos operação a operação, em ordem cronológica das saídas dos documentos fiscais confeccionados ou de sua elabora no caso de serem utilizados pelo próprio estabelecimento.

§ 2.º - Os lançamentos serão feitos, nas colunas próprias, da segunte forma:

1. - coluna «Autorização de Impressão - Número»: número da Autorização de Impressão de Documentos Fiscais;
2. - colunas sob o título «Comprador»:
a) coluna «Número de Inscrição: número da inscrição estadual número da inscrição no CGC;
b) coluna «Nome»: nome do contribuinte usuário do documento fisca confeccionado;
c) coluna «Enderêco»: identificação do local do estabelecimento de contribuinte usuário do documento fiscal confeccionado;
3. - colunas sob c título «Impressos»:
a) coluna «Espécie»: espécie do documento fiscal confeccionado: Nota Fiscal, Nota Fiscal de Venda a Consumidor, Nota Fiscal de Entrada, Nota Fiscal de Produtor; .
b) coluna «Tipo»: tipo do documento fiscal confeccionado: talonário, fôlhas soltas formulários continuos etc.;
c) coluna «Série e Subsérie»: série e subsérie correspondente ao documento fiscal confeccionado:
d) coluna «Numeração»: números dos documentos fiscais confeccionado; no caso de impressão de documentos fiscais sem numeração tipográfica sob regime especial, tal circunstância deverá constar da coluna «Observações»;
4. - colunas sob o título «Entrega»:
a) coluna «Data»: dia, mes e ano da efetiva entrega dos documentos fiscais confeccionados ao contribuinte usuário;
b) coluna «Notas Fiscais»: série e subsérie e o número da Nota Fiscal emitida pelo estabelecimento gráfico relativa à saída dos documentos fiscais confeccionados;
5. - coluna «Observações»: anotações diversas..

SEÇÃO VII

Do Registro de Utilização de Documentos Fiscais e Têrmos de OcorrÊncias
Artigo 58 - O livro Registro de Utilização de Documentos Fiscais e Têrmos de Ocorrências, modelo 6, destina-se a escrituração das entradas de documentos fiscais, citados no artigo anterior, confeccionados por estabelecimentos gráficos ou pelo próprio contribuinte usuário do documento fiscal respectivo, bem como à lavratura, pelo Fisco, de têrmos de ocorrências.

§ 1.º - os lançamentos serão feitos operação a operaçãoo, em ordem cronológica da respectiva aquisição ou confecção própria do documento fiscal, devendo ser utilizada uma folha para cada espécie e série e subsérie de documento fiscal.

§ 2.º - Os lançamentos serão feitos, nos quadros e colunas próprios,
1. - quadro «Espécie»; espécie do documento fiscal confeccionado: Nota Fiscal, Nota Fiscal de Venda a Consumidor, Nota Fiscal de Entrada;
2. - quadro «Série e Subsérie»: «série e subsérie correspondente ao; documento fiscal confeccionado;
3. - quadro «Tipo»: tipo do documento fiscal confeccionado: talonário, fôlhas soltas, formulários continuos, etc.:
4 - quadro «Finalidade da Utilização»: fins a que se destina o documento fiscal: vendas a contribuintes, vendas a não contribuintes, vendas a contribuintes de outras unidades da Federação, etc.;
5. - coluna «Autorização de Impressão»: número da «Autorização de Impressão de Documentos Fiscais»;
6. - coluna «Impressos - Numeração*: os numeros dos documentos fiscais confeccionados; no caso de impressão de documentos fiscais sem numeração tipográfica sob regime especial, tal circunstância deverá constar da coluna «observações»;
7- colunas sob o título «Fornecedor»:
a) coluna «Nome»: nome do contribuinte que confeccionou os documentos fiscais:
b) coluna «Endereco»: a identificação do local do estabelecimento impressor;
c) coluna «Inscrição»: número da inscriçãoo estadual e número da inscrição no CGC, do estabelecimento impressor;
8. colunas sob o título «Recebimento»:
a) coluna «Data»: dia, mês e ano do efetivo recebimento dos documentos fiscais confeccionados;
b) coluna «Nota Fiscal»: série e subsérie e número da Nota Fiscal emitida pelo estabelecimento impressor por ocasião da saída dos documentos fiscais confeccionados;
9 - coluna «Observações»: anotações diversas, inclusive.
a) extravio, perda ou inutilização de blocos de documentos fiscais ou conjunto de documentos fiscais em formulários contínuos;
b) supressão da série e subsérie;
c) entrega de blocos ou formulários de documentos fiscais à reparição para serem inutilizados.

§ 3.º - Do total de fôlhas dêste livro, 50% (cinquenta por cento), no minimo, serão destinadas para lavratura, pelo Fisco, de têrmos de ocorrências, as quais, devidamente numeradas, deverão ser impressas de acôrdo com o modêlo anexo e incluidas no final do livro.

SEÇÃO VIII

Do Registro de Inventário
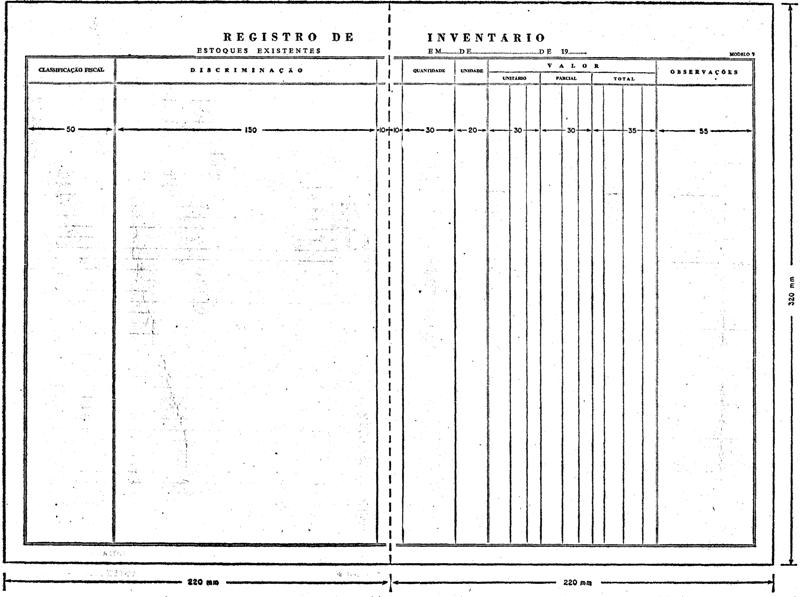
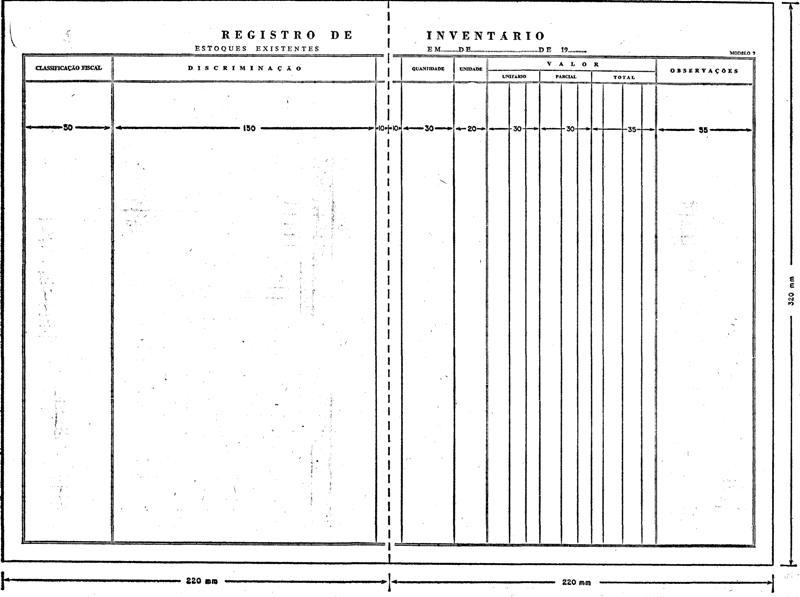
Artigo 59 - O livro Registro de Inventário, modêlo 7, destina-se a arrolar, pelos seus valôres e com especificações que permitam sua perfeita identificação, as mercadorias, as matérias-primas, os produtos intermediários, os materiais de embalagem, os produtos manufaturados e os produtos em fabricação, existentes no estabelecimento à época do balanço.

§ 1.º - no livro referido neste artigo serão também arrolados, separadamente:

1- as mercadorias, as matérias-primas, os produtos intermediários, os materiais de embalagem e os produtos manufaturados
pertencentes ao estabelecimento,   em poder de terceiros;
2 - as mercadorias, as matérias-primas, os produtos intermediários, os materiais de embalagem, os produtos manufaturados e os produtos em fabricação de terceiros, em poder do estabelecimento.

§ 2.º - O arrolamento em cada grupo deverá ser feito segundo a ordenação da Tabela prevista na legislação do impôsto sôbre produtos industrializados.

§ 3.º - os lançamentos serão feitos, nas, colunas próprias, da seguinte forma:

1. coluna «Classificação Fiscal»: posição, inciso e subinciso em que as mercadorias estejam classificadas na Tabela anexa ao Regulamento do Impôsto sôbre Produtos Industrializados;
2. coluna «Discriminação»: especificação que permita a perfeita identificação das mercadorias, tais como: espécie, marca, tipo e modelo;
3. coluna «Quantidade»: quantidade em estoque à data do balanço;
4. coluna «Unidade»: especificação da unidade (quilogramas, metros, litros, dúzias, etc.), de acôrdo com a legislação do impôsto sôbre produtos industrializados;
5. colunas sob o título «Valor»:
a) coluna «Unitário»: valor de cada unidade das mercadorias pelo custo de aquisição ou de fabricação ou pelo preço corrente no mercado ou bolsa, prevalecendo o critério da estimação pelo preço corrente, quando êste fôr interior ao preço de custo; no caso de matérias-primas e/ou produtos em fabricação, o valor será o de seu preço de custo;
b) coluna «Parcial»: valor correspondente ao resultado da multiplicação «quantidade» pelo «valor unitário»;
c) coluna «Total»: valor correspondente ao somatório dos «valores parciais» constantes da mesma posição, inciso e subinciso referidos no item 1;
6. coluna «Observações»: anotações diversas.

§ 4.º - Após o arrolamento, deverá ser consignado o valor total de cada grupo mencionado no «caput» dêste artigo e no § 1.° e, ainda, o total geral do estoque existente.

§ 5.º - O disposto no § 2.° e no item 1 do § 3.° não se aplica aos estabelecimentos comerciais não equiparados aos industriais.

§ 6.º - Se a empresa não mantiver escrita contábil, o inventário será levantado em cada estabelecimento no último dia do ano civil.

§ 7.º - A escrituração deverá ser efetivada dentro de 60 (sessenta) dias, contados da data do balanço referido no «caput» deste artigo ou do último dia do ano civil, no caso do parágrafo anterior.

SEÇÃO IX

Do Registro da Apuração do IPI
Artigo 60 - O livro Registro de Apuração do IPI, modelo 8, destina-se a registrar de acôrdo com os períodos de apuração fixados na legislação própria e segundo o modelo, os totais dos valores contábeis e os dos valôres fiscais relativos ao impôsto sôbre produtos industrializados, das operações de entradas e saídas extraídos dos livros próprios e agrupados segundo o Código Fiscal de Operações mencionado no §3.° do artigo 53. 

Parágrafo único - No livro a que se refere êste artigo serão registrado, também, os débitos e os créditos fiscais do impôsto sôbre produtos industrializados, a apuração dos saldos e os dados relativos às guias de informação e apuração do impôsto sôbre produtos industrializados e de recolhimento.

SEÇÃO X

Do Registro de Apuração do ICM
Artigo 61 - O livro Registro de Apuração do ICM, modelo 9, destina-se se a registrar, mensalmente, de acôrdo com o modelo, os totais dos valores contábeis e os dos valôres fiscais relativos ao impôsto de circulação de mercadorias, das operações de entradas e saídas, extraídos dos livros próprios e agrupados segundo o Código Fiscal de Operações mencionado no § 3.° do artigo 53. 


Parágrafo único - No livro a que se refere êste artigo serão registrados, também, os débitos e os créditos fiscais do impôsto de circulação de mercadorias, a apuração dos saldos e os dados relativos as guias de informação e apuração do impôsto de circulação de mercadorias e de recolhimento.

CAPÍTULO II

Da Autenticação dos Livros Fiscais
Artigo 62 - Os livros fiscais, que serão impressos e de fôlhas numeradas tipograficamente em ordem crescente, só serão usados depois de visados pela repartição competente do Fisco estadual.

§ 1.º - Os livros fiscais terão suas fôlhas costuradas e encadernadas, de forma a impedir sua substituição.

§ 2.º - O «visto» será gratuito e será aposto em seguida ao têrmo de abertura lavrado e assinado pelo contribuinte. Não se tratando de início de atividade, será exigida a apresentação do livro anterior a ser encerrado.

§ 3.º - Para os efeitos do parágrafo anterior, os livros a serem encerrados serão exibidos ao Pôsto Fiscal competente dentro de 5 (cinco) dias após se esgotarem.

CAPÍTULO III

Da Escrituração dos Livros Fiscais
Artigo 63 - Os lançamentos nos livros fiscais serão feitos a tinta, com clareza, não podendo a escrituração atrasar-se por mais de 5 (cinco) dias ressalvados os livros a que forem atribuídos prazos especiais.

§ 1.º - Os livros não poderão conter emendas ou rasuras e seus lançamentos serão somados nos prazos estipulados.

§ 2.º - Quando não houver período expressamente previsto, os livros fiscais serão somados no último dia de cada mês.

§ 3.º - Será permitida a escrituração por processo mecanizado, mediante prévia autorização do Fisco.

Artigo 64 - Os contribuintes que mantiverem mais de um estabelecimento, seja filial sucursal, agência, depósito fábrica ou outro qualquer, manterão em cada estabelecimento escrituração em livros fiscais distintos, vedada a sua centralização.
Artigo 65 - Os comerciantes e os industrials deverão manter escrituração fiscal ainda que efetuem unicamente operações não sujeitas ao impôsto de circulação de mercadorias.

CAPÍTULO IV

Da Permanência dos Livros Fiscais no Estabelecimento
Artigo 66 - Sem prévia autorização do Fisco, os livros fiscais não poderão ser retirados do estabeleeimento sob pretexto algum, salvo para serem levados à repartição fiscal.

§ 1.º - Presume-se retirado do estabelecimento o livro que não fôr exibido ao Fisco, quando solicitado.

§ 2.º - Os agentes do Fisco arrecadarão mediante têrmo todos os livros fiscais encontrados fora do estabelecimento e os devolverão aos contribuintes adotando-se, no ato da devolução, as providências fiscais cabíveis.

Artigo 67 - Nos casos de perda ou extravio de livros fiscais, poderá a autoridade fiscal intimar o contribuinte a comprovar o montante das operações escrituradas, ou que deveriam ter sido escrituradas nos referidos livros, para efeito de verificação do pagamento do tributo. 

Parágrafo único - Se o contribuinte se recusar a fazer a comprovação, ou não puder fazê-la e bem assim nos casos em que a mesma fôr considerada insuficiente, o montante das operações será arbitrado pela autoridade fiscal pelos meios ao seu alcance, computando-se, para efeito de apuração de diferença de impôsto, os recolhimentos devidamente comprovados pelo contribuinte ou pelos registros da repartição.

CAPÍTULO V

Da Exibição dos Livros Fiscais e do Prazo para sua Conservação
Artigo 68 - Os livros fiscais são de exibição obrigatória ao Fisco.

§ 1.º - Para efeito dêste artigo, os livros fiscais serão conservados pelo prazo de 5 (cinco) anos, contados da data do seu encerramento por aquêles que deles tiverem feito uso.

§ 2.º - Nos casos de dissolução de sociedade serão observadas, quanto aos livros fiscais, as normas que regulam, nas leis comerciais, a conservação dos livros de escrituração.

CAPÍTULO VI

Do Encerramento dos Livros Fiscais e de sua Transferência
Artigo 69 - Os contribuintes ficam obrigados a apresentar ao Pôsto Fiscal competente, dentro de 30 (trinta) dias contados da data da cessação da atividade para cujo exercício estiverem inscritos, os livros fiscais, a fim de serem lavrados os têrmos de encerramento. 


Parágrafo único - Após a devolução dos livros pelo Fisco estadual, os contribuintes os encaminharão ao Fisco federal, nos têrmos da legislação própria. 

Artigo 70 - Nos casos de fusão, incorporação, transformação ou aquisição o nôvo titular do estabelecimento deverá transferir, para o seu nome por intermédio da repartição fiscal competente, no prazo de 30 (trinta) dias da data da ocorrência, os livros fiscais em uso, assumindo a responsabilidade pela sua guarda, conservação e exibição ao Fisco. 

Parágrafo único - A repartição poderá autorizar a adoção de livros novos em substituição aos anteriormente em uso.

CAPÍTULO VII

Dos Livros Comerciais
Artigo 71 - Os livros comerciais são de exibição obrigatória aos agentes do Fisco, não tendo aplicação quaisquer disposições excludentes da obrigação de exibir, ou limitativas do direito do Fisco de examinar mercadorias, livros, arquivos, documentos, papéis e efeitos comerciais ou fiscais dos comerciantes, dos industriais, dos produtores ou das pessoas a êles equiparadas.

TÍTULO 'V

Dos Documentos Fiscais

CAPÍTULO I

Dos Documentos em Geral
Artigo 72 - Os contribuintes do imposto sôbre produtos industrializados e|ou do impôsto de circulação de mercadorias emitirão, conforme as operações que realizarem os seguintes documentos fiscais:
I - Nota Fiscal, modêlo 1;
II - Nota Fiscal de Venda a Consumidor, modêlo 2;
III - Nota Fiscal de Entrada, modêlo 3;
IV - Nota Fiscal de Produtor, modêlo 4;
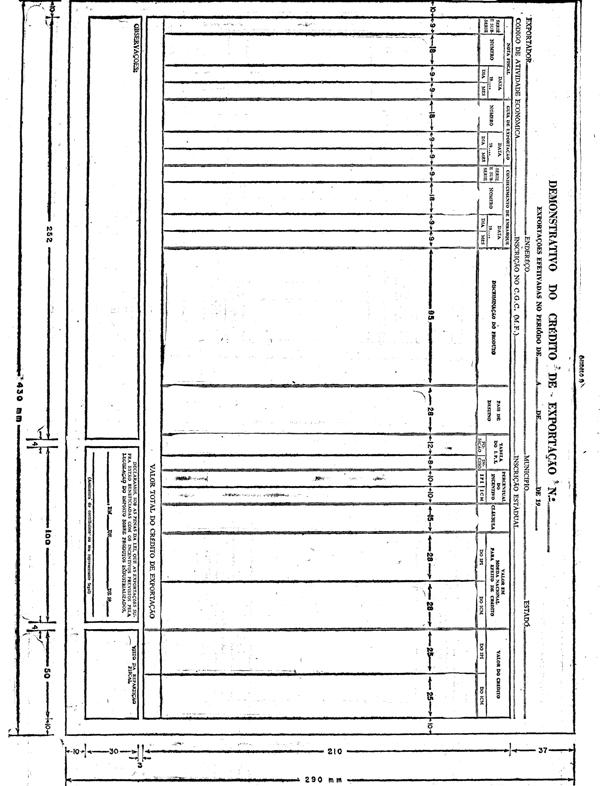
V - Demonstrativo do Crédito de Exportação, modêlo 5;
VI - Demonstrativo do Crédito de Equipamentos Industriais, modêlo 6. 


Parágrafo único - Os documentos referidos neste artigo obedecerão aos modelos anexos.

CAPÍTULO II

Da Nota Fiscal
Artigo 73 - Os estabelecimento, excetuados os de produtores agropecuários, emitirão Nota Fiscal:
I - sempre que promoverem a saída de mercadorias;
II - na transmissão da propriedade das mercadorias, quando estas não devam transitar pelo estabelecimento transmitente.
Artigo 74 - A Nota Fiscal conterá as seguintes indicações:
I - a denominação «NOTA FISCAL»;
II - o número de ordem, a série e subsérie e o número da via;
III - a natureza da operação de que decorrer a saída: venda, transferência, devolução, consignação, remessa (para fins de demonstração, de industralização ou outro qualquer);
IV - a data da emissão;
V - o nome, o enderêço e os números de inscrição, estadual e no C. G. C., do estabelecimento emitente;
VI - o nome, o enderêço e os números de inscrição, estadual e no C. G. C., do estabelecimento destinatário;
VII - a data da saída efetiva das mercadorias do estabelecimento emitente;
VIII - a discriminação das mercadorias, quantidade, marca, tipo, modêlo, espécie, qualidade e demais elementos que permitam sua perfeita identificação;
IX - a classificação fiscal dos produtos, prevista pela legislação do impôsto sôbre produtos industrializados, quando fôr o caso;
X - os valôres, unitário e total, das mercadorias e o valor total da operação;
XI - a alíquota e o valor do impôsto sôbre produtos industrializados, quando fôr o caso;
XII - a base de cálculo do impôsto sôbre produtos industrializados e| ou do impôsto de circulação de mercadorias, quando diferente do valor da operação e o preço de venda no varejo ou no atacado, quando a êle estiverem subordinados os cálculos dos impostos referidos:
XIII - a importância do impôsto de circulação de mercadorias devido sõbre a operação que deverá constar em destaque dentro de um retângulo, colocado fora do quadro reservado a discriminação das mercadorias;
XIV - o nome do transportador, seu enderêço e a placa do veículo;
XV - a forma de acondicionamento dos produtos, bem como marca, numeração, quantidade, espécie e peso dos volumes;
XVI - o nome, o enderêço e os números de inserição, estadual e no C. G. C, do impressor da nota, a data e a quantidade da impressão, o número de ordem da primeira e da última nota impressa e respectiva série e subsérie, e o número da autorização para impressão de documentos fiscais.

§ 1.º - As indicações dos incisos I, II V e XVI serão impressas.

§ 2.º - A indicação do inciso IX d obrigatória para os contribuintes do impôsto sôbre produtos industrializados, sendo vedada as indicações dos incisos 'XI e 'XIII quando o emitente não seja obrigado ao recolhimento dos tributos ali mencionados.

§ 3.º - A Nota Fiscal só mencionará produtos de mais de um inciso ou posição constante da Tabela anexa ao Regulamento do Impôsto sôbre Produtos Industrializados, se houver separação de valôres, de modo que fique demonstrado o impôsto sôbre produtos industrializados devido em cada inciso ou posição.

§ 4.° - Serão dispensadas as indicações do inciso VIII se estas constarem de romaneio emitido com os requisitos minimos dos incisos II, IV, V VI VII, 'X e 'XVI, que constituirá parte inseparável da Nota Fiscal, hipótese em que se mencionará, na nota, o número, a série, a data do romaneio e, neste o número, a série e subsérie e a data daquela.

§ 5.º - Na Nota Fiscal emitida relativamente a saída de mercadorias em retôrno ou em devolução, deverão ser, ainda, indicados o número, a data da emissão e o valor da operação do documento original.

§ 6.º - A Nota Fiscal será de tamanho não inferior a 148 x 21 cm. em qualquer sentido.

§ 7.º - A Nota Fiscal poderá servir como fatura, feita a inclusão dos elementos necessários, caso em que a denominação prevista no inciso I passa a ser Nota Fiscal-Fatura.

Artigo 75 - A Nota Fiscal será emitida:
I - antes de iniciada a saída das mercadorias:
II - no momento do fornecimento de alimentação, bebidas e outras mercadorias, em restaurantes, bares, cafés e estabelecimentos similares;
III - antes da tradição real ou simbólica das mercadorias:
a) nos casos de transmissão de propriedade de mercadorias ou de título que as represente, quando estas não transitarem pelo estabeleeimento do transmitente:
b) nos casos de ulterior transmissão de propriedade de mercadorias, que tendo transitado pelo estabeleeimento transmitente, deste tenham saído sem o pagamento do impôsto de circulação de mercadorias, em decorrência de locação ou de remessas para armazens gerais ou depósitos fechados.

§ 1.º - Na Nota Fiscal emitida no caso de ulterior transmissão de propriedade de mercadorias, prevista na alínea "b" do inciso III, deverão ser mencionados o número, a série e subsérie e a data da Nota Fiscal emitida anteriormente por ocasião da saída das mercadorias.

§ 2.º - No caso de mercadorias de procedência estrangeira que sem entrar em estabelecimento do importador ou arrematante, sejam por êste remetidas a terceiros, deverá o importador ou arrematante emitir Nota Fiscal, com a declaração de que as mercadorias sairão diretamente da repartição federal em que se processou o desembaraço.

Artigo 76 - A Nota Fiscal, alem das hipóteses previstas no artigo anterior, será também emitida:
I - no caso de mercadorias cuja unidade não possa ser transportada de uma só vez, desde que o impôsto de circulação de mercadorias deva incidir sôbre o todo;
II - no reajustamento de preço em virtude de contrato escrito de que decorra acréscimo do valor das mercadorias;
III - na regularização em virtude de diferença de preço ou de quantidade das mercadorias, quando efetuada no período de apuração do impôsto em que tenha sido emitida a Nota Fiscal originária;
IV - para lançamento do impôsto de circulação de mercadorias, não pago nas épocas próprias, em virtude de erro de cálculo ou de classificação fiscal, quando a regularização ocorrer no período de apuração do impôsto em que tenha sido emitida a Nota Fiscal originária;
V - no caso de diferenças apuradas no estoque de selos especiais de contrôle fornecidos ao usuário, pelas repartições do Fisco Federal, para aplicação em seus produtos.

§ 1.º - Na hipótese do inciso I, serão observadas as seguintes normas:

1. - a Nota Fiscal inicial será emitida se o preço de venda se estender para o todo sem indicação correspondente a cada peça ou parte; a Nota Fiscal especificará o todo, com o destaque do impôsto de circulação de mercadorias,devendo constar que a remessa será feita em peças ou partes;
2. - a cada remessa corresponderá nova Nota Fiscal, sem destaque do impôsto de circulação de mercadorias, mencionando-se o número, a séries e subsérie e a data da Nota Fiscal inicial.

§ 2.º - Na hipótese do inciso II, a Nota Fiscal será emitida dentro de 3 (três) dias da data em que se efetivou o reajustamento do preço.

§ 3.º - Nas hipóteses dos incisos III e IV, se a regularização não se efetuar dentro dos prazos mencionados, a Nota Fiscal será também emitida, sendo que a diferença do impôsto devido será recolhida em guia especial, com as especificações necessárias a regularização; na via da Nota Fiscal prêsa ao talonário deverá constar essa circunstância,mencionando-se o número e a data da guia de recolhimento.

§ 4.º - Para efeito de emissão da Nota Fiscal na hipótese do inciso V:

1. - a falta de selos caracteriza saída de produtos sem a emissão de Nota Fiscal e sem pagamento do impôsto de circulação de mercadorias;
2. - o excesso de selos caracteriza saída de produtos sem aplicação do sêlo e sem pagamento do impôsto de circulação de mercadorias.
§ 5.º - A emissão da Nota Fiscal na hipótese do inciso V sómente será efetuada antes de qualquer procedimento do Fisco.

Artigo 77 - Na saída de mercadorias com destino a depósito fechado do próprio contribuinte, ambos localizados neste Estado, será emitida Nota Fiscal contendo os requisitos exigidos e, especialmente:
I - valor das mercadorias;
II - natureza da operação: "Outras Saidas - remessa para depósito fechado";
III - dispositivos legais que preveêm a não incidência do impôsto de circulação de mercadorias.
Artigo 78 - Na saída de mercadorias em retôrno ao estabelecimento depositante, remetidas por depósito fechado, êste emitirá Nota Fiscal contendo os requisitos exigidos e, especialmente:
I - valor das mercadorias;
II - natureza da operação: "Outras saídas - retôrno de mercadorias depositadas";
III - dispositivos legais que preveêm a não incidência do impôsto de circulação de mercadorias.
Artigo 79 - Na saída de mercadorias armazenadas em depósito fechado, com destino a outro estabelecimento ainda que da mesma emprêsa, o estabelecimento depositante emitirá Nota Fiscal contendo os requisitos exigidos e, especialmente:
I - valor da operação;
II - natureza da operação;
III - destaque do impôsto de circulação de mercadorias, se devido;
IV - circunstância de que as mercadorias serão retiradas do depósito fechado, mencionando-se enderêço e números de inscrição, estadual e no CGC, deste.

§ 1.º - Na hipótese dêste artigo o depósito fechado, no ato da saída das mercadorias, emitirá Nota Fiscal em nome do estabelecimento depositante, sem destaque do impôsto de circulação de mercadorias, contendo os requisitos exigidos e, especialmente:
1 - valor das mercadorias, que corresponderá aquêle atribuido por ocasião de sua entrada no depósito fechado;
2 - natureza da operação: "Outras saídas - retôrno simbólico de mercadorias depositadas";
3 - número, série e subsérie e data da Nota Fiscal emitida pelo estabelecimento depositante;
4 - nome, endereço e números de inscrição, estadual e no CGC, do estabelecimento a que se destinaram as mercadorias.

§ 2.º - O depósito fechado indicará no verso das vias da Nota Fiscal emitida pelo estabelecimento depositante, que deverão acompanhar as mercadorias, a data de sua efetiva saída, o número, a série e subsérie e a data da Nota Fiscal a que se refere o parágrafo anterior.

§ 3.º - A Nota Fiscal a que alude o § 1.° será enviada ao estabelecimento depositante que deverá registrá-la, na coluna própria do Registro de Entradas, dentro de 10 (dez) dias, contados da saida efetiva das mercadorias do depósito fechado.

§ 4.º - As mercadorias serão acompanhadas no seu transporte pela Nota Fiscal emitida pelo estabelecimento depositante.

Artigo 80 - Na saída de mercadorias para entrega a depósito fechado, localizado na mesma unidade da Federação do estabelecimento destinatário, ambos pertencentes à mesma empresa, o estabelecimento destinatário será considerado depositante, devendo o remetente emitir Nota Fiscal contendo os requisitos exigidos indicando:
I - como destinatário, o estabelecimento depositante;
II - no corpo da Nota Fiscal, o local da entrega, enderêço e números de inscrição, estadual e no CGC, do depósito fechado.

§ 1.º - O depósito fechado deverá:

1 - registrar a Nota Fiscal que acompanhou as mercadorias, na coluna própria do Registro de Entradas;
2 - apor na Nota Fiscal referida no item anterior, a data da entrada efetiva das mercadorias, remetendo-a ao estabelecimento depositante.

§ 2.º - O estabelecimento depositante deverá:

1 - registrar a Nota Fiscal na coluna própria do Registro de Entradas, dentro de 10 (dez) dias contados da data da entrada efetiva das mercadorias no
2 - emitir Nota Fiscal relativa à saída simbólica, dentro de 10 (dez) dias contados da data da entrada efetiva das mercadorias no depósito fechado na forma do artigo 77, mencionados, ainda, números e data do ducumento fiscal emitido pelo remetente;
3 - remeter a Nota Fiscal aludida no item anterior ao depósito fechado, dentro de 5 (cinco) dias, contados da respectiva emissão.

§ 3.º - O depósito fechado, deverá acrescentar na coluna "Observações" do Registro de Entradas, relativamente ao lançamento previsto no item 1 do

§ 1.º - O número, a série e subsérie e a data da Nota Fiscal referida no item 2 do parágrafo anterior.

§ 4.º - Todo e qualquer crédito do impôsto de circulação de mercadorias, quando cabível, será conferido ao estabelecimento depositante.

Artigo 81 - Na saída de mercadorias para depósito em armazem geral, localizado na mesma unidade da Federação do estabelecimento remetente, êste emitirá Nota Fiscal contendo os requísitos exigidos e, especialmente;
I - valor das mercadorias;
II - natureza da operação: "Outras saídas - remessa para depósito":
III - dispositivos legais que prevêem a não incidência do Impôsto de circulação de mercadorias. 


Parágrafo único - Na hipótese êste artigo, se o depositante fôr produtor agropecuário, emitirá Nota Fiscal de Produtor. 

Artigo 82 - Nas saídas das mercadorias referidas no artigo anterior, em retôrno ao estabelecimento depositante,o armazém geral emitirá Nota Fiscal contendo os requisitos exigidos e, especialmente:
I - valor das mercadorias;
II - natureza da operação: "Outras saídas - retôrno de mercadorias depositadas
III - dispositivos legais que prevêem a não incidência do impôsto de circulação de mercadorias.
Artigo 83 - Na saída de mercadorias depositadas em armazém geral, situado na mesma unidade da Federação do estabelecimento depositante, com destino a outro estabelecimento ainda que da mesma empresa o depositante emitirá Nota Fiscal em nome do destinatário,contendo os requisitos exigidos e especialmente:
I - valor da operação;
II - natureza da operação;
III - destaque do Impôsto de circulação de mercadorias, se devido;
IV - circunstância de que as mercadorias serão retiradas do armazém geral,mencionando-se endereço números de inscrição,estadual e no CGC dêste.

§ 1.º - Na hipótese dêste artigo, o armazém geral, no ato da saída das mercadorias,emitirá Nota Fiscal em nome do estabelecimento depositante, sem destaque do impôsto de circulação de mercadorias, contendo os requisitos exigidos e especialmente:

1. - valor das mercadorias, que corresponderá áquele atribuido por ocasião de sua entrada no armazem geral;
2. - natureza da operaçaõ: "Outras saídas - retôrno simbólico de mercadorias depositadas";
3 - número, série e subsérie e data da Nota Fiscal emitida pelo estabelecimento depositante,na forma do "caput" dêste artigo;
4. - nome, endereço e números de inscrição, estadual e no CGC, do estabelecimento a que se destinarem as mercadorias.

§ 2.º - o armazém geral indicará no verso das vias da Nota Fiscal emitida pelo estabelecimento depositante, que deverão acompanhar as mercadorias, a data de sua efetiva saída,o número,série e subsérie e data da Nota Fiscal a que se refere o parágrafo anterior.

§ 3.º - A Nota Fiscal a que alude o § 1.º será enviada ao estabelecimento depositante que deverá registrá-la,na coluna própria do Registro de Entradas dentro de 10 (dez) dias, contados da saída efetiva das mercadorias do amazém geral

§ 4.º - As mercadorias serão acompanhadas no seu transporte pela Nota Fiscal emitida pelo estabelecimento depositante.

Artigo 84 - Na hipótese do artigo anterior,se o depositante fôr produtor agropecuário,emitirá Nota Fiscal de Produtor em nome do estabelecimento destinatário,contendo os requísitos exigidos e, especialmente;
I - valor da operação;
II - natureza da operação;
III - indicações,quando ocorrer uma das hipóteses abaixo;
a) dos dispositivos legais que prevêem a imunidade,não incidência ou enção do impôsto de circulação de mercadorias;
b) do número e da data da guia de recolhimento e identificação do respectivo órgão arrecadador, quando o produtor deva recolher o impôsto de circulação de mercadorias;
c) dos dispositivos legais que prevêem o diferimento ou a suspensão do recolhimento do impôsto de circulação de mercadorias;
d) da declaração de que o impôsto de circulação de mercadorias será recolhido pelo estabelecimento destinatário;
IV - circunstância de que as mercadorias serão retiradas do armazém geral, mencionando-se enderêço e números de inscrição, estadual e no CGC, dêste.

§ 1.º - O armazém geral, no ato da saida das mercadorias, emitirá Nota Fiscal em nome do estabelecimento destinatário, contendo os requisitos exigidos e, especialmente:

1. - valor da operação, que corresponderá ao do documento fiscal emitido pelo produtor agropecuário, na forma do "caput" dêste artigo;
2. - natureza da operação: "Outras saídas - remessa por conta e ordem de terceiros";
3. - numero e data da Nota Fiscal de Produtor emitida na forma do "caput" dêste artigo, pelo produtor agropecuário, bem como nome, enderêço e número de inscrição estadual dêste;
4. - número e data da guia de recolhimento do impôsto de circulação de mercadorias referida no inciso III, alínea "b", dêste artigo, e identificação do respectivo órgão arrecadador, quando fôr o caso.

§ 2.º - As mercadorias serão acompanhadas no seu transporte pela Nota Fiscal de Produtor referida no "caput" dêste artigo e pela Nota Fiscal mencionada no parágrafo anterior.

§ 3.º - O estabelecimento destinatário, ao receber as mercadorias, emitirá Nota Fiscal de Entrada, contendo os requisitos exigidos e, especialmente:
1. - número e data da Nota Fiscal de Produtor emitida na forma do "caput" dêste artigo, pelo produtor agropecuário;
2. - número e data da guia de recolhimento do impôsto de circulação de mercadorias, referida no inciso III dêste artigo, quando fôr o caso;
3. - número, série e subsérie e data da Nota Fiscal emitida na forma do §1.º pelo armazém geral, bem como nome, endereço e números de inscrição, estadual e no CGC, dêste.

Artigo 85 - Na saída de mercadorias depositadas em armazém geral, situado em unidade da Federação diversa do estabelecimento depositante, com destino a outro estabelecimento, ainda que da mesma empresa, o depositante emitirá Nota Fiscal contendo os requisitos exigidos e, especialmente:
I - valor da operação;  
II - natureza da operação;
III - circunstância de que as mercadorias serão retiradas do armazém geral, mencionando-se enderêço e números de inscrição, estadual e no CGC, dêste.

§ 1.º - Na Nota Fiscal emitida pelo depositante, na forma do «caput" dêste artigo, não será efetuado o destaque do impôsto de circulação de mercadorias.

§ 2.º - Na hipótese dêste artigo, o armazém geral, no ato da saida das mercadorias, emitirá:

1 - Nota Fiscal em nome do estabelecimento destinatário, contendo os requisitos exigidos e, especialmente;
a) valor da operação, que corresponderá ao da Nota Fiscal emitida pelo estabelecimento depositante na forma do "caput" deste artigo;
b) natureza da operação: "Outras saidas remessa por conta e ordem de terceiros";
c) número, série e subsérie e data da Nota Fiscal emitida na forma do "caput" dêste artigo, pelo estabelecimento depositante, bem como nome, endereço números de inscrição, estadual e no CGC, dêste;
d) destaque do impôsto de circulação de mercadorias, se devido, com a declaração: "O recolhimento do ICM é de responsabilidade do armazém geral";
2. - Nota Fiscal em nome do estabelecimento depositante, sem, destaque do impôsto de circulação de mercadorias, contendo os requisitos exigidos e, especialmente:
a) valor das mercadorias, que corresponderá áquele atribuido por ocasião de sua entrada no armazém geral;
b) natureza da operação: "Outras saídas - retôrno simbólico de mercadorias depositadas";
c) número, série e subsérie e data da Nota Fiscal emitida na forma do "caput" deste artigo, pelo estabelecimento depositante, bem como nome, endereço e números de inscrição, estadual e no CGC, dêste;
d) nome, enderêço e números de inscrição, estadual e no CGC, do estabelecimento destinatário e número, série e subsérie e data da Nota Fiscal referida no item 1.

§ 3.º - As mercadorias serão acompanhadas no seu transporte pelas Notas Fiscais referidas no "caput" dêste artigo e no item 1 do parágrafo an-terior.

§ 4.º - A Nota Fiscal a que se refere o item 2 do parágrafo 2.º será enviada ao estabelecimento depositante que deverá registrá-la na coluna própria do Registro de Entradas dentro de 10 (dez) dias, contados da saída efetiva das mercadorias do armazem geral.

§ 5.º - O estabelecimento destinatário, ao receber as mercadorias, registrará no Registro de Entradas a Nota Fiscal a que se refere o "caput" deste artigo, acrescentando na coluna "OBSERVAÇÕES", o número, série e subsérie e data da Nota Fiscal a que alude o item 1 do parágrafo 2.º, bem como nome, endereço e números de inscrição, estadual e no CGC do armazém geral e lançando nas colunas próprias, quando fôr o caso, o crédito do impôsto pago pelo armazém geral.

Artigo 86 - Na hipótese do artigo anterior, se o depositante fôr produtor agropecuário, emitirá Nota Fiscal de Produtor em nome do estabelecimento destinatário, contendo os requisitos exigidos e, especialmente:
I - valor da operação;
II - natureza da operação;
III - declaração de que o impôsto de circulação de mercadorias, se devido, será recolhido pelo armazém geral;
IV - circunstância de que as mercadorias serão retiradas do armazém geral, mencionando-se enderêço e números de inscrição, estadual e no CGC, dêste.

§ 1.º - O armazém geral, no ato da saída das mercadorias, emitirá Nota Fiscal em nome do estabelecimento destinatário, contendo os requisitos exigidos e, especialmente:

1. - valor da operação, que corresponderá ao do documento fiscal emitido pelo produtor agropecuário, na forma do "caput" deste artigo;
2. - natureza da operação: "Outras saídas - remessa por conta e ordem de terceiros";
3. - número e data da Nota Fiscal de Produtor emitida na forma do "caput" deste artigo pelo produtor agropecuário, bem como nome, endereço e número de inscrição estadual deste;
4. - destaque do impôsto de circulação de mercadorias, se devido, com a declaração: "O recolhimento do ICM é de responsabilidade do armazém geral".

§ 2.º - As mercadorias serão acompanhadas no seu transporte pela Nota Fiscal de Produtor referida no "caput" dêste artigo e pela Nota Fiscal mencionada no parágrafo anterior.

§ 3.º - O estabelecimento destinatário, ao receber as mercadorias, emitirá Nota Fiscal de Entrada contendo os requisitos exigidos e, especialmente:
1. - número e data da Nota Fiscal emitida na forma do "caput" dêste artigo pelo produtor agropecuário;
2. - número, série e subsérie da Nota Fiscal emitida na forma do

§ 1.º - pelo armazém geral, bem como nome, enderêço e números de inscrição, estadual e no CGC, dêste;
3. - valor do impôsto de circulação de mercadorias, se devido, destacado na Nota Fiscal emitida na forma do §1.°.

Artigo 86 - A - Na saída de mercadorias para entrega em armazem geral localizado na mesma unidade da Federação do estabelecimento destinatário, êste será considerado depositante devendo o remetente emitir Nota Fiscal contendo os requisitos exigidos e, especialmente:
I - como destinatário, o estabelecimento depositante;
II - valor da operação;
III - natureza da operação;
IV - local da entrega, enderêço e números de inscrição, estadual e no CGC, no armazém geral;
V - destaque do impôsto de circulação de mercadorias, se devido.

§ 1.º - O armazém geral deverá:

1. - registrar a Nota Fiscal que acompanhou as mercadorias, no Registro de Entradas;
2. - apor na Nota Fiscal referida no item anterior, a data da entrada efetiva das mercadorias, remetendo-a ao estabelecimento depositante,

§ 2.º - O estabelecimento depositante deverá:

1 - registrar a Nota Fiscal na coluna própria do Registro de Entradas, dentro de 10 (dez) dias, contados da data da entrada efetiva das mercadorias no armazém geral;
2. - emitir Nota Fiscal relativa à saída simbólica, dentro de 10 (dez) dias, contados da data da entrada efetiva das mercadoriass no armazém geral, na forma do artigo 81, mencionando, ainda, o número e data do documento fiscal emitido pelo remetente;
3. - remeter a Nota Fiscal aludida no item anterior ao armazém geral, dentro de 5 (cinco) dias contados da data da sua emissão.

§ 3.º - O armazém geral deverá acrescentar na coluna "OBSERVAÇÕES" do Registro de Entradas relativamente ao lançamento previsto no item 1 do §1.º, o número série e subsérie e data da Nota Fiscal referida no item 2 do parágrafo anterior.

§ 4. º - Todo e qualquer crédito do impôsto de circulação de mercadorias , quando cabível, será conferido ao estabelecimento
depositante.

Artigo 86 - B - Na hipótese do artigo anterior, se o remetente fôr produtor agropecuário, deverá emitir Nota Fiscal de Produtor contendo os requisitos exigidos e, especialmente:
I - como destinatário, o estabelecimento depositante;
II - valor da operação;
III - natureza da operação;
IV - local da entrega, enderêço e números de inscrição, estadual e no CGC, do armazém geral;
V - indicações, quando ocorrer uma das hipóteses abaixo:
a) dos dispositivos legais que prevêm a imunidade, não incidência ou isenção do Impôsto de circulação de mercadorias;
b) do número e da data da guia de recolhimento e identificação do respectivo órgão arrecadador, quando o produtor deva recolher o imôsto de circulação de mercadorias:
c) dos dispositivos legais que prevém o diferimento ou a suspensão do recolhimento do impôsto de circulação de mercadorias;
d) da declaração de que o impôsto de circulação de mercadorias será recolhido pelo estabelecimento destinatário.

§ 1.º - O armazém geral deverá:

1. registrar a Nota Fiscal de Produtor que acompanhou as mercadorias, no Registro de Entradas;
2. apor na Nota Fiscal de Produtor, referida no item anterior, a data da entrada efetiva das mercadorias, remetendo-a ao estabelecimento depositante.

§ 2.º - O estabeleeimento depositante deverá:

1. emitir Nota Fiscal de Entrada contendo os requisitos exigidos e, especialmente:
a) número e data da Nota Fiscal de Produtor emitida na forma do "raput" dêste artigo;
b) número e data da guia de recolhimento do impôsto de circulação de mercadorias referida no inciso V, alínea "b", dêste artigo, quando fôr o caso;
c) circustância de que as mercadorias foram entregues no armazem geral, mencionado-se endereço e número de inserição, estadual e no CGO, dêste;
2. emitir Nota Fiscal relativa à saída simbólica, dentro de 10 (dez) dias, contados da data da entrada efetiva das mercadorias no armazém geral, na forma do artigo 81, mencionando, ainda, os números e datas da Nota Fiscal de Produtor e da Nota Fiscal de Entrada;
3. remeter a Nota Fiscal aludida no item anterior ao armazém geral, dentro de 5 (cinco) dias, contados da data da sua emissão.

§ 3.º - O armazém geral deverá acrescentar na coluna "OBSERVAÇÕES" do Registro de Entradas, relativamente ao lançamento previsto no item 1 do §1.°, o número, série e subsérie e data da Nota Fiscal referida no item 2 do parágrafo anterior.

§ 4.º - Todo e qualquer crédito do imposto de circulação de mercadorias, quando cabível, será conferido ao estabeleeimento depositante.

Artigo 86 - C - Na saída de mercadorias para entrega em armazém geral localizado em unidade da Federação diversa do estabeleeimento destinatário, êste será considerado depositante, devendo o remetente:
I - emitir Nota Fiscal, contendo os requisitos exigidos e, especialmente:
a) como destinatário, o estabeleeimento depositante;
b) valor da operação;
c) natureza da operação;
d) local da entrega, endereço e números de inserição, estadual e no CGC, do armazém geral;
e) destaque do impôsto de circulação de mercadorias, se devido;
II - emitir Nota Fiscal para o armazém geral, a fim de acompanhar o transporte das mercadorias, sem destaque do impôsto de circulação de mercadorias, contendo os requisitos exigidos e, especialmente:
a) valor da operação;
b) natureza da operação: "Outras saídas - para depósito por conta e ordem de terceiros";
c) nome, endereço e números de inscrição, estadual e no CGC, do estabelecimento destinatário e depositante;
d) número, série e subsérie e data da Nota Fiscal referida no inciso anterior.

§ 1.º - O estabeleeimento destinatário e depositante dentro de 10 (dez) dias, contados da data da entrada efetiva das mercadorias no armazém geral, deverá emitir Nota Fiscal para êste, relativa à saída simbólica, contendo os requisitos exigidos e, especialmente:

1. - valor da operação;
2. - natureza da operação: «Outras saidas - remessa para depósito»;
3. - destaque do impôsto de circulação de mercadorias, se devido;
4. - circunstância de que as mercadorias foram entregues diretamente ao armazém geral, mencionando-se número, série e subsérie e data da Nota Fiscal emitida na forma do inciso I, pelo estabeleeimento remetente, bem como nome, enderêço e número de inscrição, estadual e no CGC, dêste.

§ 2.º - A Nota Fiscal referida no parágrafo anterior deverá ser remetida ao armazém geral dentro de 5 (cinco) dias, contados da data da sua emissão.

§ 3.º - O armazém geral registrará a Nota Fiscal referida no §1.º, anotando na coluna "OBSERVAÇÕES", o numero, série e subsérie e data da Nota Fiscal a que alude o inciso II, bem como nome, enderêço e números de inscrição, estadual e no CGC, do estabeleeimento remetente.

Artigo 86 - D - Na hipótese do artigo anterior, se o remetente fôr produtor agropecuário, deverá:
I - emitir Nota Fiscal de Produtor contendo os requisitos exigidos e, especialmente:
a) como destinatário, o estabeleeimento depositante
b) valor da operação;
e) natureza da operação;
d) local da entrega, enderêço e números de inscrição, estadual e no CGC, do armazém geral;
e) indicação, quando fôr o caso, dos dispositivos legais que prevêm a imunidade, não incidência ou isenção do impôsto de circulação de mercadorias;
f) indicação, quando fôr o caso, do número e data da guia de recolhimento e identificação do respeectivo órgão arrecadador, quando o produtor deva recolher o impôsto de circulação de mercadorias;
g) indicação, quando fôr o easo, dos dispositivos legais que prevêm o diferimento ou a suspensão do recolhimento do impôsto de circulação de mercadorias;
h) declaração quando fôr o caso de que o impôsto de circulação de mercadorias será recolhido pelo estabeleeimento destinatário;
II - emitir Nota Fiscal de Produtor para o armazém geral a fim de acompanhar o transporte das mercadorias, contendo os requisitos exigidos e especialmente;
a) valor da operação;
b) natureza da operação: «Outras saídas - para depósito por conta e ordem de terceiros;
c) nome, endereço e números de inscrição, estadual e no CGC, do estabeleeimento destinatário e depositante;
d) número e data da Nota Fiscal de Produtor referida no inciso anterior;
e) indicação, quando fôr o caso, dos dispositivos legais que prevêm a imunidade, não incidência ou isenção do impôsto de circulação de mercadorias;
f) indicação, quando fôr o caso, do número e da data da guia de recolhimento e identifigação do respectivo órgão arrecadador, quando o produtor deva recolher o impôsto de circulação de mercadorias;
g) indicação, quando fôr o caso, dos dispositivos legais que prevêm o diferimento ou a suspensão do recolhimento do impôsto de circulação de mercadorias;
h) declaração, quando fôr o caso, de que o impôsto de circulação de mercadorias será recolhido pelo estabeleeimento destinatário.

§ 1.º - O estabeleeimento destinatário e depositante deverá:

1. - emitir Nota Fiscal de Entrada contendo os requisitos exigidos e, especialmente:
a) número e data da Nota Fiscal de Produtor emitida na forma do inciso I dêste artigo;
b) número e data da guia de recolhimento do impôsto de circulação de mercadorias referida no inciso I, alínea "f", dêste artigo, quando fôr o caso;
c) circunstância de que as mercadorias foram entregues no armazém geral, mencionando-se endêreço e números de inscrição, estadual e no CGC, dêste;
2. - emitir Nota Fiscal para armazém geral, dentro de 10 (dez) dias, contados da data da entrada efetiva das mercadorias no referido armazém, relativa à saida simbólica, contendo os requisitos exigidos e, especialmente:
a) valor da OPERAÇÃO:
b) natureza da operação: "Outras saídas - remessa para depósito";
c) destaque do impôsto de circulação de mercadorias se devido;
d) circunstância de que as mercadorias foram entregues diretamente ao armazém geral, mencionando-se número e data da Nota Fiscal de Produtor, emitida na forma do inciso I, pelo produtor agropecuário, bem como nome, enderêço e número de inscrição estadual dêste;
3. - remeter a Nota Fiscal aludida no item anterior ao armazém geral, dentro de 5 (cinco) dias, contados da data da sua emissão.

§ 2.º - O armazém geral registrará a Nota Fiscal referida no item 2 do parágrafo anterior, anotando na coluna "Observações", o número e data da Nota Fiscal de Produtor a que alude o inciso II, bem como nome, enderêço e número de inscrição estadual do produtor agropecuário remetente.

Artigo 86 - E - Nos casos de transmissão de propriedade de mercadorias quando estas permanecerem no armazem geral, situado na mesma unidade da Federação do estabelecimento depositante e transmitente, êste emitirá Nota Fiscal para o estabelecimento adquirente, contendo os requisitos exigidos e, especialmente:
I - valor da operação;
II - natureza da operação;
III - destaque do impôsto de circulação de mercadorias se devido;
IV - circunstância de que as mercadorias se encontram depositadas no armazém mencionando-se enderêço e números de inscrição, estadual e no CGC, dêste.

§ 1.º - Na hipótese dêste artigo o armazém geral emitirá Nota Fiscal para o estabelecimento depositante e transmitente, sem destaque do impôsto de circulação de mercadorias, contendo os requisitos exigidos e, especialmente:

1. - valor das mercadorias, que corresponderá àquele atribuido por ocasião de sua entrada no armazém geral;
2. - natureza da operação: "Outras saídas - retôrno simbólico de mercadorias depositadas";
3 - número, série e subsérie e data da Nota Fiscal emitida pelo estabelecimento depositante e transmitente na forma do "caput" dêste artigo;
4. - nome, enderêço, e números de inserição, estadual e no CGC, do estabelecimento adquirente.

§ 2.º - A Nota Fiscal a que alude o parágrafo anterior será enviada ao estabelecimento depositane e transmitente que deverá registrá-la
na coluna própria do Registro de Entradas, dentro de 10 (dez) dias contados da data da sua emissão.

§ 3.º - O estabelecimento adquirente, deverá registrar a Nota Fiscal referida no "caput" dêste artigo, na coluna própria do Registro de Entradas, dentro de 10 (dez) dias, contados da data da sua emissão.

§ 4.º - No prazo referido no parágrafo anterior, o estabelecimento adquirente emitirá Nota Fiscal para o armazém geral, sem destaque do impôsto de circulação de mercadorias contendo os requisitos exigidos e, especialmente:

1 - valor das mercadorias, que corresponderá ao da Nota Fiscal emitida pelo estabelecimento depositante e transmitente, na forma do «caput» dêste artigo;
2. - natureza da operação: «Outras saídas-remessa simbólica de mercadorias depositadas»;
3 - número série e subsérie e data da Nota Fiscal emitida na forma do «caput» dêste artigo, pelo estabelecimento depositante e transmitente, bem como nome, enderêço e número de inscrição, estadual e no CGC, dêste.

§ 5.º - Se o estabelecimento adquirente se situar em unidade da Federação diversa do armazém geral, na Nota Fiscal a que se refere o parágrafo anterior será efetuado o destaque do impôsto de circulação de mercadorias, se devido.

§ 6.º - A Nota Fiscal a que alude o § 4.° será enviada dentro de 5 (cinco) dias, contados da data da sua emissão ,ao armazém geral, que deverá registrá-la no Registro de Entradas, dentro de 5 (cinco) dias, contados da data de seu recebimento.

Artigo 86 - F - Na hipótese do artigo anterior, se o depositante e transmitente fôr produtor agropecuário, deverá emitir Nota Fiscal de Produtor para o estabelecimento adquirente, contendo os requisitos exigidos e, especialmente:
I - valor da operação;
II - natureza da operação;
III - indicações, quando ocorrer uma das hipóteses a baixo:
a) dos dispositivos legais que prevêm a imunidade, não incidência isenção do impôsto de circulação de mercadorias;
b) do número e da data da guia de recolhimento e identificação do respectivo órgão arrecadador quando o produtor deva recolher o impôsto de circulação de mercadorias;
c) dos dispositivos legais que prevêm o diferimento ou a suspensão do recolhimento do impôsto de circulação de mercadorias;
d) da declaração de que o impôsto de circulação de mercadorias será recolhido pelo estabelecimento destinatário;
IV - circunstância de que as mercadorias se encontram depositadas em armazém geral, mencionando-se endereço e números de inscrição, estadual e no CGC, dêste.

§ 1.º - Na hipótese dêste artigo o armazém geral emitirá Nota Fiscal para o estabelecimento adquirente, sem destaque do impôsto de circulação de mercadorias, contendo os requisitos exigidos e, especialmente:

1. - valor da operação, que corresponderá ao da Nota Fiscal de Produtor. emitida pelo produtor agropecuário na forma do «caput» dêste artigo;
2. - natunreza da operação: «Outras saídas remessas por conta e ordem de terceiros»;
3. - número e data da Nota Fiscal de Produtor emitida na forma do "caput" dêste artigo pelo produtor agropecuário, bem como nome, endereço e
número de inscrição estadual deste; 4. - número e data da guia de recolhimento do impôsto de circulação de mercadorias referida no inciso III, alínea «b», dêste artigo, quando fôr o caso.

§ 2.º - O estabelecimento adquirente deverá:
1. - emitir Nota Fiscal de Entrada contendo os requisitos exigidos e,especialmente:
a) número e data da Nota Fiscal de Produtor emitida na forma, do "caput" dêste artigo;
b) número e data da guia de recolhimento do impôsto de circulação de mercadorias referida no inciso III, alínea "b', dêste artigo:
c) circunstância de que as mercadorias se encontram depositadas no armazém geral, mencionando-se endereço e números de inscrição, estadual e no CGC, dêste;

§ 2. - emitir, na mesma data da emissão da Nota Fiscal de Entrada, Nota Fiscal para o armazém geral, sem destaque do impôsto de circulação de mercadorias, contendo os requisitos exigidos e, especialmente:

a) valor da operação, que corresponderá ao da Nota Fiscal de Produtor emitida pelo produtor agropecuário, na forma do "caput" dêste artigo;
b) natureza da operação: "Outras saídas-remessa simbólica de mercadorias depositadas";
c) números e datas da Nota Fiscal de Produtor e da Nota Fiscal de Entrada, bem como nome e endereço do produtor agropecuário.

§ 3.º - Se o estabelecimento adquirente se situar em unidade da Federação diversa do armazém geral, na Nota Fiscal a que se refere o item 2 do parágrafo anterior, será efetuado o destaque do impôsto de circulação de mercadorias, se devido.

§ 4.º - A Nota Fiscai a que alude o item 2 do § 2.°, será enviada, dentro de 5 (cinco) dias, contados da data da sua emissão, ao armazém geral, que deverá registrá-la no Registro de Entradas, dentro de 5 (cinco) dias contados da data do seu recebimento.

Artigo 86 - G - Nos casos de transmissão de propriedade de mercadorias quando estas permanecerem no armazém geral situado em unidade da Federação diversa do estabelecimento depositante e transmitente, êste emitirá Nota Fiscal para o estabelecimento adquirente sem destaque do impôsto de circulação de mercadorias, contendo os requisitos exigidos e, especialmente:
I - valor da operação;
II - natureza da operação;
III - circunstância de que as mercadorias se encontram depositadas em armazém geral, mencionando-se endereço e números de inscrição, estadual e no CGC, dêste.

§ 1.º - Na hipótese deste artigo, o armazém geral emitirá:

1. - Nota Fiscal para o estabelecimento depositante e transmitente, sem destaque do impôsto de circulação de mercadorias, contendo os requisitos exigidos e, especialmente:
a) - valor das mercadorias, que corresponderá aquêle atribuído por ocasião de sua entrada no armazém geral;
b) natureza da operação: "Outras saídas - retôrno simbólico de mercadorias depositadas",
c) número série e subsérie e data da Nota Fiscal emitida pelo estabelecimento depositante e transmitente, na forma do "caput" dêste artigo;
d) nome, endereço e números de inscrição, estadual e no CGC, do estabelecimento adquirente;
2. - Nota Fiscal para o estabelecimento adquirente, contendo os requisitos exigidos e, especialmente:
a) valor da operação, que corresponderá ao da Nota Fiscal emitida pelo estabelecimento depositante e trasmitante, na forma do "caput" dêste artigo; de mercadorias por conta da operação: "Outras saidas-tramissão de prorpiedade de mercadorias por conta e ordem de terceiros";
c) destaque do impôsto de circulação de mercadorias, se devido;
d) número, série e subsérie e data da Nota Fiscal emitida na forma do "caput" dêste artigo, pelo estabelecimento depositante e trasmitente, bem commo nome, endereço e número de inscrição, estadual e CGC, dêste

§ 2.º - A Nota Fiscal a que alude o ítem 1 do parágrafo anterior, será enviada dentro de 5 (cinco) dias, contados da data da sua emissão, ao estabelecimento depositante e trasmitente, que deverá registrá-la na coluna própria do Registro de Entrada, dentro de 5 (cinco) dias, contados da data de seu recebimento.

§ 3.º - A nota Fiscal a que alude o ítem 2 do parágrafo 1.°será enviada dentro de 5 (cinco) dias, contados da data de sua emissão, ao estabelecimento adquirente que deverá regisrá-la, na coluna própria do Regisro de Entrada, dentro de 5 (cinco) dias da data de seu recebimento, acrescentado centados na coluna "Observações" do Registro de Entradas, o número, série e subsérie e data da Nota Fiscal referida no "caput" dêste artigo, bem como nome, endereço e número de inscrição, estadual e no CGC, do estabelecimento deopsitante e trasmitente.

§ 4.º - No prazo referido no parágrafo anterior, o estabelecimento adquirente emitirá Nota Fiscal para o armazém geral, sem destaque do impôsto de circulação de mercadorias, contendo os requisitos exigidos e, especialmente:

1. - valor da operação, que corresponderá ao da Nota Fiscal emitida pelo estabelecimento depositante e transmitente, na forma do "caput" deste artigo;
2. - natureza da operação: "Outras saidas - remessa simbólica de mercadorias depositadas";
3. - número, série e subsérie e data da Nota Fiscal emitida na forma do "caput" deste artigo, pelo estabelecimento depositante e transmitente , bem como nome, endereço e números de inscrição, estadual e no CGC, dêste.

§ 5.º - Se o estabelecimento adquirente se situar em unidade da Federação diversa do armazém geral, na Nota Fiscal a que se refere o parágrafo anterior será efetuado o destaque do impôsto de circulação de mercadorias, se devido.

§ 6.º - A Nota Fiscal a que alude o parágrafo 4.° será enviada dentro de 5 (cinco) dias, contados da data da sua emissão, ao armazém geral, que deverá registrá-la no Registro-de Entradas, dentro de 5 (cinco) dias, contados da data de seu recebimento.

Artigo 86 - H - Na hipótese do artigo anterior, se o depositante e transmitente fôr produtor agropecuário, aplicar-se-á o disposto no artigo 86-F.
Artigo 86 - I - Nas vendas à ordem. ou para entrega futura, poderá ser emitida Nota Fiscal, com destaque do impôsto de circulação de mercadorias, quando devido, mencionando-se no documento que a emissão se destina a simples faturamento.

§ 1.º - Na hipótese dêste artigo, o impôsto de circulação de mercadorias, incidente sôbre a saída, será antecipadamente recolhido pelo vendedor, por ocasião da venda.

§ 2.º - As 1.ª e 2.ª vias da Nota Fiscal emitida na forma deste artigo serão, pelo vendedor, remetidas ao comprador.

§ 3.º - Por ocasião da entrega global ou parcelada das mercadorias ao comprador ou a terceiros, será emitida, pelo vendedor, Nota Fiscal sem indicação do impôsto. Serão, porem, obrigatoriamente indicados o número, a data e o valor da operação, constante da nota relativa à venda e, nos casos de venda à ordem, da Nota Fiscal extraída por aquêle a cuja ordem foi feita a entrega. Êste, por sua vez, remeterá ao destinatário as 1.ª e 2.ª vias da Nota Fiscal que emitir, cujo valor, no caso de transmissão de propriedade das mercadorias, será o da respectiva operação.

§ 4.º - Provado, em qualquer caso, que a venda se desfez antes da saída das mercadorias e que o comprador estornou o crédito correspondente à compra, poderá o vendedor requerer a compensação do impôsto pago.

Artigo 86 - J - Na saída de mercadorias para realização de operações fora do estabelecimento, inclusive por meio de veículos, o contribuinte emitirá Nota Fiscal na qual, além das exigências previstas no artigo 74, será feita a indicação dos números e respectivas séries e subseries das Notas Fiscais a serem emitidas por ocasião das entregas das mercadorias.

§ 1.º - por ocasião do retôrno do veículo, o estabelecimento arquivará a 1.ª via da Nota Fiscal relativa a remessa e emitirá a Nota Fiscal de Entrada a fim de se creditar do impôsto de circulação de mercadorias pago em relação as mercadorias não entregues, mediante o lançamento dêsse documento no Registro de Entradas.

§ 2.º - Os contribuintes que operarem na conformidade dêste artigo por intermédio de prepostos fornecerão, a êstes, documento comprobatório de sua condição.

Artigo 86 - L - Nas operações em que um estabelecimento mandar industrializar dustrializar mercadorias, com fornecimento de materias-primas, produtos intermediários e material de embalagens, adquiridos de outro, os quais, sem transitar pelo estabelecimento adquirente, forem entregues pelo fornecedor diretamente ao industrializador, observar-se-á o disposto neste artigo.

§ 1.º - O estabelecimento fornecedor deverá:

1. - emitir Nota Fiscal em nome do estabelecimento adquirente, da qual, além das exigências previstas no artigo 74, constarão também nome, enderêço e números de inscrição, estadual e no CGC, do estabelecimento em que os produtos serão entregues, bem como a circunstância de que se destinam a industrialização;
2. - efetuar na Nota Fiscal referida no item anterior o destaque do impôsto de circulação de mercadorias, quando devido, que será aproveitado como crédito pelo adquirente, se fôr o caso;
3. - emitir Nota Fiscal, sem destaque do impôsto, para acompanhar o transporte das mercadorias ao estabelecimento industrializador, mencionando, além das exigências previstas no artigo 74, número, série e subsérie e data da Nota Fiscal referida no item 1 e nome, endereço e números de inscrição, estadual e no CGC, do adquirente, por cuja conta e ordem a mercadoria será industrializada.

§ 2.º - O estabelecimento industrializador deverá: 1. - emitir Nota Fiscal, na saída do produto industrializado com destino ao adquirente, autor da encomenda, da qual, além das exigências previstas no artigo 74, constarão o nome, enderêço e números de inscrição, estadual e no CGC, do fornecedor e número, série e subsérie e data da Nota Fiscal por êste emitida, bem como o valor da mercadoria recebida para industrialização e o valor total cobrado do autor da encomenda, destacando destes, o valor das mercadorias empregadas;

2. - efetuar na Nota Fiscal referida no item anterior, sôbre o valor total cobrado do autor da encomenda, o destaque do impôsto de circulação de mercadorias, que será aproveitado como crédito pelo autor da encomenda, se fôr o caso.
Artigo 86 - M - Na hipótese do artigo anterior, se as mercadorias tiverem que transitar por mais de um estabelecimento industrializador, antes de serem entregues ao adquirente, autor da encomenda, cada industrializador deverá:
I - emitir Nota Fiscal para acompanhar o transporte das mercadorias ao industrializador seguinte, sem destaque do impôsto de circulação de mercadoiras contendo também, além das exigências previstas no artigo 74:
a) a indicação de que a remessa se destina a industrialização por conta e ordem do adquirente, autor da encomenda, que será qualificado nessa nota;
b) a indicação do número, série e subsérie e data da Nota Fiscal e nome, enderêço e números de inscrição, estadual e no CGC, do seu emitente, pela qual foram as mercadorias recebidas em seu estabelecimento;
II - emitir Nota Fiscal em nome do estabelecimento adquirente, autor da encomenda, contendo também, além das exigências previstas no artigo 74:
a) a indicação do número, série e subsérie e data da Nota Fiscal e nome, endereço e números de inscrição, estadual e no CGC, do seu emitente, pela   qual foram as mercadorias recebidas em seu estabelecimento;
b) a indicação do número, série e subsérie e data da Nota Fiscal referida   no inciso anterior;  
c) o valor das mercadorias recebidas para industrialização, e o valor   total cobrado do autor da encomenda, destacando deste, o valor das mercadorias   empregadas;  
d) o destaque, sôbre o valor total cobrado do autor da encomenda, do impôsto de circulação de mercadorias, que será aproveitado como crédito, pelo autor da encomenda, se fôr o caso.
Artigo 86 - N - Fora dos casos previstos nas legislações dos impostos sôbre produtos industrializados e de circulação de mercadorias é vedada a emissão de Nota Fiscal que não corresponda a uma efetiva saída de mercadorias.
Artigo 86 - 0 - A Nota Fiscal será extraída no mínimo em 3 (três) vias ou, em se tratando de saída de mercadorias para outra unidade da Federação, no mínimo em 5 (cinco) vias.
Artigo 86 - P - Na saída de mercadorias para destinatário localizado neste Estado, as vias da Nota Fiscal terão o seguinte destino:  
I - a 1.ª e 2.ª vias acompanharão as mercadorias no seu transporte,   para serem entregues, pelo transportador, ao destinatário;  
II - a 3.ª via ficará prêsa ao bloco, para exibição ao Fisco.  

§ 1.º - O destinatário conservará a 1.ª via em seu poder, pelo prazo de 3 (três) anos e a 2.ª via pelo de 1 (um) ano.  

§ 2.º - O Fisco poderá, ao interceptar as mercadorias na sua movimentação, reter a 2.ª via da respectiva Nota Fiscal, visando a 1.ª via, podendo, também,   arrecadar as 2.ªs vias em poder do destinatário.

§ 3.º - Destinando-se a mercadoria a praça diversa da do emitente da   Nota Fiscal e sendo o transporte feito por qualquer via, exceto a rodoviária, as 1.ª .  e 2.ª vias acompanharão a mercadoria até o local do despacho; realizado êste, serão pelo emitente, juntamente com o conhecimento do despacho, remetidas ao destinatário.

§ 4.º - Na hipótese do parágrafo anterior, do armazém ou estação empresa transportadora de onde fôr retirada a mercadoria, será esta acompanhada,   até o local de destino, pelas 1.ª e 2.ª vias da Nota Fiscal recebidas pelo destinatário.  

§ 5.º - Na hipótese prevista no parágrafo 6.º do artigo 101, a última via será substituída pela fôlha do copiador especial ali mencionado.  

Artigo 86 - Q - Na saída para outra unidade da Federação, as vias da Nota Fiscal terão o seguinte destino:
I - a 1.ª via acompanhará as mercadorias e será entregue, pelo transportador, ao destinatário;
II - a 2.ª via será entregue diretamente pelo emitente:
a) no caso de remessa por vias internas, à Agência Municipal de Estatística da Fundação do Instituto Brasileiro de Geografia e Estatística que o Jurisdiciona, até o dia 10 (dez) de cada mês subsequente ao da emissão;
b) no caso de ser utilizado transporte marítimo, juntamente com uma cópia adicional, quando da remessa da mercadoria para despacho, à Repartição   Aduaneira, que a encaminhará ao órgão regional de estatística da respectiva unidade da Federação, arquivando a cópia;
III - a 3.ª via acompanhará as mercadorias e destinar-se-á a fins de contrôle na unidade da Federação do destinatário;
IV - a 4.ª via acompanhará a mercadoria no seu transporte e poderá ser arrecadada pelo Fisco dêste Estado, mediante visto na 1.ª via;  
V - a 5.ª via ficará presa ao bloco, para exibição ao Fisco. 


Parágrafo único - Na hipótese prevista no parágrafo 6.° do artigo 101, a última via será substituída pela fôlha do copiador especial ali mencionado. 

Artigo 86 - R - Na saída para o exterior, a Nota Fiscal será emitida:
I - se as mercadorias forem embarcadas neste Estado, na forma prevista no artigo 86-P;
II - se o embarque se processar em outra unidade da Federação será emitida uma via adicional que será entregue ao Fisco Estadual do local de embarque.

§ 1.º - Na hipótese do inciso I, a 1.ª e a 2.ª vias acompanharão a mercadoria até o local de embarque, neste Estado, onde serão entregues á repartição fiscal, que reterá a 2.ª via e visará a 1.ª, servindo esta como autorização de embarque.

§ 2.º - Na hipótese do inciso II, o emitente antes da saída da mercadoria de seu estabelecimento entregará a 2.ª via da nota a repartição fiscal a que esteja subordinado, que visará a 1.ª e a via adicional, as quais acompanharão a mercadoria no transporte.

Artigo 86 - S - Na saída de produtos industrializados de origem nacional, com destino à Zona Franca de Manaus a Nota Fiscal será emitida em 6 (seis) vias, que terão o seguinte destino:
I - a 1.ª via, depois de visada previamente pelo Pôsto Fiscal a que estiver subordinado o contribuinte, acompanhará as mercadorias e será entregue ao destinatário;
II - a 2.ª via será entregue diretamente pelo emitente:
a) no caso de remessa por vias internas, à Agência Municipal de   Estatística da Fundação do Instituto Brasileiro de Geografia e Estatística que   o jurisdiciona, até o dia 10 (dez) de cada mês subsequente ao da emissão;
b) no caso de ser utilizado transporte marítimo, juntamente com uma cópia adicional, quando da remessa das mercadorias para despacho, à Repartição Aduaneira, que a encaminhará ao órgão regional de estatística da respectiva unidade da Federação, arquivando a cópia;
III - a 3.ª via, devidamente visada, acompanhará as mercadorias e destinar-se-á a fins de contrôle na unidade da Federação do destinatário:
IV - a 4.ª via, devidamente visada, acompanhará as mercadorias   até o local de destino, devendo ser devolvida á repartição fiscal referida no inciso I;
V - a 5.ª via será retida pela repartição do Fisco estadual no momento do «visto», a que alude o inciso I;
VI - a 6.ª via ficará presa ao bloco, para exibição ao Fisco.

§ 1.º - Dentro do prazo de 120 (cento e vinte) dias, contados da data da emissão da Nota Fiscal, o contribuinte fica obrigado a provar que houve entrega real das mercadorias, na Zona Franca de Manaus, a seu destinatário.

§ 2.º - A prova será produzida mediante a apresentação de uma das vias do conhecimento de transporte e da 4.ª via da Nota Fiscal, datadas e visadas pela Superintendência da Zona Franca de Manaus (SUFRAMA), a repatição fiscal mencionada no inciso I, que reterá a via da Nota Fiscal e visará o conhecimento de transporte, devolvendo-o ao contribuinte.

§ 3.º - Na hipótese em que não haja emissão de conhecimento de transporte, a exigência desse documento será suprida por declaração do transportador, devidamente datada e visada pela Superintendência da Zona Franca de Manaus (SUFRAMA), de que as mercadorias foram entregues ao destinatário.

§ 4.º - O prazo a que se refere o § 1.º, a critério do Fisco, poderá ser prorrogado por mais 60 (sessenta) dias.

§ 5.º - Será facultada ao contribuinte a emissão de Nota Fiscal em 5 (cinco) vias, sendo a 5.ª via prêsa ao bloco, caso em que será oferecida, para os fins do inciso V, cópia de uma das vias da Nota Fiscal.

CAPÍTULO III

Da Nota Fiscal de Venda a Consumidor
Artigo 87 - Nas vendas a vista, a consumidores, em que as mercadorias forem retiradas pelo comprador, poderá ser emitida, em substituição à Nota Fiscal, modelo 1, a Nota Fiscal de Venda a Consumidor, modêlo 2.

§ 1.º - A Nota Fiscal de Venda a Consumidor será extraída, no mínimo, em 2 (duas) vias, sendo a 1.ª via entregue ao comprador e a 2.ª via prêsa ao bloco, para exibição ao Fisco.

§ 2.º - A emissão da Nota Fiscal de Venda a Consumidor somente será obrigatória se a operação fôr de valor igual ou superior a Cr$ 5,00 (cinco cruzeiros).

Artigo 88 - A Nota Fiscal de Venda a Consumidor conterá as seguintes indicações:
I - a denominação «Nota Fiscal de Venda a Consumidor»;
II - o número de ordem, série e subsérie e o número da via;
III - a data da emissão;
IV - o nome, o endereço e os números de inscrição, estadual e no CGC, do estabelecimento emitente;
V - a discriminação das mercadorias, quantidade, marca, tipo, modêlo, espécie, qualidade e demais elementos que permitam sua perfeita identificação;
VI - os valôres, unitário e total, das mercadorias e o valor total da operação;
VII - o nome, o enderêço e os números de inscrição, estadual e no CGC, do impressor da nota, a data e a quantidade da impressão, o número de ordem da primeira e da última nota impressa e respectiva série e subsérie.

§ 1.º - As indicações dos incisos I, II, IV e VII serão impressas.

§ 2.º - A Nota Fiscal de Venda a Consumidor será de tamanho não inferior a 7,4 x 10,5 cm., em qualquer sentido.

Artigo 89 - Em substituição a Nota Fiscal de Venda a Consumidor poderá ser autorizada a emissão de Cupom de Máquinas Registradoras ou de Nota Fiscal Simplificada.

§ 1.º - Na hipótese dêste artigo, os documentos fiscais deverão conter,

1 - Cupom de Maquinas Registradoras:
a) o nome, o enderêço e os números de inscrição, estadual e no CGC, do emitente;
b) a data da emissão: dia, mês e ano;
c) o número de ordem da operação;
d) o valor total da operação;
2 - Nota Fiscal Simplificada:
a) a denominação «Nota Fiscal Simplificada» e o número de ordem;
b) a natureza da operação: venda a consumidor;
c) a data da emissão: dia, mês e ano;
d) o nome, o enderêço e os números de inscrição, estadual e no CGC, do emitente;
e) o valor total da operação;
f) o nome, o enderêço e os numeros de inscrição, estadual e no CGC, do impressor da nota, a data e a quantidade da impressão, o número de ordem da primeira e da última nota impressa e respectiva série e subsérie.

§ 2.º - As indicações das alíneas «a», «b», «d» e «f» do item 2 do parágrafo anterior, serão impressas.

§ 3.º - A Nota Fiscal Simplificada terá a dimensão de 7,4 x 10,5 cm., em qualquer sentido.

Artigo 90 - As saidas a consumidor, de mercadorias de valor inferior a Cr$ 5,00 (cinco cruzeiros), em relação às quais não tenha sido emitido documento fiscal, serão escrituradas em borrador especial, autenticado pela repartição fiscal. 

Parágrafo único - Ao fim do dia, o contribuinte emitirá uma única Nota Fiscal de Venda a Consumidor, pelo total das operações anotadas no borrador, procedendo ao seu lançamento no "Registro de Saídas".

CAPÍTULO IV

DA NOTA FISCAL DE ENTRADA
Artigo 91 - Os estabelecimentos, excetuados os de produtores, emitirão a Nota Fiscal de Entrada sempre que no estabeleeimento entrarem mercadorias, real ou simbólicamente:
I - novas ou usadas, remetidas a qualquer título, por particulares, produtores, bem como por pessoas físicas ou jurídicas não obrigadas a emissão de documentos fiscais;
II - em retõrno, quando remetidas por profissionais autônomos ou avulsos aos quais tenham sido enviadas para industrialização;
III - em retôrno de exposições ou feiras para as quais tenham sido remetidas exclusivamente para fins de exposição ao público;
IV - em retôrno de remessas feitas para venda fora do estabelecimento, inclusive por meio de veículos;
V - estrangeiras, importadas diretamente, bem como as arrematadas em leilão ou adquiridas em concorrência, promovidos pelo Poder Público;
VI - em outras hipóteses previstas na legislação.

§ 1.º - O documento previsto neste artigo servirá para acompanhar o trânsito das mercadorias até o local do estabelecimento emitente, nas seguintes hipóteses:

1. - quando o estabeleeimento destinatário assumir o encargo de retirar ou de transportar as mercadorias, a qualquer título, remetidas por particulares ou por produtores, do mesmo ou de outro Município;
2. - nos retornos a que se referem os incisos II e III;
3. - nos casos do inciso V.

§ 2.º - A Nota Fiscal de Entrada será também emitida pelos contribuintes nos casos de retôrno de mercadorias não entregues ao destinatário.

§ 3.º - Na hipótese do item 3 do §1.º, o transporte das mercadorias do local do desembaraço ao estabelecimento do importador ou arrematante, será acompanhado pelo documento de desembarago expedido pela repartição competente do Fisco federal e pela Nota Fiscal de Entrada.

§ 4.º - Se o transporte referido no parágrafo anterior fôr feito parceladamente, cada operação de transporte será acompanhada pelo documento de desembaraço e por nova Nota Fiscal de Entrada, na qual se mencionará o número e data da Nota Fiscal de Entrada original, bem como a declaração de que o impôsto de circulação de mercadorias, se devido, foi recolhido.

Artigo 92 - A Nota Fiscal de Entrada conterá as seguintes indicações:
I - a denominação "NOTA FISCAL DE ENTRADA";
II - o número de ordem, série e o número da via;
III - a data da emissão;
IV - o nome, o endereço e os números de inserição, estadual e no CGC, do emitente;
V - o nome, o endereço e os números de inscrição, estadual e no CGC, do remetente, quando se tratar de pessoa obrigada à inserição;
VI - a discriminação das mercadorias entradas: quantidade, marca, tipo, modêlo, espécie, qualidade e demais elementos que permitam sua perfeita identificação;
VII - o valor unitário e o valor total das mercadorias;
VIII - o nome, o enderêço e os números de inscrição ,estadual e no CGC, do impressor da nota, a data e a quantidade da impressão, o número de ordem da primeira e da última nota impressa e respectiva série e subsérie, e o número da autorização de impressão de documentos fiscais;
IX - a natureza da operação de que decorreu a entrada.

§ 1.º - As indicações constantes dos incisos I, II, IV e VIII serão impressas.

§ 2.º - Na hipótese do inciso IV do artigo anterior, a Nota Fiscal de Entrada conterá, ainda, as seguintes indicações:
1. - o valor das operações realizadas fora do estabelecimento;
2. - o valor das operações realizadas fora do estabelecimento, em outra unidade da Federação;
3. - os números e respectivas séries e subséries das Notas Fiscais emitidas por ocasião das entregas das mercadorias.

§ 3.º - Na hipótese do inciso V do artigo anterior a Nota Fiscal de Entrada conterá, ainda, a identificação da repartição onde se processou o desembaraço, bem como o número e a data do documento de desembaraço.

§ 4.º - A Nota Fiscal de Entrada será de tamanho não inferior a 14,8 x 21 cm., em qualquer sentido.

Artigo 93 - A Nota Fiscal de Entrada será emitida, conforme o caso:
I - no momento em que as mercadorias entrarem no estabelecimento;
II - no momento da aquisição da propriedade, quando as mercadorias não devam transitar pelo estabelecimento do adquirente;
III - antes de iniciada a remessa, nos casos previstos no § 1.º do artigo 91. 


Parágrafo único - A emissão da Nota Fiscal de Entrada, na hipótese do item 1 do §1.° do artigo 91, não exclui a obrigatoriedade da emissão da Nota Fiscal de Produtor. 

Artigo 94 - A Nota Fiscal de Entrada será emitida no mínimo em 3 (três) vias, que terão o seguinte destino:
I - Nas hipóteses dos incisos I e II do artigo 91:
a) as 1.ª e 2.ª vias serão entregues ou enviadas ao remetente, até 15 (quinze) dias da data do recebimento das mercadorias;
b) a 3.ª via ficará prêsa ao bloco, para exibição ao Fisco;
II - Nas hipóteses dos incisos III, IV e V do artigo 91:
a) a 1.ª via ficará em poder do emitente, pelo prazo de 1 (um) ano;
b) - a 2.ª via ficará em poder do emitente, pelo prazo de 1 (um) ano, caso não tenha sido retida pelo Fisco ao interceptar as mercadorias na sua movimentação;
c) a 3.ª via ficará prêsa ao bloco, para exibição ao Fisco. 


Parágrafo único - Quando o remetente da mercadoria fôr produtor, êste enviará a repartição a que estiver subordinado a 2.ª via da Nota Fiscal de Entrada, no prazo fixado no §3.° do artigo 97-A, juntamente com a 2.ª via da respectiva Nota Fiscal de Produtor, salvo se esta tiver sido retida pelo Fisco.

CAPÍTULO 'V

Da Nota Fiscal de Produtor
Artigo 95 - Os estabelecimentos de produtores não equiparados a comerciantes ou industriais emitirão Nota Fiscal de Produtor.
I - sempre que promoverem a saída de mercadorias;
II - na transmissão de propriedade de mercadorias;
III - em outras hipóteses previstas na legislação.

§ 1.º - Fica dispensada a emissão de Nota Fiscal de Produtor no transporte manual de produtos da agricultura e da criação e seu derivados, excluida a condução de rebanhos.

§ 2.º - Poderá a dispensa da emissão da Nota Fiscal de Produtor ser estendida a outras hipóteses, mediante ato do Coordenador da Administração Tributária da Secretaria da Fazenda.

§ 3.º - A dispensa da Nota Fiscal de Produtor sómente será determinada uma vez verificado que a medida, sem prejudicar a arrecadação, poderá conciliar os interêsses dos contribuintes com os do Fisco.

Artigo 96 - A Nota Fiscal de Produtor conterá as seguintes indicações:
I - a denominação "Nota Fiscal de Produtor";
II - o nome do remetente, sua inscrição estadual e no C.G.C., quando a esta ultima esteja obrigado, a denominação da propriedade, o município de sua localização e o número de código dêste;
III - o número de ordem da nota e o número da via;
IV - o nome, o enderêço e os números de inscrição, estadual e no C.G.C., do estabelecimento destinatário, salvo se êste não estiver obrigado a inscrição;
V - a natureza da operação de que decorrer a saída: venda transferência , devolução, consignação, remessa para fins de demonstração ou beneficiamento , etc.;
VI - a data da emissão;
VII - a data da saída efetiva das mercadorias do estabelecimento emitente;
VIII - a discriminação das mercadorias, o seu preço ou, em sua falta, o valor, êste nunca inferior ao corrente, e o total da operação;
IX - o destaque do impôsto de circulação de mercadorias, quando fôr o caso:
X - o nome do transportador, seu endereço e a placa do veículo;
XI - o nome, endereço e os números de inscrição estadual e no C. G.O., de impressor da nota, a data e a quantidade da impressão e o número da autorização para impressão de documentos fiscais.

§ 1.º - As indicações dos incisos I, II, III e XI serão impressas.

§ 2.º - A indicação do inciso IX só será exigida nas operações interestaduais em que a responsabilidade pelo recolhimento do tributo seja do emitente,hipótese em que a Nota Fiscal de Produtor conterá, também a indicação da guia pela qual foi recolhido o impôsto.

§ 3.º - Tratando -se de operação amparada por imunidade, não incidência ou isençãodo imposto de circulação de maercadorias,essa circunstância será mencionada na nota.

§ 4.º - Na hipótese de operação com preço a fixar, essa condição será declarada no documento emitido.

§ 5.º - A nota Fiscal de Produtor não conterá indicação de série ou subsérie.

Artigo 97 - A Nota Fiscal de Produtor será extraida no minimo em 3 (três) vias ou, em se tratando de saida de mercadorias para outra unidade da Federação, no minimo em 5 (cinco) vias.
Artigo 97 - A - Na saida de mercadoria para destinatário localizado nêste Estado, as vias da Nota Fiscal de Produtor terão o seguinte destino:
I - a l.º e 2.º vias acompanharão as mercadorias no seu transporte, para serem entregues, pelo transportador, ao destinatário:
II - a 3.º via ficará prêsa ao bloco, para exibição ao Fisco.

§ 1.º - O destinatário conservará a l.º via em seu poder, pelo prazo de 3 (três) anos e devolverá a 2.º via ao emitente, juntamente com as l.º e 2.º vias da Nota Fiscal de Entrada a que se refere o artigo 91.

§ 2.º - O Fisco poderá, ao interceptar as mercadorias na sua movimentação, reter a 2.º via da respectiva Nota Fiscal de Produtor, visando a 1.º via.

§ 3.º - A 2.º via da Nota Fiscal de Produtor e a 2.º via da Nota Fiscal de Entrada, recebidas pelo produtor na forma- do §1°, serão por êste entregues á repartição fiscal a que estiver subordinado, nos seguintes prazos.
1 - até 31 de julho: as notas emitidas nos meses de Janeiro a junho;
2 - até 31 de Janeiro: as notas emitidas nos meses de julho a dezembro do ano anterior.

§ 4.º - Destinando-se a mercadoria a praca diversa da do emitente da Nota Fiscal de Produtor e sendo o transporte feito por qualquer via, exceto a rodoviaria, as 1.º e 2.º vias acompanharão a mercadoria até o local do despacho; realizado este, serão, pelo emitente, juntamente com o conhecimento do despacho, remetidas ao destinatário.

§ 5.º - Na hipótese do parágrafo anterior, do armazem ou estação da empresa transportadora de onde fôr retirada a mercadoria, será esta acompanhada, até o local de destino,pelas 1.° e 2.° vias da Nota Fiscal de Produtor recebidas pelo

Artigo 97 - B - Na saída para outra unidade da Federação, as vias da Nota Fiscal de Produtor terão o seguinte destino:
I - a 1.ª via acompanhará as mercadorias e será entregue, pelo transportador, ao destinatário;
II - a 2.ª via será entregue diretamente pelo emitente:
a) no caso de remessa por vias internas, à Agência Municípal de Estatistica da Fundação do Instituto Brasileiro de Geografia e Estatistica que jurisdiciona, até o dia 10 (dez) de cada mês subsequente ao da emissão;
b) no caso de ser utilizado transporte marítimo, juntamente com uma cópia adicional, quando da remessa da mercadoria para despacho, à Repartição Aduaneira, que a encaminhará ao órgão regional de estatistica da respectiva unidade da Federação, arquivando a cópia;
III - a 3.ª via acompanhará as mercadorias e destinar-se-á a fins de contrôle na unidade da Federação do destinatário;
IV - a 4.ª via será entregue pelo emitente, no ato do recolhimento do impôsto efetuado mediante guia especial,á repartição a que estiver subordinado; se a operação fôr isenta ou não tributada, a entrega far-se-á nos mesmos prazos fixados no §3.° do artigo anterior;
V - a 5.ª via ficará presa ao bloco, para exibição ao Fisco.
Artigo 97 - C - Na saída para o exterior, a Nota Fiscal de Produtor será emitida:
I - se as mercadorias forem embarcadas neste Estado, na forma prevista no artigo 97 - A;
II - se o embarque se processar em outra unidade da Federação, na forma prevista no artigo 97-B.

§ 1.º - Na hipótese do inciso I, a l.ª e a 2.ª vias acompanharão a mercadoria até o local de embarque, neste Estado, onde serão entregues á repartição fiscal, que reterá a 2.ª via e visará a 1.', servindo esta como autorização de embarque.

§ 2.º - Na hipótese do inciso II, o emitente antes da saída da mercadoria de seu estabelecimento entregará a 4.ª via da nota á repartição fiscal a que esteja subordinado, que visará a l.ª e a 3.ª vias, as quais acompanharão a mercadoria no transporte.

Artigo 97 - D - As repartições fiscais, semestralmente, após as necessárias verificações, deverão remeter ás Prefeituras Municipais respectivas:
I - as 2.as vias das Notas Fiscais de Produtor, retidas na forma do

§ 2.º - do artigo 97-A e do § l.° do artigo anterior;

II - as 2.as vias das Notas Fiscais de Produtor, bem como as 2.as vias das Notas Fiscais de Entrada, recebidas na forma do §3.° do artigo 97-A;
III - as 4.as vias das Notas Fiscais de Produtor, retidas ou recebidas na forma do inciso IV do artigo 97-B e do' § 2.° do artigo anterior.

CAPÍTULO 'VI

Do Demonstrativo do Crédito de Exportação
Artigo 97 - E - O Demonstrativo do Crédito de Exportação, modelo 5, será preenchido pelos contribuintes que fizerem jus aos incentivos fiscais às exportações e conterá as seguintes indicações:
I - série e subsérie, número e data da Nota Fiscal;
II - número e data da guia de exportação;
III - série e subsérie, número e data do conhecimento de embarque;
IV - discriminação do produto exportado;
V - país de destino;
VI - posição e inciso do produto na Tabela anexa ao Regulamento do Impôsto sôbre Produtos Industrializados;
VII - percentual utilizado para cálculo do crédito do impôsto sôbre produtos industrializados;
VIII - percentual utilizado para cálculo do crédito do impôsto de circulação de mercadorias;
IX - a condição da exportação, se cláusula FOB, CIF, C&F ou C&I;
X - valor, em moeda nacional, para efeito de cálculo do impôsto sôbre produtos industrializados;
XI - valor FOB, em moeda nacional, para efeito de cálculo do impôsto de circulação de mercadorias;
XII - valor do crédito do impôsto sôbre produtos industrializados;
XIII - valor do crédito do impôsto de circulação de mercadorias;
XIV - declaração de que a exportação goza do incentivo previsto na legislação do impôsto sõbre produtos industrializados;
XV - data e assinatura do contribuinte ou seu representante legal. 


Parágrafo único - O Demonstrativo a que alude êste artigo será preenchido, no mínimo, em 2 (duas) vias, que terão o seguinte destino:
1. - a 1.ª via será entregue ao Pôsto Fiscal que estiver subordinado o estabelecimento, nos prazos determinados;
2. - a 2.ª via, visada pela repartição fiscal, ficará em poder do contribuinte para contrôle e exibição ao Fisco.

CAPÍTULO 'VII

Do Demonstrativo do Crédito de Equipamentos Industriais
Artigo 97 - F - Os estabelecimentos industriais que se creditarem do impôsto de circulação de mercadorias, relativamente à aquisição de equipamentos industriais, destinados a integrar o seu ativo fixo, de conformidade com o estabelecido na legislação respectiva, preencherão um Demonstrativo, modêlo 6, que conterá as seguintes indicações:
I - Entrada de Equipamento Industrial:
a) data, número, série e subsérie da Nota Fiscal,
b) numero do livro e da fdlha do Registro de Entradas em que foi escrlturada a Nota Fiscal referida na aiinea anterior;
c) nome do emitente da Nota Fiscal;
d) valor contdbil: valor total da operação;
II - Aproveitamento do Credito:
a) periodo de apuração do impdsto;
b) saido devedor do impdsto: saido a recolher apurado no periodo;
c) valor do impdsto destacado na Nota Fiscal referida na alínea "a" do inciso anterior;
d) dedução do percentual de até 10% (dez por cento) do valor a que se refere.a aiinea "b" dêste inciso.
e) saido do credito de impdsto a ser utilizado;
III - Coluna relativa a "Observações": anotações diversas. 


Parágrafo único - O Demonstrativo a que alude êste artigo será preenchido em, uma unica via e permanecerá em poder do contribuinte.

CAPÍTULO 'VIII

Das disposições comuns aos documentos fiscais
Artigo 98 - Os documentos fiscais referidos nos incisos I a V do artigo anterior deverão ser extraidos por decalque a carbono ou em papel carnonado, devendo ser preenchidos à máquina ou manuscritos a tinta ou a lápistinta, devendo ainda os seus dizeres e indicações estar bem legíveis, em tôdas as vias.

§ 1.º - È considerado lnidôneo para todos os efeitos fiscais, fazendo prova apenas em favor do Fisco, o documento que:
1 - omitir indicações;
2 - não seja o legalmente exigido para a respectiva operação.
3 - não guarde as exigências ou requisitos previstos neste Regulamento;
4 - contenha declarações inexatas, esteja preenchido de forma ilegível ou apresente emendas ou rasuras que lhe prejudiquem a clareza.

§ 2.º - Relativamente aos documentos referidos é permitido:
1 - o acrécimo de indicações necessárias ao contrôle de outros tributos federais e municipais, desde que atentidas as normas da legislação de cada tributo;
2 - o acréscimo de indicações de interêses do amitente,que não lhes prejudiquem a clareza;
3 - a supressão das colunas referentes ao contrôle do impôsto sôbre produtos industrializados, no caso de utilização de documento em operações não sujeitas a êsse tributo.

Artigo 99 - As diversas vias dos documentos fiscais não se substituirão em suas respectivas funções.
Artigo 100 - Quando a operação esteja beneficiada por isenção ou amparada por imunidade, não incidência, diferimento ou suspensão do recolhimento do impôsto, essa circunstância será mencionada no documento fiscal, indicando-se o dispositivo legal respectivo.
Artigo 101 - Os documentos fiscais, quando fôr o caso, serão numerados por espécie, em ordem crescente de 1 a 999.999 e enfeixados em blocos uniformes de 20 (vinte), no mínimo e 50 (cinquenta), no máximo. Em substituição aos blocos, as Notas Fiscais ou Notas Fiscais-Faturas poderão ser confeccionadas em formulários contínuos, observados os requisitos estabelecidos para os documentos correspondentes.

§ 1.º - Atingido o número 999.999, a numeração deverá ser recomeçada com a mesma designação de série e subsérie.

§ 2.º - A emissão dos documentos fiscais, em cada bloco, será feita pela ordem de numeração referida neste artigo.

§ 3.º - Os blocos serão usados pela ordem de numeração dos documentos. Nenhum bloco será utilizado sem que esteja simultaneamente em uso, ou já tenham sido usados, os de numeração inferior.

§ 4.º - Cada estabelecimento, seja matriz, filial, sucursal, agência depósito ou qualquer outro, terá talonário próprio.

§ 5.º - Em relação aos produtos imunes de tributação, a emissão dos documentos poderá ser dispensada, mediante prévia autorização dos fiscos estadual e federal.

§ 6.º - Os estabelecimentos que emitam documentos fiscais por processo mecanizado, poderão usar, independentemente de autorização fiscal, jogos soltos de documentos, incluídas as Notas Fiscais-Faturas, numerados tipográficamente, desde que uma das vias seja copiada em ordem cronológica, em copiador especial, préviamente autenticado, ou reproduzida em microfilme, que ficará à disposição do Fisco.

§ 7.º - É dispensada a cópia em copiador registrado, quando as notas forem emitidas em formulários continuos, com numeração tipográfica seguida, impressa apenas em uma das vias, desde que êsses números seja repetido em outro local, mecânica ou datilograficamente, em tôdas as vias, por cópia a carbono.

Artigo 102 - Os documentos fiscais a que aludem os incisos I a III do artigo 72 serão confeccionados e utilizados com observância das seguintes séries:
I - «A» - Nota Fiscal modêlo 1 - na saída de mercadorias a destinatários localizados neste Estado, em que couber lançamento do impdsto sôbre produtos industrializados;
II - «B» - Nota Fiscal modêlo 1 - na saída de mercadorias a destinatários localizados neste Estado, em que não couber lançamento do impôsto sôbre produtos industrializados;
III - «C» - Nota fiscal modêlo 1 - na saída de mercadorias a destinatários localizados em outra unidade da Federação, com ou sem lançamento do impôsto sôbre produtos industrializados;
IV - «D» - Nota Fiscal de Venda a Consumidor modêlo 2, ou Nota Fiscal Simplificada prevista no artigo 90, quando autorizado que esta substitua aquela, nas operações de venda a consumidor, exclusivamente quando as mercadorias sejam retiradas pelo comprador;
V - «E» - Nota Fiscal de Entrada modêlo 3 - na entrada de mercadorias no estabelecimento.

§ 1.º - Os documentos fiscais deverão conter o algarismo designativo da subsérie, em ordem crescente a partir de 1, que será apôsto à letra indicativa da série.

§ 2.º - É permitido, em cada uma das séries dos documentos fiscais, o uso simultâneo de duas ou mais subséries.

§ 3.º - Na hipótese da emissão de documento fiscal por sistema de processamento de dados, é permitido o uso:

1. de Nota Fiscal sem distinção por subsérie, englobando tôdas as operações a que se refere a seriação indicada neste artigo, devendo constar a designação «Série Única»;
2. da série «A», «B» ou «C», conforme o caso, sem distinção por subséries, englobando operações para as quais sejam exigidas subséries especiais, devendo constar a designação «Única», após a letra indicativa da série.

§ 4.º - Nas hipóteses de que trata o parágrafo anterior, será obrigatória a indicação, ainda que por meio de códigos, dos impostos que incidam sôbre a operação ou se esta não é tributada.

§ 5.º - Ao contribuinte que se utilizar do sistema previsto no §3.°, é permitido, ainda, o uso de documento fiscal emitido à máquina ou anuscrito, observado o disposto nos '§§ 1.° e 2.°.

§ 6.º - Os contribuintes deverão utilizar documento fiscal de subsérie distinta, sempre que realizarem:

1. ao mesmo tempo, operações sujeitas ou não ao impôsto de circulação de mercadorias;
2. vendas fora do estabelecimento, inclusive por meio de veículos;
3. operações com produtos estrangeiros de importação própria;
4. operações com produtos estrangeiros adquiridos no mercado interno;
5. operações de saída de mercadorias armazenadas em depósito fechado ou armazém geral que não devam transitar pelo estabelecimento depositante.

§ 7.º - Na hipótese do item 2 do parágrafo anterior, deverá ser adotada uma subsérie para as operações de remessa e outra, comum a todos os vendedores, para as operações de venda.

§ 8.º - O disposto no §6.° não se aplica:

1 - aos produtores;
2 - aos contribuintes que se utilizarem da faculdade prevista no § 3.°.

§ 9.º - O Fisco poderá restringir o número das subséries em uso, não sendo permitida a adoção de subséries em função do número de empregados.

Artigo 103 - Quando o documento fiscal fôr cancelado, conservarse-ão no talonário ou formulário contínuo tôdas as suas vias, com declaração dos motivos que determinaram o cancelamento e referência , se fôr o caso, ao nôvo documento emitido. 

Parágrafo único - No caso de documento copiado, far-se-ão os assentamentos no livro copiador, arquivando-se tôdas as vias do documento cancelado. 

Artigo 104 - Sempre que fôr obrigatória a emissão de documentos fiscais, aquêles a quem se destinarem as mercadorias são obrigados a exigir tais documentos dos que devam emiti-los, contendo todos os requisitos legais".

Artigo 3.º -
Os artigos 40, 41, 49, 50, 51, 117-A, 137, 138, 140, 141, 142, 143 e 145 do Regulamento do Impôsto de Circulação de Mercadorias passam a vigorar com a seguinte redação, ficando-lhe acrescentado o artigo 117-B:
«Artigo 40 - Os estabelecimentos dos contribuintes obrigados á:
I - no Livro «Registro de Saída»:
a) o valor contábil total das operações efetuadas no mês:
b) o valor total da base de cálculo das operações com débito do impõsto e o valor total do respectivo impôsto debitado;
c) o valor fiscal total das operações isentas ou não tributadas;
d) o valor fiscal total de outras operações sem débito do impôsto;
II - no livro «Registro de Entradas»:
a) o valor contábil total das operações efetuadas no mês;
b) o valor total da base de cálculo das operações com crédito do Impôsto e o valor total do respectivo impôsto creditado;
c) o valor fiscal total das operações isentas ou não tributadas:
d) o valor fiscal total de outras operações sem crédito do impôsto;
III - no livro «Registro de Apuração do I.C.M.», após os lançamentos correspondentes às operações de entradas e saídas de mercadorias, realizadas no mês:
a) o valor do débito do impôsto, relativamente às operações de saídas;
b) o valor de outros débitos;
c) o valor dos estornos de créditos;
d) o valor total do débito do impôsto;
e) o valor do crédito do impôsto, relativamente às operações de entradas;
f) o valor de outros créditos;
g) o valor dos estôrnos de débitos;
h) o valor total do crédito do impôsto;
i) o valor do saldo devedor, que corresponderá à diferença entre o valor mencionado na letra «d» e o valor referido na letra «h»;
j) o valor das deduções previstas pela legislação;
l) o valor do impôsto a recolher, ou
m) o valor do saldo credor a transporter para o periodo seguinte, que corresponderá à diferença entre o valor mencionado na letra «h» e o valor referido na letra «d».

§ 1.º - As operações registradas e a apuração a que se refere êste artigo serão declaradas ao Fisco, por meio da Guia de Informação e Apuração do ICM, no mês subsequente ao da apuração, dentro dos seguintes prazos, fixados de acôrdo com o Código de Atividade Econômica em que esteja classificado O estabelecimento declarante:

1 - Códigos 10000 a 30849 e 41000 a 60369 - dia 9;
2 - Códigos 60370 a 60849 - dia 10;
3 - Códigos 61000 a 69000 - dia 11;
4 - Códigos 40280, 40350 a 40369, 40730 a 40740, 40750 a 40753 e 70000 a 71000 - dia 12;
5 - Códigos 74000 a 96000 - dia 13;
6 - Código 73000 - dia 14;
7 - Código 72000 - dia 15;
8 - Códigos 40000 a 40279 e 40281 a 40345 - dia 16;
9 - Códigos 40370 a 40549 - dia 17;
10 - Códigos 40550 a 40729 e. 40770 a 40849 - dia 18.

§ 2.º - O montante do impôsto a recolher, apurado na forma do inciso III, será pago mediante guia de recolhimento, de modelo aprovado pela Secretaria da Fazenda, dentro dos prazos fixados pelo artigo 49.

§ 3.º - Nos casos em que êste Regulamento defere ao estabeleimento destinatário a obrigação de recolher o impôsto relativo às mercadorias entradas em seu estabelecimento, observar-se-ão as seguintes normas:
1 - o impôsto a pagar será escriturado no livro «Registro de Apuração do ICM» - quadro «Débito do Impôsto», item «002, Outros Débitos» - com a expressão «Entradas com Impôsto a Pagar»;
2 - o impôsto recolhido na forma dêste parágrafo será computado como crédito, no «Registro de Entradas», no mesmo período em que as mercadorias entraram no estabeleeimento ou foram por êle adquiridas.

§ 4.º - O disposto no parágrafo anterior não se aplica aos casos em que êste Regulamento confere ao destinatário a obrigação de recolher, mediante guia especial, o impôsto relativo as mercadorias entradas em seu estabeleeimento, hipóteses em que serão observadas as seguintes normas:

1 - o impôsto a pagar será recolhido em guia especial, aprovada pela Secretaria da Fazenda, nos prazos fixados pelo artigo 48.
2 - o impôsto devido na forma dêste parágrafo será computado, quando fôr o caso, como crédito no «Registro de Apuração do ICM» - quadro «Crédito do Impôsto», item 007 - Outros Créditos - com a expressão «Entradas com impôsto a pagar, mediante guia especial», no periodo em que se tornou devido.

§ 5.º - As diferenças de impôsto devido apuradas pelo contribuinte serão lançadas no «Registro de Apuração do ICM» - quadro «Débito do Impôsto, item 002 - Outros Débitos» - com a expressão «Diferenças Apuradas», consignando em «observações» a origem da respectiva diferença apurada.

§ 6.º - Os contribuintes que efetuarem vendas financiadas mediante contratos prévios de abertura de crédito poderão, se o requererem, ser dispensados do lançamento das despesas relativas ao financiamento em cada nota fiscal.

§ 7.º - Na hipótese do parágrafo anterior deverá o contribuinte efetuar no último dia de cada mês, um único lançamento no livro «Registro de Saidas», correspondente à soma de todos os acréscimos por financiamentos verificados no periodo.

§ 8.º - O regime de pagamento previsto neste artigo poderá ser estendido mediante requerimento, aos contribuintes não obrigados à escrituração fiscal que se comprometerem a mantê-la nas condições deste Regulamento».
"Artigo 41 - Tratando-se de contribuite não obrigado a manter escrituração fiscal, bem como nos casos expressamente previstos o montante do impôsto a recolher corresponderá á diferença, a maior, entre o valor do impôsto devido sôbre a operação tributada e o valor do impôsto pago na operação imediatamente anterior efetuada com a mesma mercadoria.

§ 1.º - Na hipótese dêste artigo, á guia especial de recolhimento do impôsto deverão ser anexados os documentos fiscais comprobatórios da identidade da mercadoria e do pagamento do imposto na operação imediatamente anterior.

§ 2.º - Nos casos de saidas parceladas da mercadoria, quando o crédito referente A entrada seja comprovado por um único documento em relação à totalidade da mesma mercadoria, o documento comprobatório deverá ser desdobrado pela repartição fiscal do local em que ocorrer a operação tributável".
"Artigo 49 - O impôsto apurado e declarado nos têrmos do artigo 40 deverá ser recolhido nos prazos estabelecidos neste artigo e fixados de acôrdo com o Cddigo de Atividade Econômica em que esteja classificado o estabelecimento na seguinte conformidade:
I - no mês subsequente ao da ocorrência do fato gerador:
a) Códigos 10000 a 30849 e 41000 a 60369 - dia 9;
b) Códigos 60370 a 60849 - dia 10;
c) Códigos 61000 a 69000 - dia 11;
d) Códigos 40280, 40350 a 40369, 40730 a 40740, 40750 a 40753 e 70000 a 71000 - dia 12;
e) Códigos 74000 a 96000 - dia 13;
f) Código 73000 - dia 14;
g) Código 72000 - dia 15;
II - no segundo mês subsequente ao da ocorrência do fato gerador:
a) Códigos 40000 a 40279 e 40281 a 40345 - dia 16;
b) Códigos 40370 a 40549 - dia 17;
c) Códigos 40550 a 40729 e 40770 a 40849 - dia 18.
"Artigo 50 - Os estabelecimentos inscritos como contribuintes do impôsto, excetuados os produtores, apresentarão, nos prazos fixados a Guia de Informação e Apuração do I.C.M. conforme modêlo anexo.

§ 1.º - A Guia referida deverá constituir-se em resumo e exato reflexo dos lançamentos realizados no Registro de Apuração do I.C.M.

§ 2.º - Quadro "Programa de Integração Social - Faturamento do Período será preenchido pelo contribuinte com a indicação de seu faturamento, tal como definido na legislação relativa ao citado Programa de Integração Social.

§ 3.º - A Guia será preenchida pelo contribuinte, A máquina, em uma só via e entregue á repartição arrecadadora fazendária ou aos estabelecimentos bancários devidamente autorizados, que passarão recibo no canhoto detacável, servindo êste como prova para o contribuinte, da apresentação do documento.

§ 4.º - Nos casos de cessação de atividade do estabelecimento, o contribuinte entregará, antes da comunicação da ocorrência à repartição fiscal, a guia referida neste artigo, relativamente ao período não declarado".
"Artigo 51 - Os recolhimentos do impôsto serão feitos mediante guias preenchidas pelo contribuinte. A máquina, conforme modelos aprovados pela Secretaria da Fazenda.

§ 1.º - O número de vias das guias e respectvia destinação serão fixados pela Secretaria da Fazenda.

§ 2.º - A Secretaria da Fazenda poderá exigir dos contribuintes o recolhimento do impôsto por meio de guia por ela fornecida, mediante retribuição pelo custo".

Artigo 117 - A - Os estabelecimentos gráficos somente poderão confeccionar os documentos fiscais previstos nos incisos I, III, IV e V do artigo 72 e outros documentos fiscais criados por disposições posteriores ou aprovados em regimes especiais, mediante autorização prévia da Secretaria da Fazenda.

§ 1.º - A autorização será concedida por solicitação do estabelecimento gráfico ao Pôsto Fiscal de sua circunscrição, mediante preenchimento da "Autorização de Impressão de Documentos Fiscais", conforme modêlo anexo, contendo as seguintes indicações mínimas:

1. - a denominação "Autorização de Impressão de Documentos Fiscais;
2. - número de ordem;
3. - nome, endereço e números de inscrição, estadual e no C.G.C., do estabelecimento gráfico;
4. - nome, endereço e números de inserição, estadual e no C.G.C., do usuário dos documentos fiscais a serem impressos;
5. - espécie do documento fiscal, série e subsérie, quando fôr o caso, numeros initial e final dos documentos a serem impressos, quantidade e tipo;
6. - identidade pessoal do responsável pelo estabeleeimento que fizer o pedido;
7. - assinaturas do responsável pelo estabelecimento encomendante, pelo estabeleeimento gráfico e do funcionário que autorizou a impressão, além do carimbo da repartição;
8. - data da entrega dos documentos impressos, número, série e subsérie da nota fiscal emitida pelo estabelecimento gráfico, bem como a identidade e a assinatura da pessoa a quem tenha sido feita a entrega.

§ 2.º - As indicações constantes dos itens 1, 2 e 3 do parágrafo anterior serão impressas e a do item 8 constará apenas da 3.ª via.

§ 3.º - Cada estabeleeimento gráfico deverá possuir talonário próprio, em jogos soltos, de «Auforização de Impressão de Documentos Fiscais».

§ 4.º - O formulário será preenchido, no minimo, em 3 (três) vias que, concedida a autorização, terão o seguinte destino:
1.ª via - repartição fiscal, para juntada ao prontuário do estabelecimento usuário;
2.ª via - estabelecimento usuário;
3.ª via - estabelecimento gráfico.

§ 5.º - Os contribuintes que mandarem confeccionar seus documentos fiscais fora do Estado deverão entregar uma via, ou cópia autentica, da «Autorização de Impressão de Documentos Fiscais» ao Pôsto Fiscal a que esteja subordinado dentro de 30 (trinta) dias da entrada dos referidos documentos no seu estabelecimento.

§ 6.º - Os estabelecimentos gráficos que confeccionarem documentos fiscais para contribuintes localizados em outras Unidades da Federação emitirão uma via suplementar da «Autorização de Impressão de Documentos Fiscais» para entrega, pelo usuário dos documentos, à repartição fiscal a que esteja subordinado.

§ 7.º - O disposto neste artigo aplica-se, também, quando a impressão dos documentos fiscais fdr realizada em tipografia do prdprio usuário».
«Artigo 117-B - Para impressão de livros fiscais e de guias de recolhimento, os estabelecimentos gráficos deverão solicitar a devida autorização do Fisco, de conformidade com as normas expedidas pela Secretaria da Fazenda».
«Artigo 137 - Feito o enquadramento do contribuinte no regime de estimativa a repartição notifica-lo-á do «quantum» do tributo fixado e da importância das parcelas a serem recolhidas mensalmente. 


Parágrafo único - O pagamento da primeira parcela" deverá ser feito até 15 (quinze) dias da data da notificação e o das demais a partir do mês subsequente ao do enquadramento, nos seguintes prazos, fixados de acôrdo com o Código de Atividade Econômica em que esteja classificado o estabelecimento:

1. - Códigos 10000 a 30849 e 50000 e 60369 - dia 9;
2. - Códigos 60370 a 60849 - dia 10;
3. - Códigos 61000 a 69000 - dia 11;
4. - Códigos 70000 a 71000 - dia 12;
5. - Códigos 74000 a 96000 - dia 13;
6. - Código 73000 - dia 14;
7. - Código 72000 - dia 15.»

Artigo 138 - Os contribuintes sujeitos ao regime de pagamento do impôsto por estimativa deverão escriturar o Registro de Entradas (modêlo 1-A) e o Registro de Saídas (modelo 2-A), o Registro de Utilização de Documentos Fiscais e Têrmos de Ocorrência (modêlo 6) e o Registro de InventArio (modêlo 7), ficando facultada a escrituração do Registro de Apuração do I.C.M. (modêlo 9).
Artigo 140 - Os contribuintes enquadrados no regime de pagamento do impôsto por estimativa deverão, semestralmente, declarar ao Fisco as operações regularmente registradas nos livros fiscais próprios e o impôsto correspondente.

§ 1.º - A declaração a que se refere êste artigo será feita:
1. - relativamente às operações efetuadas de janeiro a junho, englobadamente, na Guia de Informação e Apuração do I.C.M., que será apresentada no mês de julho do respectivo exercício obedecida a escala a que alude o

§ 1.º - do artigo 40;
2. - relativamente às operações efetuadas de julho a dezembro, englobadamente, na Guia de Informação e Apuração do I.C.M.. que será apresentada no mês de janeiro do ano subsequente, obedecida a escala a que alude o §1.° do artigo 40.

§ 2.º - A Guia de Informação e Apuração, referida no item 2 do parágrafo anterior, deverá conter a apuração do impôsto correspondente as operações registradas e efetuadas no ano anterior, bem como da diferença a que se refere o artigo 136, inciso IV».

Artigo 141 - Nos casos de cessação de atividade do estabelecimento o contribuinte entregará, antes da comunicação da ocorrência a repartição fiscal, a guia referida no artigo anterior, relativa ao período não declarado.
Artigo 142 - Os contribuintes enquadrados no regime de pagamento do impôsto por estimativa recolherão o impõsto em guias próprias, de modelo aprovado pela Secretaria da Fazenda.
Artigo 143 - Nas operações com consumidor de valor igual ou superior a Cr$ 5,00 (cinco cruzeiros) os contribuintes enquadrados no regime de pagamento do impôsto por estimativa emitirão a Nota Fiscal Simplificada a que se refere o artigo 89. 


Parágrafo único - No fim de cada dia o contribuinte emitirá uma Nota Fiscal Simplificada englobando o total das operações de valor inferior a Cr$ 5,00 (cinco cruzeiros), em relação as quais não tenham sido emitidos documentos fiscais. 

Artigo 145 - As reclamações relacionadas com o enquadramento no sistema de pagamento do impôsto por estimativa serão decididas pelo Chefe do Pôsto Fiscal competente, com recurso ao Inspetor Fiscal.

§ 1.º - As reclamações e recursos não terão efeito suspensivo, sendo de 30 (trinta) dias o prazo para a sua interposição, contados, para a reclamação, da data da notificação do enquadramento e, para o recurso, da data da intimação do despacho que julgar a reclamação.

§ 2.º - Nos demais casos relacionados com o regime de estimativa a competência para conhecer das reclamações, defesas ou recursos é dos órgãos julgadores próprios».

Artigo 4.º - Êste Decreto e suas disposições transitórias entrarão, em vigor na data, de sua publicação.

DISPOSIÇÕES TRANSITÓRIAS
Artigo 1.º - A partir de 1.º de abril de 1971 será obrigatória a utilização dos livros fiscais conforme modêlos publicados em anexo a êste decreto. 


Parágrafo único - A escrituração dos livros fiscais referidos neste artigo será efetuada independentemente do visto prévio a que alude o artigo 62, que deverá ser obtido até o dia 30 de junho de 1971. 

Artigo 2.º - Ficam mantidos os atuais livros «Registro de Produtos Agrícolas em Máquinas de Beneficiamento», «Registro de Movimento de Gado» e «Registro de Armazens Gerais», até que sejam aprovados os modelos adequados, com a adaptação do «Registro de Contrôle da Produção e do Estoque».
Artigo 3.º - No Registro de Utilização de Documentos Fiscais e Têrmos de Ocorrências deverão ser consignados os documentos fiscais em uso no estabelecimento em 1.º de abril de 1971.
Artigo 4.º - Os documentos fiscais em uso pelo contribuinte á data da publicação dêste decreto, que não estejam de acôrdo com os modêlos em anexo, poderão ser utilizados até 31 de julho de 1971.
Artigo 5.º - O disposto no artigo 40 do Regulamento do Impõsto de Circulação de Mercadorias, com a redação dada pelo artigo 3.º dêste decreto, aplica-se às operações regularmente escrituradas, efetuadas a partir de 1.º de abril de 1971.
Artigo 6.º - Os contribuintes enquadrados no regime de pagamento do impôsto por estimativa, que tenham recebido jogos de guias por processamento eletrônico, observarão, para os pagamentos, os vencimentos nelas fixados, não se lhes aplicando os prazos previstos no artigo 137 do Regulamento do Impôsto de Circulação de Mercadorias com a redação dada pelo artigo 3.º dêste decreto.

Palácio dos Bandeirantes, 26 de fevereiro de 1971.

ROBERTO COSTA DE ABREU SODRÉ

Dilson Domingos Funaro, Secretário da Fazenda

Publicado na Casa Civil, aos 26 de fevereiro de 1971.

Maria Angélica Galiazzi, Responsável pelo S.N.A. 









 




(OBSERVAÇÃO: DAS FOLHAS DO LIVRO "REGISTRO DE UTILIZAÇÃO DE DOCUMENTOS FISCAIS", 50% (CINCOENTA POR CENTO), NO MÍNIMO, SERÃO DESTINADOS A "TERMOS DE OCORRÊNCIAS", DEVENDO SER IMPRESSAS DE ACORDO COM O PRESENTE MODELO E INCLUIDAS NO FINAL DO LIVRO, DEVIDAMENTE NUMERADAS.)


decreto n.52.667, de 26.02.1971

















 
(ANEXO A QUE SE REFERE O ARTIGO 1.° DO DECRETO N. 52.667, DE 26 DE FEVEREIRO DE 1971).

SISTEMA NACIONAL INTEGRADO DE INFORMAÇÕES ECONÔMICO-FISCAIS

O Ministro da Fazenda e os Secretários de Fazenda ou de Finanças dos Estados e do Distrito Federal, reunidos na cidade do Rio de Janeiro no dia 15 de dezembro de 1970,

Considerando que a racionalização e a integração de contrôles e de fiscalização, alicerçados em informações que têm como fonte a escrita e o documentário fiscais dos contribuintes do impôsto sôbre produtos industrializados e do impôsto de circulação de mercadorias, poderão conduzir a uma Administração Tributária mais justa e mais eficaz;

Considerando que a implantação de um sistema básico e homogêneo de informações levará ao conhecimento, mais rápido e preciso, das estatísticas indispensáveis á formulação de políticas econômico-fiscais dos diversos níveis de govêrno;

Considerando que com um Sistema de Informações Econômico-Fiscais adequado, promover-se-á a coleta, elaboração e distribuição de dados básicos, essenciais à implantação de uma política tributária realista; Considerando a necessidade de unificar os livros e documentos fiscais a serem utilizados pelos contribuintes do impôsto sôbre produtos industrializados e do impôsto de circulação de mercadorias;

Considerando que a simplificação e a harmonização de exigências legais poderão reduzir despesas decorrentes de obrigações tributárias acessórias, com reflexos favoráveis no custo da comercialização das mercadorias;

Considerando que o artigo 199 do Código Tributário Nacional dispõe: "A Fazenda Pública da União e a dos Estados, do Distrito Federal e dos Municípios prestar-se-ão mutuamente assistência para a fiscalização dos tributos respectivos e permuta de informações, na forma estabelecida, em caráter geral ou específico, por lei ou convênio",

Acordam em criar o SISTEMA NACIONAL INTEGRADO DE INFORMAÇÕES ECONÔMICO-FISCAIS, incorporando às suas respectivas legislações tributárias as normas consubstanciadas nos seguintes artigos:

CAPÍTULO I

DOS OBJETIVOS DO SISTEMA
Artigo 1.º - O Sistema Nacional Integrado de Informações Econômico -Fiscais tem como objetivos:
I - a obtenção e permuta de informações de natureza econõmica e fiscal entre os signatários;
II - a simplificação do cumprimento das obrigações por parte dos contribuintes.

CAPÍTULO II

DA IMPLANTAÇÃO DO SISTEMA
Artigo 2.º - Para implantação do sistema referido no artigo anterior, serão adotadas as seguintes medidas:
I - definição dos dados básicos dos respectivos Cadastros de Contribuintes;
II - instituição do Código Nacional de Atividades Econômicas;
III - instituição do Código de Classificação das operações realizadas pelos contribuintes do impôsto sôbre produtos industrializados (federal) e do impôsto de circulação de mercadorias (estadual);
IV - unificaçãoo dos documentos e livros fiscais;
V - instituição da guia de informação e apuração do impôsto;
VI - instituição de relação referente as saídas de mercadorias.

CAPÍTULO

DO CADASTRO DE CONTRIBUINTES
Artigo 3.º - As unidades da Federação manterão cadastro de contribuintes, que conterá, no mínimo, os seguintes elementos básicos:
I - número de inserição estadual;
II - número de inserição no Cadastro Geral de Contribuintes do Ministério da Fazenda (CGC);
III - firma ou razao social;
IV - enderêço, composto no mínimo, de:
a) rua e número;
b) distrito ou subdistrito;
c) município;
d) unidade da Federação;
V - Código de Atividades Econômicas.

CAPÍTULO IV

DO CÓDIGO NACIONAL DE ATrVIDADES ECONÔMICAS
Artigo 4.º - As partes signatárias adotarão o Código de Atividades Econômicas a ser elaborado por uma Comissão nomeada pela Conferência de Secretários de Fazenda que aprova o presente Convênio, a fim de manter a uniformidade necessária ao funcionamento do Sistema Nacional Integrado de Informações Econômico-Fiscais.

CAPÍTULO 'V

DO CÓDIGO FISCAL DE OPERAÇÕES
Artigo 5.º - O Código Fiscal de Operações, constante de anexo dêste Convênio, será interpretado de acôrdo com as Normas Explicativas, também apensas, e visa aglutinar em grupos homogêneos, nos livros fiscais, nas guias de informação e em tôdas as análises de dados, as operações realizadas pelos contribuintes do impõsto sôbre produtos industrializados e do impõsto de circulação de mercadorias.

CAPÍTULO 'VI

DOS DOCUMENTOS FISCAIS

SEÇÃO I

Dos Documentos em Geral
Artigo 6.º - Os contribuintes do impôsto sôbre produtos industrializados e/ou do impôsto de circulação de mercadorias emitirão, conforme as operações que realizarem, os seguintes documentos fiscais:
I - Nota Fiscal, modêlo 1;
II - Nota Fiscal de Venda a Consumidor, modêlo 2;
III - Nota Fiscal de Entrada, modêlo 3;
IV - Nota Fiscal de Produtor, modêlo 4;
V - Demonstrativo do Crédito de Exportação, modêlo 5;
VI - Demonstrativo do Crédito de Equipamentos industriais, modêlo 6.

Parágrafo único - Os documentos referidos neste artigo obedecerão aos modêlos anexos que fazem parte integrante deste Convênio.


Artigo 7.º - Os documentos fiscais referidos nos incisos I a V do artigo anterior deverão ser extraídos por decalque a carbono ou em papel carbonado, devendo ser preenchidos á máquina ou manuscritos a tinta ou a lápis-tinta, devendo ainda os seus dizeres e indicações estar bem legiveis, em tôdas as vias.

§ 1.º - É considerado inidôneo para todos os efeitos fiscais, fazendo prova apenas em favor do Fisco, o documento que:

1.
- omitir indicações;
2. - não seja o legalmente exigido para a respectiva operação;
3. - não guarde as exigências ou requisitos previstos neste Convênio;
4. - contenha declaracdes inexatas, esteja preenchido de forma ilegível ou apresente emendas ou rasuras que lhe prejudiquem a clareza.

§ 2.º - Relativamente aos documentos referidos e permitido:

1.
- o acréscimo de indicações necessárias ao contrôle de outros tributos federais e municipais, desde que atendidas as normas da legislação de cada tributo;
2. - o acréscimo de indicações de interêsse do emitente, que não lhes prejudiquem a clareza;
3. - a supressão das colunas referentes ao contrôle do impôsto sôbre produtos industrializados, no caso de utilização de documentos em operações não sujeitas a êsse tributo.

Artigo 8.º - As diversas vias dos documentos fiscais não se substituirão em suas respectivas funções.
Artigo 9.º - Quando a operação esteja beneficiada por isenção ou amparada por imunidade, não incidência, diferimento ou suspensão do recolhimento do Impôsto Sôbre Produtos Industrializados e/ou do Impôsto de Circulação de Mercadorias, essa circunstância será mencionada no documento fiscal, indicando-se o dispositivo legal respectivo.
Artigo 10 - Os documentos fiscais, quando fôr o caso, serão numerados por espécie, em ordem crescente de 1 a 999.999 e enfeixados em blocos uniformes de 20 (vinte), no mínimo e 50 (cmquenta), no máximo. Em substituição aos blocos, as Notas Físcais ou Notas Fiscais-Faturas poderão ser confeccionadas em formulários contínuos, observados os requisitos estabelecidos para os documentos correspondentes.

§ 1.º - Atingido o numero 999.999, a numeração deverá ser recomeçada com a mesma designação de série e subsérie.

§ 2.º - A emissão dos documentos fiscais, em cada bloco, será feita pela ordem de numeração referida neste artigo.

§ 3.º - Os blocos serão usados pela ordem de numeração dos documentos. Nenhum bloco será utilizado sem que estejam simultaneamente em uso, ou já tenham sido usados, os de numeração inferior.

§ 4.º - Cada estabelecimento, seja matriz, filial, sucursal, agência, depósito ou qualquer outro, terá talonário próprio.

§ 5.º - Em relação aos produtos imunes de tributação, a emissão dos documentos poderá ser dispensada, mediante prévia autorização dos fiscos estadual e federal.

§ 6.º - Os estabelecimentos que emitam documentos fiscais por processo mecanizado, poderão usar, independentemente de autorização fiscal, jogos soltos de documentos, incluídas as Notas Fiscais-Faturas, numerados tipograficamente, desde que uma das vias seja copiada em ordem cronológica, em copiador especial, préviamente autenticado, ou reproduzida em microfilme, que ficará a disposição do Fisco.

§ 7.º - É dispensada a cópia, em copiador registrado, quando as notas forem emitidas em formulários contínuos, com numeração tipográfica seguida, impressa apenas em uma das vias, desde que esse número seja repetido em outro local, mecânica ou datilograficamente, em tôdas as vias, por cópia a carbono.

Artigo 11 - Os documentos fiscais a que aludem os incisos I a III do artigo 6.° serão confeccionados e utilizados com observância das seguintes séries:
I - «A» - Nota Fiscal modêlo 1 - na saída de mercadorias a destinatários localizados na mesma unidade da Federação, em que couber lançamento do Impôsto Sôbre Produtos Industrializados;
II - «B» - Nota Fiscal modêlo 1 - na saída de mercadorias a destinatários localizados na mesma unidade da Federação ou no Exterior, em que não couber lançamento do Impôsto Sôbre Produtos Industrializados;
III - «C» - Nota Fiscal modelo 1 - na saída de mercadorias a destinatários localizados em outra unidade da Federação, com ou sem lançamento do Impôsto Sôbre Produtos Industrializados;
IV - «D» - Nota Fiscal de Venda a Consumidor modelo 2, ou Nota Fiscal Simplificada prevista no artigo 53 dêste Convênio, quando autorizado que esta substitua aquela - nas operações de venda a consumidor, exclusivamente quando as mercadorias sejam retiradas pelo comprador;
V - «E» - Nota Fiscal de Entrada modêlo 3 - na entrada de mercadorias no estabelecimento.

§ 1.º - Os documentos fiscais deverão conter o algarismo designativo da subsérie, em ordem crescente a partir de 1, que será apôsto a letra indicativa da série.

§ 2.º - É permitido, em cada uma das séries dos documentos fiscais, o uso simultâneo de duas ou mais subséries.

§ 3.º - Na hipótese da emissão de documento fiscal por sistema de processamento de dados, é permitido o uso:
1 - de Nota Fiscal sem distinção por subsérie, englobando tôdas as operações a que se refere a seriação indicada neste artigo, devendo constar a designação «Série Única»;
2 - da série «A» «B» ou «C», conforme o caso, sem distinção por subséries, englobando operações para as quais sejam exigidas subséries especiais, devendo constar a designação «ÚNICA», após a letra indicativa da série.

§ 4.º - Nas hipóteses de que trata o parágrafo anterior, será obrigatória a indicação, ainda que por meio de códigos, dos impostos que incidam sôbre a operação ou se esta não é tributada.

§ 5.º - Ao contribuinte que se utilizar do sistema previsto no §3.°. é   permitido, ainda, o uso de documento fiscal emitido à máquina ou manuscrito, observado o disposto nos '§§ 1.° e 2.°.

§ 6.º - Os contribuintes deverão utilizar documento fiscal de subsérie distinta, sempre que realizarem:

1.
- ao mesmo tempo, operações sujeitas ou não ao impôsto sôbre produtos industrializados e|ou ao impôsto de circulação de mercadorias; ;
2. - vendas fora do estabeleeimento, inclusive por meio de veículos,
3. - operações com produtos estrangeiros de importação própria;
4. - operações com produtos estrangeiros adquiridos no mercado interno;
5. - operações de saida de mercadorias armazenadas em depósito fechado ou armazém geral que não devam transitar pelo estabelecimento depositante.

§ 7.º - Na hipótese do item 2 do parágrafo anterior, deverá ser adotada uma subsérie para as operações de remessa e outra, comum a todos os vendedores, para as operações de venda.

§ 8.º - As transferências de créditos do impôsto sôbre produtos industrializados e ou do impôsto de circulação de mercadorias, quando previstas nas , legislações respectivas, poderão ser feitas através de Nota Fiscal de subsérie distinta.

§ 9.º - O disposto no §6.° não se aplica:
1. - aos produtores agropecuários;
2. - aos contribuintes que se utilizarem da faculdade prevista no § 3.°.

§ 10.º - O Fisco poderá restringir o número das subséries em uso não sendo permitida a adoção de subséries em função do número de empregados.

Artigo 12 - Quando o documento fiscal fôr cancelado, conservar-se-ão no talonário ou formulário continuo todas as suas vias, com declaração dos motivos que determinaram o cancelamento e referencia, se fôr o caso, ao novo, documento emitido. 

Parágrafo único - No caso de documento copiado, far-se-ão os assentados no livro copiador, arquivando-se tôdas as vias do documento cancelado. 

Artigo 13 - Em casos especiais a emissão da Nota Fiscal poderá ser dispensada pela autoridade fiscal, quando se referir a operações realizadas na respectiva unidade da Federação, por estabelecimento não contribuinte do impôsto sôbre produtos industrializados.
Artigo 14 - Sempre que fôr obrigatória a emissão de documentos fiscais, aquêles a quem se destinarem as mercadorias são obrigados a exigir tais documentos dos que devam emiti-los, contendo todos os requisitos legais.
Artigo 15 - Os transportadores não poderão aceitar despacho ou efetuar o transporte de mercadorias que não estejam acompanhadas dos documentos fiscais próprios.
Artigo 16 - As unidades da Federação disporão de forma que os documentos fiscais referidos nos incisos I a V do artigo 6.°, inclusive os aprovados através de regime especial, só possam ser impressos mediante prévia autorização da repartição competente do Fisco Estadual. 


Parágrafo único - Poderá ser disposto, também, que caberá a autorização prévia, quando a impressão dos documentos fiscais fôr realizada em tipografia do próprio usuário 

Artigo 17 - Para cumprimento do disposto no artigo anterior, será preenchida a «Autorização de Impressão de Documentos Fiscais», modêlo anexo, que conterá as seguintes indicações mínimas:
I - denominação «Autorização de Impressão de Documentos Fiscais»;
II - número de ordem;
III - nome, enderêço e números de inscrição, estadual e no CGC, do estabelecimento gráfico;
IV - nome, enderêço e números de inscrição, estadual e no CGC, do usuário dos documentos fiscais a serem impressos;
V - espécie do documento fiscal, série e subsérie quando fôr o caso, números inicial e final dos documentos a serem impressos, quantidade e tipo;
VI - identidade pessoal do responsável pelo estabelecimento que fizer o pedido;
VII - assinaturas do responsável pelo estabelecimento encomendante, pelo estabelecimento gráfico e do funcionário que autorizou a impressão, além do carimbo da repartição;
VIII - data da entrega dos documentos impressos, número, série e subsérie do documento fiscal do estabelecimento gráfico correspondente à operação, bem como a identidade e assinatura da pessoa a quem tenha sido feita a entrega.

§ 1.º - As indicações constantes dos incisos II e III poderão ser feitas, conforme dispuserem as unidades da Federação:

1. - tipogràficamente, se a iniciativa da autorização fôr do estabelecimento gráfico;
2. - por lançamento posterior, se a iniciativa couber ao que vier a usar os documentos a serem impressos.

§ 2.º - O formulário será preenchido no mínimo em 3 (tr~es) vias que após a concessão da autorização pela repartição competente do Fisco estadual a que estiver subordinado o estabelecimento usuário, terão o seguinte destino:

1.
- 1.ª via - repartição fiscal;
2. - 2.ª via - estabelecimento usuário;
3. - 3.ª via - estabelecimento gráfico.

§ 3.º - No caso de o estabelecimento gráfico situar-se em unidade da Federação que não a do domicilio do que vier a utilizar o documento fiscal a ser impresso, a autorização será requerida por ambas as partes, às repartições fiscais respectivas.

SEÇÃO II

Da Nota Fiscal
Artigo 18 - Os estabelecimentos, excetuados os de produtores agropecuários, emitirão Nota Fiscal:
I - sempre que promoverem a saída de mercadorias;
II - na transmissão da propriedade das mercadorias, quando estas não devam transitar pelo estabelecimento transmitente.
Artigo 19 - A Nota Fiscal conterá as seguintes indicações:
I - a denominação "Nota Fiscal";
II - o número de ordem, a série e subsérie e o número da via;
III - a natureza da operação de que decorrer a saída: venda, transferência devolução, consignação, remessa (para fins de demonstração, de industrialização ou outro qualquer);
IV - a data da emissão;
V - o nome, o endereço e os números de inscrição, estadual e no CGC, do estabelecimento emitente;
VI - o nome, o endereço e os números de inscrição, estadual e no CGC, do estabelecimento destinatário;
VII - a data da saída efetiva das mercadorias do estabelecimento emitente;
VIII - a discriminação das mercadorias, quantidade, marca, tipo, modelo, espécie, qualidade e demais elementos que permitam sua perfeita identificação;
IX - a classificação fiscal dos produtos prevista pela legislação do Impôsto sdbre produtos industrializados quando fôr o caso;
X - os valôres, unitário e total, das mercadorias e o valor total da operação;
XI - a alíquota e o valor do impôsto sôbre produtos industrializados, quando fôr o caso;
XII - a base de cálculo do impôsto sôbre produtos industrializados e|ou do impôsto de circulação de mercadorias, quando diferente do valor da operação e o preço de venda no varejo ou no atacado, quando a êle estiverem subordinados os cálculos dos impôstos referidos;
XIII - a importância do impôsto de circulação de mercadorias devido sôbre a operação, que deverá constar em destaque dentro de um retângulo, colocado fora do quadro reservado á discriminação das mercadorias;
XIV - o nome do transportador, seu endereço e a placa do veículo;
XV - a forma de acondicionamento dos produtos bem como marca, numeração quantidade, espécie e pêso dos volumes;
XVI - o nome o endereço e os números de inscrição, estadual e no CGC, do impressor da nota, a data e a quantidade da impressão, o número de ordem da primeira e da última nota impressa e respectiva série e subsérie, e o número da autorização para impressão de documentos fiscais.

§ 1.º - As indicações dos incisos I, II, V e XVI serão impressas.

§ 2.º - A indicação do inciso IX é obrigatória para os contribuintes do impôsto sôbre produtos industrializados, sendo vedada a indicação do inciso 'XI quando o emitente não seja obrigado ao recolhimento do tributo.

§ 3.º - A Nota Fiscal só mencionará produtos de mais de um inciso ou posição constante da Tabela anexa ao Regulamento do Impôsto sôbre Produtos Industrializados se houver separação de valôres, de modo que fique demonstrado a impôsto sôbre produtos industrializados devido em cada inciso ou posição.

§ 4.º - Serão dispensadas as indicações do inciso VIII se estas constarem de romaneio emitido com os requisitos mínimos dos incisos II, 
IV, V, VI, VII, 'X e 'XVI, que constituirá parte inseparável da Nota Fiscal, hipótese em que se mencionará, na nota, o número, a série, a data do romaneio e, neste, o número, a série e subsérie e a data daquela.

§ 5.º - Na Nota Fiscal emitida relativamente à saída de mercadorias em retôrno ou em devolução, deverão ser, ainda, indicados o número, a data da emissão e o valor da operação do documento original.

§ 6.º - A Nota Fiscal será de tamanho não inferior a 14,8 x 21 cm, em qualquer sentido.

§ 7.º - A Nota Fiscal poderá servir como fatura, feita a inclusão dos elementos necessários, caso em que a denominação prevista no inciso I passa a ser Nota Fiscal-Fatura.

Artigo 20 - A Nota Fiscal será emitida:
I - antes de iniciada a saida das mercadorias;
II - no momento do fornecimento de alimentação, bebidas e outras mercadorias, em restaurantes, bares, cafés e estabelecimentos similares;
III - antes da tradição real ou simbólica das mercadorias:
a) nos casos de transmissão de propriedade de mercadorias ou de título que as represente, quando estas não transitarem pelo estabelecimento do transmitente;
b) nos casos de ulterior transmissão de propriedade de mercadorias, que tendo transitado pelo estabelecimento transmitente, dêste tenham saído sem o pagamento do impôsto sôbre produtos industrializados e|ou impôsto de circulação de mercadorias, em decorrência de locação ou de remessas para armazéns gerais ou depósitos fechados.

§ 1.º - Na Nota Fiscal emitida no caso de ulterior transmissão de propriedade de mercadorias, previstas na alínea «b» do inciso III,' deverão ser mencionados o número, a serie e subsérie e a data da Nota Fiscal emitida anteriormente por ocasião da saída das mercadorias.

§ 2.º - No caso de mercadorias de procedência estrangeira que, sem entrar em estabelecimento do importador ou arrematante, sejam por êste remetidas a terceiros, deverá o importador ou arrematante emitir Nota Fiscal, com a declaração de que as mercadorias sairão diretamente da repartição federal em que se processou o desembaraço.

Artigo 21 - A Nota Fiscal, além das hipóteses previstas no artigo anterior, será também emitida:
I - no caso de mercadorias, cuja unidade não possa ser transportada de uma só vez, desde que o impôsto sôbre produtos industrializados e/ou o impôsto de circulação de mercadorias, deva incidir sôbre o todo;
II - no reajustamento de preço em virtude de contrato escrito de que decorra acrescimo do valor das mercadorias;
III - na regularização em virtude de diferença de preço ou de quantidade das mercadorias, quando efetuada no período de apuração dos respectivos impostos em que tenha sido emitida a Nota Fiscal originária;
IV - para lançamento do impôsto sôbre produtos industrializados e/ou do impôsto de circulação de mercadorias, não pagos nas epocas próprias, em virtude de erro de cálculo ou de classificação fiscal, quando a regularização ocorrer no periodo de apuração dos respectivos impostos em que tenha sido emitida a Nota Fiscal originária;
V - no caso de diferenças apuradas no estoque de selos especiais de controle fornecidos ao usuário, pelas repartições do Fisco Federal, para aplicação em seus produtos.

§ 1.º - Na hipótese do inciso I, serão observadas as seguintes normas:
1. - a Nota Fiscal inicial será emitida se o preço de venda se estender para o todo sem indicação correspondente a cada peça ou parte; a Nota Fiscal especificará o todo, com o lançamento do impôsto sôbre produtos industrializados e destaque do impôsto de circulação de mercadorias, devendo constar que a remessa será feita em peças ou partes ;
2. - a cada remessa corresponderá nova Nota Fiscal, sem lançamento do impôsto sôbre produtos industrializados e destaque do impôsto de circulação de mercadorias, mencionando-se o número, a série e subsérie e a data da Nota Fiscal inicial.

§ 2.º - Na hipótese do inciso II, a Nota Fiscal será emitida dentro de 3 (três) dias da data em que se efetivou o reajustamento do preço.

§ 3.º - Nas hipóteses dos incisos III e IV, se a regularização não se efetuar dentro dos prazos mencionados, a Nota Fiscal será também emitida, sendo que as diferenças dos impostos devidos serão recolhidas em guias especiais, com as especificações necessárias da regularização; na via da Nota Fiscal prêsa ao talonário deverá constar essa circunstância, mencionando-se o número e a data da guia de recolhimento.

§ 4.º - Para efeito de emissão da Nota Fiscal na hipótese do inciso V:
1. - a falta de selos caracteriza saída de produtos sem a emissão de Nota Fiscal e sem pagamento do impôsto sôbre produtos industrializados e do impôsto de circulação de mercadorias;
2. - o excesso de selos caracteriza saída de produtos sem aplicação do selo e sem pagamento do impôsto sôbre produtos industrializados e do impôsto de circulação de mercadorias.

§ 5.º - A emissão da Nota Fiscal na hipótese do inciso V sómente será efetuada antes de qualquer procedimento do Fisco.

Artigo 22 - Na saída de mercadorias com destino a depósito fechado do próprio contribuinte, localizado na mesma unidade da Federação, será emitida Nota Fiscal contendo os requisitos exigidos e, especialmente:
I - valor das mercadorias;
II - natureza da operação: «Outras saídas - remessa para depósito fechado»;
III - dispositivos legais que prevem a suspensão do recolhimento do impôsto sôbre produtos industrializados e a não incidência do impôsto de circulação de mercadorias.
Artigo 23 - Na saída de mercadorias em retôrno ao estabelecimento depositante, remetidas por depósito fechado, êste emitirá Nota Fiscal contendo os requisitos exigidos e, especialmente:
I - valor das mercadorias;
II - natureza da operação: «Outras saidas - retôrno de mercadorias depositadas»;
III - dispositivos legais que prevem a suspensão do recolhimento do impôsto sôbre produtos industrializados e a não incidência do impôsto de circulação de mercadorias.
Artigo 24 - Na saída de mercadorias armazenadas em depósito fechado, com destino a outro estabelecimento ainda que da mesma emprêsa, o estabelecimento depositante emitirá Nota Fiscal contendo os requisitos exigidos e, especialmente:
I - valor da operação;
II - natureza da operação;
III - lançamento do impôsto sôbre produtos industrializados, se devido;
IV - destaque do impôsto de circulação de mercadorias, se devido;
V - circunstância de que as mercadorias serão retiradas do depósito fechado, mencionando-se endereço e números de inscrição, estadual e no CGC, dêste.

§ 1.º - Na hipótese dêste artigo o depdsito fechado, no ato da saída das mercadorias, emitirá Nota Fiscal em nome do estabelecimento depositante, sem lançamento do impôsto sôbre produtos industrializados e sem destaque do impôsto de circulação de mercadorias, contendo os requisitos exigidos e, especialmente:
1. - valor das mercadorias, que corresponderá àquele atribuído por ocasião de sua entrada no depósito fechado;
2. - natureza da operação; "Outras saídas - retôrno slmbólico de mercadorias depositadas";
3. - número, série e subsérie e data da Nota Fiscal emitida pelo estabelecimento depositante;
4. - nome, enderêço e números de inscrição, estadual e no CGC, do estabelecimento a que se destinarem as mercadorias.

§ 2.º - O depósito fechado indicará no verso das vias da Nota Fiscal emitida pelo estabelecimento depositante, que deverão acompanhar as mercadorias, a data de sua efetiva saída o número, a série e subsérie e a data da Nota Fiscal a que se refere o parágrafo anterior.

§ 3.º - A Nota Fiscal a que alude o § 1.º será enviada ao estabelecimento depositante que deverá registrá-la, na coluna própria do Registro de Entradas, dentro de 10 (dez) dias, contados da saída efetiva das mercadorias do depósito fechado.

§ 4.º- As mercadorias serão acompanhadas no seu transporte pela Nota Fiscal emitida pelo estabelecimento depositante.

Artigo 25 - Na saída de mercadorias para entrega a depósito fechado, localizado na mesma unidade da Federação do estabelecimento destinatário, ambos pertencentes à mesma empresa, o estabelecimento destinatário será considerado depositante, devendo o remetente emitir Nota Fiscal contendo os requisitos exigidos, indicando:
I - como destinatário, o estabelecimento depositante;
II - no corpo da Nota Fiscal, o local da entrega, enderêço e números de inscrição, estadual e no CGC, do depósito fechado.

§ 1.º - O depósito fechado deverá:

1.
- registrar a Nota Fiscal que acompanhou as mercadorias, na coluna própria do Registro de Entradas;
2. - apor na Nota Fiscal referida no item anterior, a data da entrada efetiva das mercadorias, remetendo-a ao estabelecimento depositante.

§ 2.º - O estabelecimento depositante deverá:

1.
- registrar a Nota Fiscal na coluna própria do Registro de Entradas, dentro de 10 (dez) dias, contados da data da entrada efetiva das mercadorias no depósito fechado;
2. - emitir Nota Fiscal relativa à saida simbólica, dentro de 10. (dez) dias, contados da data da entrada efetiva das mercadorias no depósito fechado, na forma do artigo 22, mencionando, ainda, número e data do documento fiscal emitido pelo remetente;
3. - remeter a Nota Fiscal aludida no item anterior ao depósito fechado, dentro de 5 (cinco) dias, contados da respectiva emissão.

§ 3.º - O depósito fechado deverá acrescentar na coluna "OBSERVAÇÕES do Registro de Entradas, relativamente ao lançamento previsto no item 1 do §1.°, o número, a série e subserie e a data da Nota Fiscal referida no item 2 do parágrafo anterior.

§ 4.º - Todo e qualquer crédito do impôsto sôbre produtos industrializados e|ou do impôsto de circulação de mercadorias quando cabivel, será conferido ao estabelecimento depositante.

Artigo 26 - Na saida de mercadorias para depósito em armazém geral localizado na mesma unidade da Federação do estabelecimento remetente, êste emitirá Nota Fiscal contendo os requisitos exigidos e, especialmente:
I - valor das mercadorias;
II - natureza da operação: "Outras saidas - remessa para depósito";
III - dispositivos legais que prevem a suspensão do recolhimento do impôsto sôbre produtos industrializados e a não incidência do impôsto de circulação de mercadorias. 


Parágrafo único - Na hipótese dêste artigo, se o depositante fôr produtor agropecuário, emitirá Nota Fiscal de Produtor, prevista no artigo 58 dêste Convênio. 

Artigo 27 - Nas saidas das mercadorias referidas no artigo anterior em retôrno ao estabelecimento depositante, o armazém geral emitirá Nota Fiscal contendo os requisitos exigidos e, especialmente:
I - valor das mercadorias;
II - natureza da operação: "Outras saidas - retôrno de mercadorias depositadas";
III - dispositivos legais que prevem a suspensão do recolhimento do impôsto sôbre produtos industrializados e a não incidência do impôsto de circulação de mercadorias.
Artigo 28 - Na saida de mercadorias depositadas em armazém geral, situado na mesma unidade da Federação do estabelecimento, depositante, com destino a outro estabelecimento ainda que da mesma empresa o depositante emitirá Nota Fiscal em nome do destinatário, contendo os requisitos exigidos e, especialmente:
I - valor da operação;
II - natureza da operação;
III - lançamento do impôsto sôbre produtos industrializados, se devido;
IV - destaque do impôsto de circulação de mercadorias, se devido;
V - circunstância de que as mercadorias serão retiradas do armazém geral, mencionando-se endereço e números de inscrição, estadual e no CGC, dêste.

§ 1.º - Na hipótese dêste artigo, o armazém geral, no ato da saída das mercadorias, emitirá Nota Fiscal em nome do estabelecimento depositante, sem lançamento do impôsto sôbre produtos industrializados e sem destaque do impôsto de circulação de mercadorias, contendo os requisitos exigidos e, especialmente:

1.
- valor das mercadorias, que corresponderá aquêle atribuído por ocasião de sua entrada no armazém geral;
2. - natureza da operação: «Outras saídas - retôrno simbólico de mercadorias depositadas»;
3. - numero, série e subsérie e data da Nota Fiscal emitida pelo estabelecimento depositante, na forma do «caput» dêste artigo;
4. - nome, enderêço e números de inscrição, estadual e no CGC, do estabelecimento a que se destinarem as mercadorias.

§ 2.º - O armazém geral indicará no verso das vias da Nota Fiscal emitida pelo estabelecimento depositante, que deverão acompanhar as mercadorias, a data de sua efetiva saída, o número, série e subsérie e data da Nota Fiscal a que se refere o parágrafo anterior.

§ 3.º - A Nota Fiscal a que alude o § 1.° será enviada ao estabelecimento depositante que deverá registrá-la, na coluna própria do Registro de Entradas, dentro de 10 (dez) dias contados da saída efetiva das mercadorias do armazém geral.

§ 4.º - As mercadorias serão acompanhadas no seu transporte pela Nota Fiscal emitida pelo estabelecimento depositante.

Artigo 29 - Na hipótese do artigo anterior, se o depositante fôr produtor agropecuário, emitirá Nota Fiscal de Produtor, prevista no artigo 58 dêste Convênio, em nome do estabelecimento destinatário, contendo os requisitos exigidos e, especialmente:
I - valor da operação;
II - natureza da operação;
III - indicações, quando ocorrer uma das hipóteses abaixo:
a) dos dispositivos legais que prevêm a imunidade, não incidência ou isenção do impôsto de circulação de mercadorias;
b) do número e da data, da guia de recolhimento e identificação do respectivo órgão arrecadador, quando o produtor deva recolher o impôsto de circulação de mercadorias;
c) dos dispositivos legais que prevêm o diferimento ou a suspensão do recolhimento do impôsto de circulação de mercadorias;
d) da declaração de que o impôsto de circulação de mercadorias será recolhido pelo estabelecimento destinatário;
IV - circunstância de que as mercadorias serão retiradas do armazém geral, mencionando-se endereço e números de inscrição, estadual e no CGC, dêste.

§ 1.º - O armazém geral, no ato da saída das mercadorias, emitirá Nota Fiscal em nome do estabelecimento destinatário, contendo os requisitos exigidos e, especialmente:

1.
- valor da operação, que corresponderá ao do documento fiscal emitido pelo produtor agropecuário, na forma do «caput» dêste artigo;
2. - natureza da operação: «Outras saídas - remessa por conta e ordem de terceiros»;
3. - número e data da Nota Fiscal de Produtor emitida na forma do «caput» dêste artigo, pelo produtor agropecuário, bem como nome, endereço e número de inscrição estadual dêste;
4. - número e data da guia de recolhimento do impôsto de circulação de mercadorias referida no inciso III, alínea «b», dêste artigo, e identificação do respectivo órgão arrecadador, quando fôr o caso.

§ 2.º - As mercadorias serão acompanhadas no seu transporte pela Nota Fiscal de Produtor referida no "caput" dêste artigo e pela Nota Fiscal mencionada ao parágrafo anterior.

§ 3.º - O estabelecimento destinatário, ao receber as mercadorias, emitirá a Nota Fiscal de Entrada, referida no artigo 54 dêste Convênio, contendo os requisitos exigidos e, especialmente:
1. - número e data da Nota Fiscal de Produtor emitida na forma do "caput" dêste artigo, pelo produtor agropecuário;
2. - número e data da guia de recolhimento do impôsto de circulação de mercadorias, referida no inciso III deste artigo, quando fôr o caso;
3. - número, série e subsérie e data da Nota Fiscal emitida na forma do §1.° pelo armazém geral, bem como nome, endereço e números de inscrição, estadual e no CGC, dêste.

Artigo 30 - Na saída de mercadorias depositadas em armazém geral. situado em unidade da Federação diversa do estabelecimento depositante, com destino a outro estabelecimento, ainda que da mesma empresa, o depositante emitirá Nota Fiscal contendo os requisitos exigidos e, especialmente
I - valor da operação;
II - natureza da operação;
III - circunstância de que as mercadorias serão retiradas do armazém geral, mencionando-se endereço e números de inscrição, estadual e no CGC, deste.

§ 1.º - Na Nota Fiscal emitida pelo depositante, na forma do "caput" dêste artigo, não será efetuado o lançamento do impôsto sôbre produtos industrializados e nem o destaque do impôsto de circulação de mercadorias.

§ 2.º - Na hipótese deste artigo, o armazém geral, no ato da saída das mercadorias, emitirá:

1.
- Nota Fiscal em nome do estabelecimento destinatário, contendo os requisitos exigidos e, especialmente:
a) valor da operação, que corresponderá ao da Nota Fiscal emitida pelo estabelecimento depositante, na forma do "caput" dêste artigo;
b) natureza da operação: "Outras saídas-remessa por conta e ordem de terceiros";
c) número, série e subsérie e data da Nota Fiscal emitida na forma do "caput" deste artigo, pelo estabelecimento depositante, bem como nome, endereço e números de inscrição, estadual e no CGC, deste;
d) lançamento do impôsto sôbre produtos industrializados e destaque do impôsto de circulação de mercadorias, se devidos, com a declaração: "o recolhimento do IPI e do ICM e de responsabilidade do armazém geral";
2. - Nota Fiscal em nome do estabelecimento depositante, sem lançamento do impôsto sôbre produtos industrializados e sem destaque do impôsto de circulação de mercadorias, contendo os requisitos exigidos e, especialmente:
a) valor das mercadorias, que corresponderá àquele atribuído por   ocasião de sua entrada no armazem geral;
b) natureza da operação: "Outras saidas-retôrno simbólico de mercadorias depositadas";
c) número, série e subsérie e data da Nota Fiscal emitida na forma do "caput" dêste artigo, pelo estabelecimento depositante, bem como nome, endereço e números de inscrição, estadual e no CGC, dêste;
d) nome, endereço e números de inscrição, estadual e no CGC, do estabelecimento destinatário e número, série e subsérie e data da Nota Fiscal referida no item 1.

§ 3.º - As mercadorias serão acompanhadas no seu transporte pelas Notas Fiscais referidas no "caput" deste artigo e no ítem 1 do parágrafo anterior.

§ 4.º - A Nota Fiscal a que se refere o item 2 do § 2.° será enviada ao estabelecimento depositante que deverá registrá-la na coluna própria do Registro de Entradas, dentro de 10 (dez) dias, contados da saída efetiva das mercadorias " do armazem geral.

§ 5.º - O estabelecimento destinatário, ao receber as mercadorias, registrará no Registro de Entradas a Nota Fiscal a que se refere o "caput" dêste artigo, acrescentando na coluna "Observações". o número, série e subsérie e data da Nota Fiscal a que alude o item 1 do § 2.°, bem como nome, endereço e números de inscrição, estadual e no CGC, do armazem geral e langando nas colunas próprias, quando fôr o caso, os créditos dos impostos pagos pelo armazem geral.

Artigo 31 - Na hipótese do artigo anterior, se o depositante fôr produtor agropecuário, emitirá Nota Fiscal de Produtor, prevista no artigo 58 dêste Convênio, em nome do estabelecimento destinatário, contendo os requisitos exigidos e, especialmente:
I - valor da operação;
II - natureza da operação;
III - declaração de que o impôsto de circulação de mercadorias, se devido, será recolhido pelo armazem geral;
IV - circunstância de que as mercadorias serão retiradas do armazem geral, mencionando-se o endereço e números de inscrição, estadual e no CGC, dêste.

§ 1.º - O armazem geral, no ato da saída das mercadorias, emitirá Nota Fiscal em nome do estabelecimento destinatário, contendo os requisitos exigidos e, especialmente:

1.
- valor da operação, que corresponderá ao do documento fiscal emitido pelo produtor agropecuário, na forma do "caput" dêste artigo;
2. - natureza da operação: "Outras saídas - remessa por conta e ordem de terceiros";
3. - número e data da Nota Fiscal de Produtor emitida na forma do "caput" dêste artigo pelo produtor agropecuário, bem como nome, endereço e número de inscrição estadual dêste;
4. - destaque do impôsto de circulação de mercadorias, se devido, com a declaração: "O recolhimento do ICM é de responsabilidade do armazém geral".

§
2.º - As mercadorias serão acompanhadas no seu transporte pela Nota Fiscal de Produtor referida no "caput" dêste artigo e pela Nota Fiscal mencionada no parágrafo anterior.

§
3.º - O estabelecimento destinatário, ao receber as mercadorias, emitirá Nota Fiscal de Entrada, prevista no artigo 54 dêste Convênio, contendo os requisitos exigidos e, especialmente:.

1.
- número e data 'da Nota Fiscal emitida na forma do "caput" dêste artigo pelo produtor agropecuário:
2. - número, série e subsérie da Nota Fiscal emitida na forma do 5 1º pelo armazem geral, bem como nome, enderêço e números de inscrição, estadual e no CGC, dêste;
3. - valor do impôsto de circulação de mercadorias, se devido, destacado na Nota Fiscal emitida na forma do §1º.

Artigo 32 - Na saída de mercadorias para entrega em armazém geral localizado na mesma unidade da Federação do estabelecimento destinatário, êste será considerado depositante, devendo o remetente emitir Nota Fiscal contendo os requisitos exigidos e, especialmente:
I - como destinatário, o estabeleeimento depositante;
II - valor da operação;
III - natureza da operação;
IV - local da entrega, endereço e números de inscrição, estadual e no CGC, do armazém geral;
V - lançamento do impôsto sôbre produtos industrializados, se devido;
VI - destaque do impôsto de circulação de mercadorias, se devido.

§ 1.º - O armazém geral deverá:

1.
- registrar a Nota Fiscal que acompanhou as mercadorias, no Registro   de Entradas;
2. - apor na Nota Fiscal referida no item anterior, a data da entrada efetiva das mercadorias, remetendo-a ao estabeleeimento depositante.

§ 2.º - O estabelecimento depositante deverá:

1.
- registrar a Nota Fiscal na coluna própria do Registro de Entradas, dentro de 10 (dez) dias, contados da data da entrada efetiva das mercadorias no armazém geral;
2. - emitir Nota Fiscal relativa à saida simbólica, dentro de 10 (dez) dias, contados da data da entrada efetiva das mercadorias no armazém geral, na forma do artigo 26, mencionando ainda, o número e data do documento fiscal emitido pelo remetente;
3. - remeter a Nota Fiscal aludida no item anterior ao armazém geral, dentro de 5 (cinco) dias, contados da data da sua emissão.

§ 3.º - O armazém geral deverá acrescentar na coluna "Observações" do Registro de Entradas, relativamente ao lançamento previsto no item 1 do § 1.°, o número, série e subsérie e data da Nota Fiscal referida no item 2 do parágrafo anterior.

§ 4.º - Todo e qualquer crédito do impôsto sobre produtos industrializados e|ou do impôsto de circulação de mercadorias, quando cabível, será conferido ao estabelecimento depositante.

Artigo 33 - Na hipótese do artigo anterior, se o remetente for produtor agropecuário, deverá emitir Nota Fiscal de Produtor, prevista no artigo 58 dêste Convênio, contendo os requisitos exigidos e, especialmente:
I - como destinatário, o estabelecimento depositante;
II - valor da operação;
III - natureza da operação;
TV - local da entrega, enderêço e números de inscrição estadual e no CGC, do armazém geral;
V - indicações, quando ocorrer uma das hipóteses abaixo:
a) dos dispositivos legais que prevêm a imunidade, não incidência ou isenção do impôsto de circulação de mercadorias;
b) do número e da data da guia de recolhimento e identificação do respectivo órgão arrecadador, quando o produtor deva recolher o impôsto de circulação de mercadorias;
c) dos dispositivos legais que prevêm o diferimento ou a suspensão do recolhimento do impôsto de circulação de mercadorias;
d) da declaração de que o impôsto de circulação de mercadorias será recolhido pelo estabeleeimento destinatário.

§ 1.º - O armazém geral deverá:

1.
- Registrar a Nota Fiscal de Produtor que acompanhou as mercadorias, no Registro de Entradas;
2. - Apor na Nota Fiscal de Produtor, referida no item anterior, a data da entrada efetiva das mercadorias, remetendo-a ao estabeleeimento depositante.

§ 2.º - O estabelecimento depositante deverá:

1.
- emitir Nota Fiscal de Entrada, prevista no artigo 54, dêste Convênio, contendo os requisitos exigíveis e, especialmente:
a) número e data da Nota Fiscal de Produtor emitida na forma do "caput" dêste artigo;
b) número e data da guia de recolhimento do impôsto de circulação de mercadorias referida no inciso V, alínea "b", deste artigo, quando fôr o caso;
c) circunstância de que as "mercadorias forem entregues no armazém geral, mencionando-se endereço e números de inserição, estadual e no CGC, deste;
2. - emitir Nota Fiscal relativa a saída simbólica, dentro de 10 (dez) dias, contados da data da entrada efetiva das mercadorias no armazém geral, na forma do artigo 26, mencionando, ainda, os números e datas da Nota Fiscal de Produtor e da Nota Fiscal de Entrada;
3. - remeter a Nota Fiscal aludida no item anterior ao armazém geral, dentro de 5 (cinco) dias, contados da data de sua emissão.

§ 3.º - O armazém geral deverá aerescentar na coluna "Observações" do Registro de Entradas, relativamente ao lançamento previsto no item 1 do § 1.°, o número, série e subsérie e data da Nota Fiscal referida no item 2 do parágrafo anterior.

§ 4.º - Todo e qualquer crédito do impôsto de circulação de mercadorias, quando cabível, será conferido ao estabelecimento depositante

Artigo 34 - Na saída de mercadorias para entrega em armazém geral localizado em unidade da Federação diversa do estabelecimento destinatário, êste será considerado depositante, devendo o remetente:
I - emitir Nota Fiscal,contendo os requisitos exigidos e,especialmente:
a) como destinatário, o estabelecimento depositante;
b) valor da operação;
c) natureza da operação;
d) local da entrega, enderêço e números de inserição,estadual " e no CGC,do armazém geral;
e) lançamento do impôsto sôbre produtos industrializados, se devido;
f) destaque do impôsto de circulação de mercadorias, se devido;
II - emitir Nota Fiscal para o armazém geral, a fim de acompanhar o transporte das mercadorias,sem lançamento do impôsto sôbre produtos industrializados e sem destaque do impôsto de circulação de mercadorias,contendo os requisitos exigidos e, especialmente:
a) valor da operação;
b) natureza da operação: "Outras saídas - para depósito por conta e ordem de terceiros";
c) nome endereço e números de inscrição,estadual e no CGC, do estabelecimento destinatário e depositante;
d) número série e subsérie e data da Nota Fiscal referida no inciso anterior.

§ 1.º - O estabelecimento destinatário e depositante, dentro de 10 (dez) dias, contados da data da entrada efetiva das mercadorias no armazém geral deverá emitir Nota Fiscal para êste, relativa à saída simbólica, contendo os requisitos exigidos e especialmente:

1.
- valor da operação;
2. - natureza da operação: "Outras saídas - remessa para depósito";
3. - lançamento do impôsto sôbre produtos industrializados, se devido;
4. - destaque do impôsto de circulação de mercadorias, se devido;
5. - circunstância de que as mercadorias foram entregues diretamente mente ao armazém geral,mencionando-se número, série e subsérie e data da ' Nota Fiscal, emitida na forma do inciso-I, pelo estabelecimento remetente, bem como nome,enderêço e números de inscrição,estadual e no CGC, dêste.

§ 2.º - A Nota Fiscal referida no parágrafo anterior deverá ser remetida ao armazém geral dentro de 5 (cinco) dias,contados da data da sua emissão.

§ 3.º - O armazén geral registrará a Nota Fiscal referida no § 1.º, anotando na coluna "Observações", o número, série e subsérie e data da Nota Fiscal a que alude o inciso II, bem como nome, enderêreço e números de inscrição, estadual e no CGC, do estabelecimento remetente.

Artigo 35 - Na hipótese do artigo anterior, se o remetente fôr produtor agropecuário, deverá:
I - emitir Nota Fiscal de Produtor, prevista no artigo 58 dêste Convênio, contendo os requisitos exigidos e, especialmente:
a) como destinatário, o estabelecimento depositante;
b) valor da operação;
e) natureza da operação;
d) local da entrega, enderêço e números de inserição, estadual e no CGC. do armazém geral;
e) indicação, quando for o caso, dos dispositivos legais que prevêm a imunidade, não incidência ou isenção do impôsto de circulação de mercadorias;
f) Indicação quando fôr o caso, do número e data da guia de recolhimento e identificação do respectivo órgão arrecadado, quando o produtor deva recolher o impôsto de circulação de mercadorias;
g) indicação, quando fôr o caso, dos dispositivos legais que prevêm o diferimento ou a suspensão do recolhimento do impôsto de circulação de mercadorias;
h) declaração, quando fôr o caso, de que o imposto de circulação de mercadorias será recolhido pelo estabelecimento destinatário:
II - emitir Nota Fiscal de Produtor, prevista no artigo 58 dêste Convênio, para o armazém geral, a fim de acompanhar o transporte das mercadorias, contendo os requisitos exigidos e, especialmente:
a) valor da operação;
b) natureza da operação: "Outras saidas - para depósito por conta e ordem de terceiros";
c) nome, enderêço e números de inscrições, estadual e no CGC, do estabeleeimento destinatário e depositante;
d) número e data da Nota Fiscal de Produtor referida no inciso anterior.;
e) indicação, quando fôr o caso, dos dispositivos legais que prevêm a imunidade, não incidência ou isenção do impôsto de circulação de mercadorias;
f) indicação, quando fôr o caso, do número e da data da guia de recolhimento e identificação do respectivo órgão arrecadador, quando o produtor deva recolher o impôsto de circulação de mercadorias;
g) indicação, quando fôr o caso, dos dispositivos legais que prevêm o diferimento ou a suspensão do recolhimento do impôsto da circulação de mercadorias;
h) declaração, quando fôr o caso, de que o impôsto de circulação de mercadorias será recolhido pelo estabelecimento destinatário.

§ 1.º
- O estabelecimento destinatário e depositante deverá:

1.
- emitir Nota Fiscal de Entrada, referida no artigo 54 dêste Convênio, contendo os requisitos exigidos e, especialmente:
a) número e data da Nota Fiscal de Produtor emitida na forma do inciso I dêste artigo;
b) número e data da guia de recolhimento do impôsto de circulação de mercadorias referida no inciso I, alínea «f», dêste artigo, quando fôr o caso;
c) circunstância de que as mercadorias foram entregues no armazém, geral, mencionando-se enderêço e números de inscrição estadual e no CGC, dêste;
2. - emitir Nota Fiscal para o armazém geral, dentro de 10 (dez) dias, contados da data da entrada efetiva das mercadorias no referido armazém, relativa à saída simbólica, contendo os requisitos exigidos e, especialmente:
a) valor da operação;
b) natureza da operação: - «Outras saídas - remessa para depósito»
c) destaque do impôsto de circulação de mercadorias, se devido;
d) circunstância de que as mercadorias foram entregues diretamente ao armazém geral, mencionando-se número e data da - Nota Fiscal de Produtor, emitida na forma do inciso I, pelo produtor agropecuário, bem como nome, enderêço e número de inscrição estadual dêste;
3. - remeter a Nota Fiscal aludida no item anterior ao armazém geral, dentro de 5 (cinco) dias, contados da data da sua emissão.

§ 2.º - O armazém geral registrará a Nota Fiscal referida no item 2 do parágrafo anterior, anotando na coluna «OBSERVAÇÕES», o número e data da Nota Fiscal de Produtor a que alude o inciso II, bem como nome, enderêço e número de inscrição estadual do produtor agropecuário remetente.

Artigo 36 - Nos casos de transmissão de propriedade de mercadorias , quando estas permanecerem no armazém geral, situado na mesma unidade da Federação do estabelecimento depositante e transmitente, êste emitirá Nota Fiscal para o estabelecimento adquirente, contendo os requisitos exigidos e, especialmente:
I - valor da operação;
II - natureza da operação;
III - lançamento do impôsto sôbre produtos industrializados, se devido;
IV - destaque do impôsto de circulação de mercadorias, se devido;
V - circunstância de que as mercadorias se encontram depositadas no armazém geral, mencionando-se enderêço e números de inscrição, estadual e no CGC, dêste.

§ 1.º - Na hipótese deste artigo o armazém geral emitirá Nota Fiscal para o estabelecimento depositante e transmitente, sem lançamento do impôsto sôbre produtos industrializados e sem destaque do impôsto de circulação de mercadorias, contendo os requisitos exigidos e, especialmente:
1. - valor das mercadorias, que corresponderá àquele atribuído por ocasião de sua entrada no armazém geral;
2. - natureza da operação: «Outras saídas - retôrno simbólico de mercadorias depositadas»;
3. - número, série subsérie e data da Nota Fiscal emitida pelo estabelecimento depositante e transmitente na forma do "caput" dêste artigo;
4. - nome, enderêço, e números de inscrição, estadual e no CGC, do estabelecimento adquirente.

§ 2.º - A Nota Fiscal a que alude o parágrafo anterior será enviada ao estabelecimento depositante e transmitente que deverá registrá-la na coluna própria do Registro de Entradas, dentro de 10 (dez) dias, contados da data da sua emissão.

§ 3.º - O estabelecimento adquirente deverá registrar a Nota Fiscal referida no "caput" dêste artigo, na coluna própria do Registro de Entradas, dentro de 10 (dez) dias, contados da data da sua emissão.

§ 4.º - No prazo referido no parágrafo anterior, o estabelecimento adquirente emitirá Nota Fiscal para o armazem geral, sem lançamento do impôsto sôbre produtos industrializados e sem destaque do impôsto de circulação de mercadorias cadorias, contendo os requisitos exigidos e, especialmente:
1. - valor das mercadorias, que corresponderá ao da Nota Fiscal emitida pelo estabelecimento depositante e transmitente, na forma do "caput" dêste artigo;
2. - natureza da operação: "Outras saídas - remessa simbólica de mercadorias depositadas";
3. - número, serie e subserie e data da Nota Fiscal emitida na forma do "caput" dêste artigo, pelo estabelecimento depositante e transmitente, bem como nome, enderêço e números de inscrição, estadual e no CGC, dêste.

§ 5.º - Se o estabelecimento adquirente se situar em unidade da Federação deração diversa do armazém geral, na Nota Fiscal a que se refere o parágrafo anterior será efetuado o lançamento do impôsto sôbre produtos industrializados e o destaque do impôsto de circulação de mercadorias, se devidos.

§ 6.º - A Nota Fiscal a que alude o § 4.° será enviada, dentro de 5 (cinco) dias, contados da data da sua emissão, ao armazém geral, que deverá registra-la no Registro de Entradas, dentro de 5 (cinco) dias, contados da data de seu recebimento.

Artigo 37 - Na hipótese do artigo anterior, se o depositante e transmitente fôr produtor agropecuário, deverá emitir Nota Fiscal de Produtor, prevista no artigo 58 dêste Convênio, para o estabelecimento adquirente, contendo os requisitos exigidos e, especialmente;
I - valor da operação;
II - natureza da operação;
III - indicações, quando ocorrer uma das hipóteses abaixo:
a) dos dispositivos legais que prevêm a imunidade, não incidência ou isenção do impôsto de circulação de mercadorias;
b) do número e da data da guia de recolhimento e identificação do respectivo órgão arrecadador, quando o produtor deva recolher o impôsto de circulação de mercadorias;
c) dos dispositivos legais que prevem o diferimento ou a suspensão do recolhimento do impôsto de circulação de mercadorias;
d) da declaração de que o Impôsto de circulação de mercadorias será recolhido pelo estabelecimento destinatário;
IV - circunstância de que as mercadorias se encontram depositadas em armazém geral, mencionando-se enderêço e números de inscrição, estadual e no, CGC, deste.

§ 1.º - Na hipótese deste artigo o armazém geral emitirá Nota Fiscal para o estabelecimento adquirente, sem destaque do impôsto de circulação de mercadorias, contendo os requisitos exigidos e, especialmente:

1.
- valor da operação, que corresponderá ao da Nota Fiscal de Produtor, emitida pelo produtor agropecuário na forma do "caput" deste artigo;
2. - natureza da operação: "Outras saídas - remessa por conta e ordem de terceiros";
3. - número e data da Nota Fiscal de Produtor emitida na forma do "caput" dêste artigo pelo produtor agropecuário, bem como nome, endereço e número de inscrição estadual dêste;
4. - número e data da guia de recolhimento do impôsto de circulação de mercadorias referida no inciso III. alínea "b", deste artigo, quando fôr o caso.

§ 2.º - O estabelecimento adquirente deverá:

1.
- emitir Nota Fiscal de Entrada, referida no artigo 54 deste Convênio, contendo os requisitos exigidos e, especialmente:
a) número e data da Nota Fiscal de Produtor emitida na forma do «caput» dêste artigo;
b) número e data da guia de recolhimento do impôsto de circulação de mercadorias referida no inciso III, alínea «b», dêste artigo;
c) circunstância de que as mercadorias se encontram depositadas no armazem geral, mencionando-se enderêgo e números de inscrição, estadual e no CGC, dêste;
2. - emitir, na mesma data da emissão da Nota Fiscal de Entrada, Nota Fiscal para o armazem geral, sem destaque do impôsto de circulação de mercadorias, contendo os requisitos exigidos e, especialmente:
a) valor da operação, que corresponderá ao da Nota Fiscal de Produtor emitida pelo produtor agropecuário, na forma do «caput» dêste artigo;
b) natureza da operação: «Outras saidas - remessa simbólica de mercadorias depositadas».
c) números e datas da Nota Fiscal de Produtor e da Nota Fiscal de Entrada, bem como nome e enderêço do produtor agropecuário.

§ 3.º - Se o estabelecimento adquirente se situar em unidade da Federação diversa do armazém geral, na Nota Fiscal a que se refere o item 2 do parágrafo anterior, será efetuado o destaque do impôsto de circulação de mercadorias, se devido.

§ 4.º - A Nota Fiscal a que alude o item 2 do § 2.°, será enviada, dentro de 5 (cinco) dias, contados da data da sua emissão, ao armazém geral, que deverá registrá-la no Registro de Entradas, dentro de 5 (cinco) dias, contados da data do seu recebimento.

Artigo 38 - Nos casos de transmissão de propriedade de mercadorias, quando estas permanecerem no armazém geral situado em unidade da Federação diversa do estabelecimento depositante e transmitente, êste emitirá Nota Fiscal para o estabelecimento adquirente, sem lançamento do impôsto sôbre produtos industrializados e sem destaque do impôsto de circulação de mercadorias, contendo os requisitos exigidos e, especialmente:
I - valor da operação;
II - natureza da operação;
III - circunstância de que as mercadorias se encontram depositadas em armazém geral, mencionando-se endereço e números de inscrição, estadual e no CGC, dêste.

§ 1.º - Na hipótese deste artigo, o armazém geral emitirá:

1 - Nota Fiscal para o estabelecimento depositante e transmitente sem lançamento do impôsto sôbre produtos industrializadois e sem destaque do impôsto de circulação de mercadorias, contendo os requisitos exigidos e, especialmente:
a) valor das mercadorias, que corresponderá aquêle atribuído por ocasião de sua entrada no armazém geral:
b) natureza da operação: «Outras saídas - retôrno simbólico de mercadorias depositadas»;
c) número, série e subsérie e data da Nota Fiscal emitida pelo estabelecimento depositante e transmitente, na forma do «caput» dêste artigo;
d) nome, endereço e números de inscrição, estadual e no CGC, do estabelecimento adquirente;
2 - Nota Fiscal para o estabelecimento adquirente, contendo os requisitps exigidos e, especialmente:
a) valor da operação que corresponderá ao da Nota Fiscal emitida pelo estabelecimento depositante e transmitente, na forma do "caput" dêste artigo;
b) natureza da operação: «Outras saídas - transmisão de propriedade de mercadorias por conta e ordem de terceiros»;
c) lançamento do impôsyo sôbre produtos industrialiazados, se devido;
d) destaque do impôsto dôbre produtos industrializados, se devido;
e) número, série e subsérie e data da Nota Fiscal emitida na forma do «caput» dêste artigo, pelo estabelecimento depositante e transmitente, bem como nome, endereço e números de inscrição, estadual e no CGC, dêste.

§ 2.º - A Nota Fiscal a que alude o item 1 do parágrafo anterior, será enviada dentro de 5 (cinco) dias, contados da data da sua emissão, ao estabelecimento depositante e transmitente, que deverá registrá-la na coluna própria do Registri de Entradas, dentro de 5 (cinco) dias, contados da data de seu recebimento.

§ 3.º - A Nota Fiscal a que alude o iyem 2 do §1.°, será enviada dentro de 5 (cinco) dias, contadas da data da sua emissão, ao estabelecimento adquirente que deverá registrá-la, na coluna própria do Registro de Entradas dentro de 5 (cinco) dias da data de seu recebimento, acrescentando na coluna "Observações" do Registro de Entradas, número, série e subsérie e data da Nota Fiscal referida no "caput" dêste artigo, bem como nome, endereço e números de inscrição, estadual e no CGC, do estabelecimento depositante e transmitente.

§ 4.º - No prazo referido no parágrafo anterior, o estabelecimento adquirente emitirá Nota Fiscal para o armazém geral, sem lançamento do impôsto sôbre produtos industrializados e sem destaque do impôsto de circulação de mercadorias, contendo os requisitos exigidos e, especialmene: 1. - valor da operação, que corresponderá ao da Nota Fiscal emitida pelo estabelecimento depositante e transmitente, na forma do "caput" dêste artigo. 2. - natureza da operação: "Outras saídas - remessa simbólica de mercadorias depositadas";
3. - número, série e subsérie e data da Nota Fiscal emitida na forma do "caput" dêste artigo, pelo estabelecimento depositante e transmitente, bem como nome, endereço e números de inscrição, estadual e no CGC, dêste.

§ 5.º - Se o estabelecimento adquirente se situar em unidade da Federação diversa do armazém geral, na Nota Fiscal a que se refere o parágrafo anterior será efetuado o lançamento do impõsto sõbre produtos industrializados e o destaque do impõsto de circulação de mercadorias, se devidos.

§ 6.º - A Nota Fiscal a que alude o § 4.º será enviada, dentro de 5 (cinco) dias, contados da data da sua emissão, ao armazém geral, que deverá registrá-la no Registro de Entradas, dentro de 5 (cinco) dias, contados da data de seu recebimento.

Artigo 39 - Na hipótese do artigo anterior, se o depositante e transmitente fôr produtor agropecuário, aplicar-se-á o disposto no artigo 37.
Artigo 40 - Nas vendas à ordem, ou para entrega futura, poderá ser emitida Nota Fiscal, com o lançamento do imposto sôbre produtos industrializados e com destaque do impôsto de circulação de mercadorias, quando devidos, mencionando-se no documento que a emissão se destina a simples faturamento.

§ 1.º - Na hipótese dêste artigo, os impostos sôbre produtos industrializados e de circulação de mercadorias, incidentes sôbre a saída, serão antecipadamente recolhidos pelo vendedor, por ocasião da venda.

§ 2.º - As 1.ª e 2.ª vias da Nota Fiscal emitida na forma dêste artigo serão, pelo vendedor, remetidas ao comprador.

§ 3.º - Por ocasião da entrega global ou parcelada das mercadorias ao comprador ou a terceiros, será emitida, pelo vendedor, Nota Fiscal sem indicação dos impostos. Serão, porém, obrigatoriamente indicadas o número, a data e o valor da operação, constante da nota relativa à venda e, nos casos de venda à ordem, da Nota Fiscal extraída por aquêle a cuja ordem foi feita a entrega Êste, por sua vez, remeterá ao destinatário as 1.ª e 2.ª vias da Nota Fiscal que emitir, cujo valor, no caso de transmissão de propriedade das mercadorias, será o da respectiva operação.

§ 4.º - Provado, em qualquer caso, que a venda se desfez antes da saída das mercadorias e que o comprador estornou o crédito correspondente à compra, poderá o vendedor requerer a compensação dos impostos pagos.

Artigo 41 - Na saída de mercadorias para realização de operações fora do estabelecimento, inclusive por meio de veículos, o contribuinte emitirá Nota Fiscal na qual, além das exigências previstas no artigo 19, será feita a indicação dos números e respectivas séries e subséries das Notas Fiscais a serem emitidas por ocasião das entregas das mercadorias.

§ 1.º - Por ocasião do retôrno do veículo, o estabelecimento arquivará a 1.ª via da Nota Fiscal relativa a remessa e emitirá a Nota Fiscal da Entrada prevista no artigo 54 dêste Convênio, a fim de se creditar dos impostos sôbre produtos industrializados e de circulação de mercadorias pagos em relação ás mercadorias não entregues, mediante o lançamento dêsse documento no Registro de Entradas.

§ 2.º - Os contribuintes que operarem na conformidade deste artigo por intermédio de prepostos fornecerão, a êstes, documento comprobatório de sua condição.

Artigo 42 - Nas operações em que um estabelecimento mandar industrializar mercadorias, com fornecimento de matérias-primas, produtos intermediários e material de embalagens, adquiridos de outro, os quais, sem transitar pelo estabelecimento adquirente, fôrem entregues pelo fornecedor diretamente ao industrializador, observar-se-á o disposto nêste artigo.

§ 1.º - O estabelecimento fornecedor devera:

1
- Emitir Nota Fiscal em nome do estabelecimento adquirente, da qual, além das exigências previstas no artigo 19, constarão também nome, enderêço e números de inscrição, estadual e no CGC, do estabelecimento em que os produtos serão entregues, bem como a circunstância de que se destinam a industrialização;
2 - Efetuar na Nota Fiscal referida no item anterior o lançamento do impôsto sôbre produtos industrializados e o destaque do impôsto de circulação de mercadorias, quando devidos, que serão aproveitados como crédito pelo adquirente, se fôr o caso:
3 - Emitir Nota Fiscal, sem destaque de impostos, para acompanhar o transporte das mercadorias ao estabelecimento industrializador, mencionado, além das exigências previstas no artigo 19, número, série e subsérie e data da Nota Fiscal referida no item 1 e nome, enderêço e números de inscrição, estadual e no CGC, do adquirente, por cuja conta e ordem a mercadoria será industrializada.

§ 2.º - O estabelecimento industrializador deverá:

1
- Emitir Nota Fiscal, na saída do produto industrializado com destino ao adquirente, autor da encomenda, da qual, além das exigências previstas no artigo 19, constarão o nome, enderêço e números de inscrição, estadual e no CGC, do fornecedor e número, série e subsérie e data da Nota Fiscal por êste emitida, bem como o valor da mercadoria recebida para industrialização e o valor total cobrado do autor da encomenda, destacando dêstes, o valor das mercadorias empregadas;
2 - Efetuar na Nota Fiscal referida no item anterior, sôbre o valor total cobrado do autor da encomenda, o lançamento do impôsto sôbre produtos industrializados e o desta que do impôsto de circulação de mercadorias, se exigidos, que serão aproveitadcs como crédito pelo autor da encomenda, se fôr o caso.

Artigo 43
- Na hipótese do artigo anterior, se as mercadorias tiverem que transitar por mais de um estabeleeimento industrializador, antes de serem entregues ao adquirente, autor da encomenda, cada industrializador deverá:
I - Emitir Nota Fiscal para acompanhar o transporte das mercadorias ao industrializador seguinte, sem lançamento do impôsto sôbre produtos industrializados e sem destaque do impôsto de circulação de mercadorias, contendo também, além das exigências previstas no artigo 19;
a) a indicação de que a remessa se destina a industrialização por conta e ordem do adquirente, autor da encomenda, que será qualificado nessa nota;
b) a indicação do número, série e subsérie e data da Nota Fiscal e nome, endereço e números de inscrição, estadual e no CGC, do seu emitente, pela qual foram as mercadorias recebidas em seu estabeleeimento;
II - Emitir Nota Fiscal em nome do estabeleeimento adquirente, autor da encomenda, contendo também, além das exigências previstas no artigo 19:
a) a indicação do número, série e subsérie e data da Nota Fiscal e nome, enderêço e números de inscrição, estadual e no CGC, do seu emitente, pela qual foram as mercadorias recebidas em seu estabelecimento;
b) a indicação do número, série e subsérie e data da Nota Fiscal referida no inciso anterior;
c) o valor das mercadorias recebidas para industrialização, e o valor total cobrado do autor da encomenda, destacando dêste, o valor das mercadorias empregadas;
d) o lançamento, sôbre o valor total cobrado do autor da encomenda, do impôsto sôbre produtos industrializados e o destaque do impôsto de circulação de mercadorias, se exigidos, que serão aproveitados como crédito, pelo autor da encomenda, se fôr o caso.
Artigo 44 - Fora dos casos previstos nas legislações do impôstos sôbre produtos industrializados e de circulação de mercadorias é vedada a emissão de Nota Fiscal que não corresponda a uma efetiva saída de mercadorias.
Artigo 45 - A Nota Fiscal será extraída no mínimo em 3 (três) vias ou, em se tratando de saída de mercadorias para outra unidade da Federação, no mínimo em 5 (cinco) vias.
Artigo 46 - Na saída de mercadorias para destinatário localizado na mesma Unidade da Federação, as vias da Nota Fiscal terão o seguinte destino:
I - a l.ª via acompanhará as mercadorias no seu transporte, para ser entregue, pelo transportador, ao destinatário;
II - a 2.ª via terá o destino previsto na legislação estadual;
III - a 3.ª via ficará prêsa ao bloco, para exibição ao Fisco.

Parágrafo único - Na hipótese de o contribuinte utilizar Nota FiscalFatura e de ser obrigatório o uso de livro copiador, a última via será substituída pela fôlha do referido livre.

Artigo 47 - Na saída para outra unidade da Federação as vias da Nota Fiscal terão o seguinte destino:
I - a 1.ª via acompanhará as mercadorias e será entregue, pelo transportador, ao destinatário;
II - a 2.ª via será entregue diretamente pelo emitente:
a) no caso de remessa por vias internas, A Agência Municipal de Estatística da Fundação do Instituto Brasileiro de Geografia e Estatística que o jurisdiciona, até o dia 10 (dez) de cada mês subsequente ao da emissão;
b) no caso de ser utilizado transporte marítimo, juntamente com uma cópia adicional, quando da remessa da mercadoria para despacho à Repartição Aduaneira, que a encaminhará ao órgão regional de estatistica da respectiva unidade da Federação arquivando a cópia;
III - a 3.ª, via acompanhará as mercadorias e destinar-se-á a fins de contrôle na unidade da Federação do destinatário;
IV - a 4ª. via terá o destino previsto na legislação da unidade da Federação do emitente, podendo ser suprimida a critério do Fisco estadual,
V - a 5.ª via ficará prêsa ao bloco, para exibição ao Fisco. 


Parágrafo único - Na hipótese de o contribuinte utilizar Nota Fiscal Fatura e de ser obrigatório o uso de livro copiador, a última via será substituida pela fôlha do referido livro. 

Artigo 48 - Na saída para o exterior, a Nota Fiscal será emitida:
I - se as mercadorias fôrem embarcadas na unidade da Federação do remetente, na forma prevista no artigo 46;
II - se o embarque se processar em outra unidade da Federação, será emitida uma via adicional que será entregue ao Fisco estadual do local do embarque.
Artigo 49 - Na saída de produtos industrializados de origem nacional, com destino à Zona Franca de Manaus a Nota Fiscal será emitida em 6 (seis) vias, que terão o seguinte destino.
I - a 1.ª via, depois de visada préviamente pela repartição do Fisco estadual a que estiver subordinado o contribuinte, acompanhará as mercadorias e será entregue ao destinatário;
II - a 2.ª via será entregue diretamente pelo emitente:
a) no caso de remessa por vias internas, à Agência Municipal de Estatística da Fundação do Instituto Brasileiro de Geografia e Estatística que o jurisdiciona, até o dia 10 (dez) de cada mes subsequente ao da emissão;
b) no caso de ser utilizado transporte maritimo, juntamente com uma cópia adicional, quando da remessa das mercadorias para despacho, à Repartição Aduaneira, que a encaminhará ao órgão regional de estatística da respectiva unidade da Federação arquivando a cópia;
III - a 3.ª via, devidamente visada, acompanhará as mercadorias e destinar-se-á a fins de contrôle na unidade da Federação do destinatário;
IV - a 4.ª via, devidamente visada, acompanhará as mercadorias até o local de destino, devendo ser devolvida à repartição fiscal referida no inciso I;
V - a 5.ª via será retida pela repartição do Fisco estadual no momento do "visto" a que alude o inciso I;
VI - a 6.ª via ficará prêsa ao bloco, para exibição ao Fisco.

§ 1.º - Dentro do prazo de 120 (cento e vinte) dias, contados da data da emissão da Nota Fiscal, o contribuinte fica obrigado a provar que houve entrega real das mercadorias, na Zona Franca de Manaus, a seu destinatário.

§ 2.º - A prova será produzida mediante a apresentação de uma das vias do conhecimento de transporte e da 4.ª via da Nota Fiscal, datadas e visadas pela Superintendencia da Zona Franca de Manaus (SUFRAMA), à repartição fiscal mencionada no inciso I, que reterá a via da Nota Fiscal e visará o conhecimento de transporte, devolvendo-o ao contribuinte.

§ 3.º - Na hipótese em que não haja emissão de conhecimento de transporte, a exigência desse documento será suprida por declaração do transportador, devidamente datada e visada pela Superintendência da Zona Franca de Manaus (SUFRAMA), de que as mercadorias foram entregues ao destinatário.

§ 4.º - O prazo que se refere o §1.°, a critério da repartição do Fisco estadual, poderá ser prorrogado por mais 60 (sessenta) dias.

§ 5.º - Será facultada ao contribuinte a emissão de Nota Fiscal em 5 (cinco) vias, sendo a 5.º via prêsa ao bloco, caso em que será oferecida, para os fins do inciso 'V, cópia de uma das vias da Nota Fiscal.

§ 6.º - Na hipótese de o contribuinte utilizar Nota Fiscal-Fatura e de ser obrigatório o uso de livro copiador, a última via será substituída pela fôlha do referido livro.

SEÇÃO III

Da Nota Fiscal de Venda a Consumidor
Artigo 50 - Nas vendas A vista, a consumidores, em que as mercadorias fôrem retiradas pelo comprador, poderá ser autorizada, em substituição A Nota Fiscal, modelo 1, a emissão de Nota Fiscal de Venda a Consumidor, modelo 2. 


Parágrafo único - O vendedor que fôr também contribuinte do impôsto sôbre produtos industrializados deverá atender a legislação própria. 

Artigo 51 - A Nota Fiscal de Venda a Consumidor conterá as seguintes indicações:
I - a denominação "Nota Fiscal de Venda a Consumidor";
II - o número de ordem, série e subsérie e o número da via;
III - a data da emissão:
IV - o nome, o enderêço e os numeros de inscrição, estadual e no CGC, do estabelecimento emitente;
V - a discriminação das mercadorias, quantidade, marca, tipo, modêlo espécie, qualidade e demais elementos que permitam sua perfeita identificação
VI - os valôres, unitário e total, das mercadorias e o valor total da operação;
VII - O nome, o enderêço e os números de inscrição, estadual e no CGC, do impressor da nota, a data e a quantidade da impressão, o número de ordem da primeira e da última nota impressa e respectiva série e subsérie, e o número da autorização de impressão de documentos fiscais, quando exigida.

§ 1.º - As indicações dos incisos I, II, IV e VII serão impressas.

§ 2.º - A Nota Fiscal de Venda a Consumidor será de tamanho não Inferior a 7,4 x 10,5 cm., em qualquer sentido.

Artigo 52 - A Nota Fiscal de Venda a Consumidor será extraida, no minimo, em 2 (duas) vias, sendo a l.° via entregue ao comprador e a 2.° via prêsa ao bloco, para exibição ao Fisco.
Artigo 53 - Em substituição A Nota Fiscal de Venda a Consumidor poderá ser autorizada a emissão de Cupom de Máquinas Registradoras ou de Nota Fiscal Simplificada.

§ 1.º - Na hipótese deste artigo, os documentos fiscais deverão conter no minimo, as seguintes indicações:
1. - Cupom de Máquinas Registradoras:
a) o nome, o enderêço e os números de inscrição, estadual e no CGC, do emitente;
b) a data da emissão: dia, mês e ano;
c) o número de ordem da operação;
d) o valor total da operação;
2. - Nota Fiscal Simplificada:
a) a denominação "Nota Fiscal Simplificada" e o número de ordem;
b) a natureza da operação: venda a consumidor;
c) a data da emissão: dia, mês e ano.
d) o nome, o endereço e os números de inscrição, estadual e no CGC do emitente;
e) o valor total da operação;
f) o nome o enderêço e os números de inscrição estadual, e no CGC, do impressor da nota, a data e a quantidade da impressão, o número de ordem da primeira e da última nota impressa e respectiva série e subsérie, e o número da autorização de impressão de documentos fiscais, quando exigida.

§ 2.º - As indicações das alíneas "a", "b", "d" e "f" do item 2 do parágrafo anterior, serão impressas.

§ 3.º - A Nota Fiscal Simplificada terá a dimensão de 7,4 x 10,5 cm., em qualquer sentido.

SEÇÃO IV

Da Nota Fiscal de Entrada
Artigo 54 - Os estabelecimentos, excetuados os de produtores agropecuários, emitirão a Nota Fiscal de Entrada sempre que no estabelecimento entrarem mercadorias, real ou simbolicamente:
I - novas ou usadas, remetidas a qualquer título, por particulares, produtores agropecuários, ou pessoas físicas ou jurídicas não obrigadas a emissão de documentos fiscais;
II - em retôrno, quando remetidas por profissionais autônomos ou avulsos aos quais tenham sido enviadas para industrialização;
III - em retôrno de exposições ou feiras para as quais tenham sido remetidas exclusivamente para fins de exposição ao público;
IV - em retôrno de remessas feitas para venda fora do estabelecimento, inclusive por meio de veículos;
V - estrangeiras, importadas diretamente, bem como as arrematadas em leilão ou adquridas em concorrência, promovidos pelo Poper Público;
VI - em outras hipóteses previstas na legislação.

§ 1.º - O documento previsto neste artigo servirá para acompanhar o trânsito das mercadorias até o local do estabelecimento emitente, nas seguintes hipóteses:
1. - quando o estabelecimento destinatário assumir o encargo de retirar ou de transportar as mercadorias, a qualquer título, remetidas por particulares ou por produtores agropecuários, do mesmo ou de outro Município;
2. - nos retornos a que se referem os incisos II e III;
3. - nos casos do inciso V.

§ 2.º - A Nota Fiscal de Entrada será também emitida pelos contribuintes nos casos de retôrno de mercadorias não entregues ao destinatário.

§ 3.º - Na hipótese do item 3 do § 1°, o transporte das mercadorias da local do desembaraço ao estabelecimento do importador ou arrematante, será acompanhado pelo documento de desembaraço expedido pela repartição competente do Fisco Federal e pela Nota Fiscal de Entrada.

§ 4.º - Se o transporte referido no parágrafo anterior fôr feito parceladamente, cada operação de transporte será acompanhada pelo documento de desembaraço e por nova Nota Fiscal de Entrada, na qual se mencionará o número e data da Nota Fiscal de Entrada original, bem como a declaração de que o impôsto de circulção de mercadorias, se devido, foi recolhido.

§ 5.º - As unidades da Federação poderão dispensar a emissão de Nota Fiscal de Entrada nos casos dos incisos I, II, III e IV.

Artigo 55 - A Nota Fiscal de Entrada conterá as seguintes indicações:
I - a denominação "Nota Fiscal de Entrada";
II - o número de ordem, série e o número da via;
III - a data da emissão;
IV - o nome, o endereço e os numeros de inscrição, estadual e no CGC, do emitente;
V - o nome, o endereço e os números de inscrição, estadual e no CGC do remetente, quando se tratar de pessoa obrigada à inscrição;
VI - a discriminação das mercadorias entradas: quantidade, marca, tipo, modelo, espécie, qualidade e demais elementos que permitam sua perfeita identificação;
VII - o valor unitário e o valor total das mercadorias;
VIII - o nome, o endereço e os números de inscrição, estadual e no CGC. do impressor da nota, a data e a quantidade da impressão o número de ordem da primeira e da Ultima nota impressa e respectiva série e subsérie, e o numero da autorização de impressão de documentos fiscais, quando exigida.
IX - a natureza da operação de que decorreu a entrada.

§ 1.º - As indicações constantes dos incisos I, II, IV e VIII serão impressas.

§ 2.º - Na hipótese do inciso IV do artigo anterior, a Nota Fiscal de Entrada conterá, ainda, as seguintes indicações:

1.
- o valor das operações realizadas fora do estabelecimento;
2. - o valor das operações realizadas fora do estabelecimento, em outra unidade da Federação;
3. - os números e respectivas séries e subséries das Notas Fiscais emitidas por ocasião das entregas das mercadorias.

§ 3.º - Na hipótese do inciso V do artigo anterior, a Nota Fiscal de Entrada conterá, ainda, a identificação da repartição onde se processou o desembaraço, bem como o número e a data do documento de desembaraço.

§ 4.º- A Nota Fiscal de Entrada será de tamanho não inferior a 14,8 x 21 cm. em qualquer sentido.

Artigo 56 - A Nota Fiscal de Entrada será emitida, conforme o caso:
I - no momento em que as mercadorias entrarem no estabelecimento ;
II - no momento da aquisição da propriedade, quando as mercadorias não devam transitar pelo estabelecimento do adquirente;
III - antes de iniciada a remessa, nos casos previstos no §1.° do artigo 54. 


Parágrafo único - A emissão da Nota Fiscal de Entrada, na hipótese do item do §1.° do artigo 54, não exclui a obrigatoriedade da emissão da Nota Fiscal de Produtor. 

Artigo 57 - A Nota Fiscal de Entrada será emitida, no mínimo, em 3 (três) vias, que terão a destinação estabelecida pelo Fisco Estadual.

SEÇÃO 'V

Da Nota Fiscal de Produtor
Artigo 58 - Os estabelecimentos de produtores agropecuários emitirão Nota Fiscal de Produtor, modêlo 4:
I - sempre que promoverem a saida de mercadorias;
II - na transmissão da propriedade de mercadorias;
III - em outras hipóteses previstas na legislação.

§ 1.º - A Nota Fiscal de Produtor conterá as seguintes indicações tipográficamente impressas:
1. - denominação "Nota Fiscal de Produtor";
2. - número de ordem e número da via;
3
- demais composições tipográficas do modêlo, constantes de palavas expressões, linhas e retângulos.

§ 2.º - Os dados relativos ao emitente poderão ser impressos ou não, a critério das unidades da Federação.

Artigo 59 - Na Nota Fiscal de Produtor serão lançados, nos locais próprios, os seguintes elementos:
I - nome, endereço, números de inscrição, estadual e no CGC, quando exigidas, do emitente, se não fôr exigida a impressão tipográfica de tais dados;
II - data da emissão e da saida efetiva das mercadorias do estabelecimento;
III - nome, enderêço, números de inscrição, estadual e no CGC, do destinatário, ou sua qualificação, se não inscrito:
IV - natureza da operação (venda, consignação, remessa para beneficiamento, etc,);
V - discriminação das mercadorias por quantidades. unidade espécie, qualidade, marca, tipo e demais elementos que permitam a sua perfeita identificação;
VI - preços unitários das mercadorias, seus valôres parciais e valor total da operação, bem como a base de cálculo, na falta daquêle ou dêle diferente;
VII - destaque do imposto de circulação de mercadorias, quando fôr o caso;
VIII - nome da empresa transportadora, ou do transportador autônomo, e o endereço completo deste;
IX - quando se tratar de transportador autônomo número da placa do veículo, Município e Estado de emplacamento. 


Parágrafo único - Os dados referidos no inciso VI poderão ser dispensados quando as mercadorias estiverem sujeitas a posterior fixação de preço, indicando-se no documento essa circunstância. 

Artigo 60 - Na saida de mercadorias de estabelecimento de produtor agropecuário, a Nota Fiscal de Produtor será emitida:
I - em 3 (três) vias, que terão a mesma destinação prevista no artigo 46 para a Nota Fiscal, quando as mercadorias se destinarem a estabelecimento localizado na mesma unidade da Federação ou para o exterior;
II - em 5 (cinco) vias que terão a mesma destinação prevista no artigo 47 para a Nota Fiscal quando as mercadorias se destinarem a estabelecimento localizado calizado em outra unidade da Federação.

§ 1.º - No caso de saída para o exterior, se o embarque se processar em outra unidade da Federação será emitida uma via adicional que será entregue ao Fisco estadual do local de embarque.

§ 2.º - Fica facultado As unidades da Federação exigir número maior dc vias.

SEÇÃO 'VI

Do Demonstrativo do Crédito de Exportação
Artigo 6.º - O Demonstrativo do Crédito de Exportação, modêlo 5, será preenchido pelos contribuintes que fizérem jus aos incentivos fiscais ás exportação portações e conterá as seguintes indicações:
I - série e subsérie, número e data da nota fiscal;
II - número e data da guia de exportação;
III - série e subsérie número e data do conhecimento de embarque;
IV - discriminação do produto exportado;
V - país de destino;
VI - posição e inciso do produto na Tabela anexa ao Regulamento do Impôsto sôbre Produtos Industrializados;
VII - percentual utilizado para cálculo do incentivo fiscal do impôsto sôbre produtos industrializados;
VIII - percentual utilizado para cálculo do crédito do impôsto de circulação de mercadorias;
IX - a condição de exportador, se cláusula FOB, CIF, C&F ou C&I;
X - valor, em moeda nacional, para efeito de cálculo do impôsto sôbre produtos industrializados;
XI - valor em moeda nacional para efeito de cálculo do impôsto de circulação de mercadorias;
XII - valor do crédito do impôsto sôbre produtos industrialixados;
XIII - valor do crédito do impôsto de circulação de mercadorias;
XIV - declaração de que a exportação goza do incentivo previsto na legislação do impôsto sôbre produtos industrializados;
XV - data e assinatura do contribuinte ou seu representante legal. 


Parágrafo único - O Demonstrativo a que alude êste artigo será preenchido , no mínimo, em 2 (duas) vias, que terão o seguinte destino:
1. - a 1.ª via será entregue à repartição do Fisco estadual a que estiver subordinado o estabeleeimento, nos prazos determinados;
2. - a 2.ª via, visada pela repartição fiscal, ficará em poder do contribuinte para contrôle e exibição ao Fisco.

SEÇÃO 'VII  

Do Demonstrativo do Crédito de Equipamentos Industriais
Artigo 62 - Os estabelecimentos industriais que se creditarem do impôsto de circulação de mercadorias, relativamente à aquisição de equipamentos industriais, destinados a integrar o seu ativo fixo, de conformidade com o estabelecido em Convênio entre Estados, preencherão um Demonstrativo, modelo 6, que conterá as seguintes indicações:
I - Entrada do Equipamento Industrial:
a) data, número, série e subsérie da Nota Fiscal;
b) número do livro e da fôlha do Registro de Entradas em que foi escriturada a Nota Fiscal referida na alínea anterior;
c) nome do emitente da Nota Fiscal;
d) valor contábil: valor total da operação;
II - Aproveitamento do Crédito:
a) período de apuração do impôsto;
b) saldo devedor do impôsto: saldo a recolher apurado no período;
c) valor do impôsto destacado na Nota Fiscal referida na alínea "a" do inciso anterior;
d) dedução do percentual de até 10% (dez por cento) do valor a que se refere a alínea "b" deste inciso;
e) saldo do crédito de impôsto a ser utilizado;
III - Coluna relativa a "OBSERVAÇÕES".

§ 1.º - O Demonstrativo a que alude êste artigo será preenchido em uma única via e permanecerá em poder do contribuinte.

§ 2.º - As unidades da Federação poderão dispensar a adoção deste documento.

CAPÍTULO III

DOS LIVROS FISCAIS
SEÇÃO I

Dos Livros em Geral
Artigo 63 - Os contribuintes e as pessoas obrigadas á inscrição, deverão manter, em cada um dos estabelecimentos, os seguintes livros fiscais, de conformidade com as operações que realizarem:
I - Registro de Entradas, modêlo 1;
II - Registro de Entradas, modêlo 1-A;
III - Registro de Saídas, modêlo 2;
IV - Registro de Saídas, modêlo 2-A;
V - Registro de Contrôle da Produção e do Estoque, modêlo 3;
VI - Registro do Sêlo Especial de Contrôle, modêlo 4;
VII - Registro de Impressão de Documentos Fiscais, modêlo 5;
VIII - Registro de Utilização de Documentos Fiscais e Têrmos de Ocorrências, modêlo 6;
IX - Registro de Inventário, modêlo 7;
X - Registro de Apuração do IPI, modêlo 8;
XI - Registro de Apuração do ICM, modêlo 9;

§ 1.º - Os livros fiscais obedecerão aos modelos anexos que fazem parte integarnte deste Convênio.

§ 2.º - Os livros Registro de Entradas, modêlo 1 e Registro de Saídas, modêlo 2, serão utilizados pelos contribuintes sujeitos, simultâneamente, as legislações dos impostos sôbre produtos industrializados e de circulação de mercadorias.

§ 3.º - Os livros Registro de Entradas, modêlo 1-A e Registro de Saídas, modêlo 2-A, serão utilizados pelos contribuintes sujeitos apenas á legislação do impôsto de circulação de mercadorias.

§ 4.º - O livro Registro de Contrôle da Produção e do Estoque será utilizado pelos estabelecimentos industriais ou a êles equiparados pela legislação federal e pelos atacadistas, podendo, a critério do Fisco, ser exigido de estabelecimentos, de contribuintes de outros setôres, com as adaptações necessárias.

§ 5.º - O livro Registro do Sêlo Especial de Contrôle será utilizado nas hipóteses previstas na legislação do impôsto sôbre produtos industrializados

§ 6.º - O livro Registro de Impressão de Documentos Fiscais será utilizado pelos estabelecimentos que confeccionarem documentos fiscais para terceiros ou para uso próprio.

§ 7.º - O livro Registro de Utilização de Documentos Fiscais e Têrmos de Ocorrências será utilizado por todos os estabelecimentos obrigados à emissão de documentos fiscais.

§ 8.º - O livro Registro de Inventário será utilizado por todos os estabelecimentos que mantenham mercadorias em estoque.

§ 9.º - O livro Registro de Apuração do IPI será utilizado pelos estabelecimentos industriais, ou a êles equiparados, contribuintes do impôsto sôbre produtos industrializados.

§ 10.º - O livro Registro de Apuração do ICM será utilizado por todos os estabelecimentos inscritos como contribuintes do impôsto de circulação de mercadorias.

§ 11.º - O livro referido no parágrafo anterior poderá, a critério do Fisco, ser dispensado:
1. - se fôr adotada a Guia de Informação e Apuração do ICM a que se refere o §1.° do artigo 80 dêste Convênio;
2. - se o estabeleeimento recolher o impôsto de circulação de mercadorias com base no regime de estimativa.

§ 12 - Relativamente aos livros fiscais de que trata êste artigo, o contribuinte poderá acrescentar outras indicações de seu interêsse desde que não prejudiquem a clareza dos modelos oficiais.

§ 13 - O disposto neste artigo não se aplica aos produtores agropecuários.

Artigo 64 - Os livros fiscais, que serão impressos e de fôlhas numeradas tipograficamente em ordem crescente, só serão usados depois de visados pela repartição competente do Fisco estadual.

§ 1.º - Os livros fiscais terão suas fôlhas costuradas e encadernadas, de forma a impedir sua substituição.

§ 2.º - O "visto" será gratuito e será apôsto em seguida ao têrmo de abertura lavrado e assinado pelo contribuinte. Não se tratando de início de atividade, será exigida a apresentação do livro anterior a ser encerrado.

§ 3.º - Para os efeitos do parágrafo anterior, os livros a serem encerrados serão exibidos à repartição competente do Fisco estadual dentro de 5 (cinco) dias após se esgotarem.

§ 4.º - As unidades da Federação poderão dispensar o "visto" de que trata êste artigo desde que os livros tenham sido registrados na Junta Comercial.

Artigo 65 - Os lançamentos nos livros fiscais serão feitos a tinta, com clareza, não podendo a escrituração atrasar-se por mais de 5 (cinco) dias, ressalvados os livros a que fôrem atribuídos prazos especiais.

§ 1.º - Os livros não poderão conter emendas ou rasuras e seus lançamentos serão somados nos prazos estipulados.

§ 2.º - Quando não houver período expressamente previsto, os livros fiscais serão somados no último dia de cada mês.

§ 3.º - Será permitida a escrituração por processo mecanizado, mediante prévia autorização do Fisco estadual.

Artigo 66 - Os contribuintes que mantiverem mais de um estabelecimento, seja filial, sucursal, agência, depósito, fábrica ou outro qualquer, manterão em cada estabelecimento escrituração em livros fiscais distintos, vedada a sua centralização.
Artigo 67 - Sem prévia autorização do Fisco estadual, os livros fiscais não poderão ser retirados do estabelecimento sob pretexto algum, salvo para serem levados à repartição fiscal.

§ 1.º - Presume-se retirado do estabelecimento o livro que não fôr exibido ao Fisco, quando solicitado.

§ 2.º - Os agentes do Fisco arrecadarão mediante têrmo, todos os livros fiscais encontrados fora do estabelecimento e os devolverão aos contribuintes adotando-se, no ato da devolução, as providências fiscais cabíveis.

Artigo 68 - Os contribuintes ficam obrigados a apresentar à repartição competente do Fisco estadual, dentro de 30 (trinta) dias contados da data da cessação da atividade para cujo exercício estiverem inscritos, os livros fiscais, a fim de serem lavrados os têrmos de encerramento. 

Parágrafo único - Após a devolução dos livros pelo Fisco estadual, os contribuintes os encaminharão ao Fisco federal, nos têrmos da legislação própria. 

Artigo 69 - Nos casos de fusão, incorporação, transformação ou aquisição, o nôvo titular do estabelecimento deverá transferir, para o seu nome, por intermédio da repartição competente do Fisco estadual, no prazo de 30 (trinta) dias da data da ocorrência, os livros fiscais em uso, assumindo a responsabilidade pela sua guarda, conservação e exibição ao Fisco. 

Parágrafo único - A repartição competente do Fisco estadual poderá autorizar a adoção de livros novos em substituição aos anteriormente em uso.

SEÇÃO II

Do Registro de Entradas
Artigo 70 - O livro Registro de Entradas, modelos 1 ou 1-A, destina-se à escrituração do movimento de entradas de mercadorias, a
qualquer título no estabelecimento.

§ 1.º - Serão também escriturados os documentos fiscais relativos às aquisições de mercadorias que não transitarem pelo
estabelecimento adquirente.

§ 2.º - Os lançamentos serão feitos operação a operação, em ordem cronológica das entradas efetivas no estabelecimento ou à data da aquisição ou do desembaraço aduaneiro na hipótese do parágrafo anterior.

§ 3.º - Os lançamentos serão feitos, documento por documento, desdobrados em tantas linhas quantas fôrem as naturezas das operações, segundo o Código Fiscal anexo, nas colunas próprias, da seguinte forma:

1.
- coluna «DATA DA ENTRADA»: data da entrada efetiva da mercadoria no estabelecimento ou data da sua aquisição ou do desembaraço aduaneiro, na hipótese do §1.°;
2. - colunas sob o título «DOCUMENTO FISCAL»: espécie, série e subsérie, número e data do documento fiscal correspondente à operação, bem como o nome do emitente e seus números de inscrição, estadual e no CGC;
3. - coluna «PROCEDÊNCIA»: abreviatura de outra unidade da Federação, se fôr o caso, onde se localiza o estabelecimento emitente;
4. - coluna «VALOR CONTÁBIL»: valor total constante do documento fiscal;
5. - colunas sob o título «CODIFICAÇÃO»:
a) coluna «CÓDIGO CONTÁBIL»: o mesmo que o contribuinte eventualmente utilizar no seu plano de contas contábil;
b) coluna «CÓDIGO FISCAL»: o previsto no artigo 5.°;
6. - colunas sob os títulos «ICM - VALÔRES FISCAIS» e «OPERAÇÕES COM CRÉDITO DE IMPÔSTO»:
a) coluna «BASE DE CÁLCULO»: valor sôbre o qual incide o impôsto de circulação de mercadorias:
b) coluna «ALÍQUOTA«: alíquota do impôsto de circulação de mercadorias que foi aplicada sôbre a base de cálculo indicada na alínea anterior;
c) coluna «IMPÔSTO CREDITADO»: montante do impôsto creditado;
7. - colunas sob os títulos «ICM - VALÔRES FISCAIS» e «OPERAÇÕES SEM CRÉDITO DO IMPOSTO»:
a) coluna «ISENTA OU NAO TRIBUTADA»: valor da operação, deduzida a parcela do impôsto sôbre produtos industrializados se consignada no documento fiscal, quando se tratar de entrada de mercadorias cuja saída do estabelecimento remtente tenha sido beneficiada com isenção do impôsto de circulação de mercadorias ou esteja amparada por imunidade ou não incidência, bem como o valor da parcela correspondente a redução da base de cálculo, quando fôr o caso;
b) coluna "OUTRAS": valor da operação, deduzida a parcela do impôsto sôbre produtos industrializados se consignada no documento fiscal, quando se tratar de entrada de mercadorias que não confira ao estabelecimento destinatário crédito do impôsto de circulação de mercadorias, ou quando se tratar de entrada de mercadorias cuja saida do estabelecimento remetente tenha sido beneficiada com diferimento ou suspensão do recolhimento do impôsto de circulação de mercadorias;
8. - colunas sob os títulos "IPI - VALORES FISCAIS" e "OPERACOES COM CRÉDITO DO IMPOSTO":
a) coluna "BASE DE CÁLCULO": valor sôbre o qual incide o impôsto sôbre produtos industrializados;
b) coluna "IMPOSTO CREDITADO": montante do impôsto creditado;
9. - colunas sob os títulos "IPI - VALÔRES FISCAIS" e "OPERACOES SEM CRÉDITO DO IMPOSTO":
a) coluna "ISENTA OU NAO TRIBUTADA": valor da operação, quando se tratar de entrada de mercadorias cuja saída do estabelecimento remetente tenha sido beneficiado com isenção do impôsto sôbre produtos industrializados ou esteja amparada por imunidade ou não incidência, bem como valor da parcela correspondente à redução da base de cálculo, quando fôr o caso;
b) coluna "OUTRAS": valor da operação, deduzida a parcela do impôsto sôbre produtos industrializados, se consignada no documento fiscal, quando se tratar de entrada de mercadorias que não confira ao estabelecimento destinatário crédito do impôsto sôbre produtos industrializados, ou quando se tratar de entrada de mercadorias cuja saida do estabelecimento remetente tenha sido beneficiada com suspensão do recolhimento do impôsto sôbre produtos industrializados;
10. - coluna "OBSERVAÇÕES": anotações diversas.

§ 4.º - A escrituração do livro deverá ser encerrada no último dia de cada mês.

SEÇÃO III

Do Registro de Saídas
Artigo 71 - O livro Registro de Saídas, modelos 2 ou 2-A, destina-se a escrituração do movimento de saídas de mercadorias, a qualquer título, do estabelecimento.

§ 1.º - Serão também escriturados os documentos fiscais relativos às transmissões de propriedade das mercadorias que não tenham transitado pelo estabelecimento .

§ 2.º - Os lançamentos serão feitos em ordem cronológica, segundo a data de emissão dos documentos fiscais, pelos totais diários das operações da mesma natureza, de acôrdo com o Código Fiscal previsto no artigo 5.º sendo permitido o registro conjunto dos documentos, de numeração seguida, emitidos em talões da mesma série e subsérie.

§ 3.º - Os lançamentos serão feitos nas colunas próprias, da seguinte forma:

1.
- colunas sob o título "DOCUMENTO FISCAL": espécies, série e subsérie, números inicial e final e data do documento fiscal emitido;
2. - coluna "VALOR CONTÁBIL": valor total constante dosdocumentos fiscais;
3. - colunas sob o título "CODIFICAÇÃO":
a) coluna "CÓDIGO CONTÁBIL": o mesmo que o contribuinte eventualmente utilizar no seu plano de contas contábil;
b) coluna "CÓDIGO FISCAL": O previsto no artigo 5.º;
4. - colunas sob os títulos "ICM - VALORES FISCAIS" e " OPERAÇÕES COM DÉBITO DO IMPÔSTO":
a) coluna "BASE DE CÁLCULO": valor sôbre o qual incide o impôsto de circulação de mercadorias;
b) coluna "ALÍQUOTA": alíquota do impôsto de circulação de mercadorias que foi aplicada sôbre a base de cálculo indicada na alínea anterior;
c) coluna "IMPÔSTO DEBITADO": montante do impôsto debitado;
5. - colunas sob os títulos "ICM - VALORES FISCAIS" e " OPERAÇÕES SEM DÉBITO DO IMPÔSTO":
a) coluna «ISENTA OU NÃO TRIBUTADA": valor da operação, deduzida a parcela do impdsto sôbre produtos industrializados, se consignada no documento fiscal, quando se tratar de mercadorias cuja saída do estabelecimento tenha sido beneficiada com isenção do imposto de circulação de mercadorias ou esteja amparada por imunidade ou não incidência, bem como valor da parcela correspondente à redução da base de cálculo, quando fôr o caso;
b) coluna «OUTRAS»: valor da operação, deduzida a parcela do impôsto sôbre produtos industrializados, se consignada no documento fiscal, quando se tratar de mercadorias cuja saída do estabelecimento tenha sido beneficiada com diferimento ou suspensão do recolhimento do impôsto de circulação de mercadorias;
6. - colunas sob os títulos «IPI - VALÔRES FISCAIS» e «OPERAÇÕES COM DÉBITO DO IMPÔSTO»:
a) coluna «BASE DE CÁLCULO»: valor sôbre o qual incide o impôsto sôbre produtos industrializados;
b) coluna «IMPÔSTO DEBITADO»: montante do impôsto debitado;
7. - colunas sob os títulos «IPI - VALÔRES FISCAIS» e «OPERAÇÕES COM DÉBITO DO IMPÔSTO»:
a) coluna «ISENTA OU NÃO TRIBUTADA»: valor da operação, quando se tratar de mercadorias cuja saída do estabelecimento tenha sido beneficiada com insenção do impôsto sôbre produtos industrializados ou esteja amparada por imunidade ou não incidência, bem como valor da parcela correspondente à redução da base de cálculo, quando fôr o caso;
b) coluna «OUTRAS»: valor da operação, deduzida a parcela do impôsto sôbre produtos industrializados se consignada no documento fiscal, quando se tratar de mercadoria cuja saída do estabelecimento tenha sido beneficiada com suspensão do recolhimento do impôsto sôbre produtos industrializados;
8. - coluna «OBSERVAÇÕES»: anotações diversas.

§ 4.º - A escrituração do livro deverá ser encerrada no último dia de cada mês.

SEÇÃO IV

Do Registro de Contrôle da Produção e do Estoque
Artigo 72 - O livro Registro de Contrôle da Produção e do Estoque, modêlo 3, destina-se à escrituração dos documentos fiscais e dos documentos de uso interno do estabeleeimento, correspondentes às entradas e às saídas, à produção, bem como às quantidades referentes aos estoques de mercadorias.

§ 1.º - Os lançamentos serão feitos operação a operação, devendo ser utilizada uma fôlha para cada espécie, marca, tipo e modêlo de mercadorias.

§ 2.º - Os lançamentos serão feitos nos quadros e nas colunas próprios, da seguinte forma:

1.
- quadro «PRODUTO»: identificação da mercadoria, como definida no parágrafo anterior;
2. - quadro «UNIDADE»: especificação da unidade (quilogramas, metros, litros, dúzias, etc.) de acôrdo com a legislação do impôsto sôbre produtos industrializados;
3. - quadro «CLASSIFICAÇÃO FISCAL»: indicação da posição, inciso e subinciso e alíquota previstos pela legislação do impôsto sôbre produtos industrializados;
4. - colunas sob o título «DOCUMENTO»: espécie, série e subsérie do respectivo documento fiscal e|ou documento de uso interno do estabelecimento, correspondente a cada operação;
5. - colunas sob o título «LANÇAMENTO»: número e fôlha do livro Registro de Entradas ou do Registro de Saídas em que o documento fiscal tenha sido lançado, bem como a respectiva codificação contábil e fiscal, quando fôr o caso;
6. - colunas sob o título «ENTRADAS»:
a) coluna «PRODUÇÃO - NO PRÓPRIO ESTABELECIMENTO»: quantidade do produto industrializado no próprio estabelecimento;
b) coluna «PRODUÇÃO - EM OUTRO ESTABELECIMENTO»: quantidade do produto industrializado em outro estabelecimento da mesma emprêsa ou de terceiros, com mercadorias anteriormente remetidas para êsse fim;
c) coluna «DIVERSAS»: quantidade de mercadorias não classificadas nas alíneas anteriores, inclusive as recebidas de outros estabelecimentos da mesma emprêsa ou de terceiros para industrialização e posterior retôrno, consignando-se o fato, nesta última hipótese na coluna «OBSERVAÇÕES»;
d) coluna «VALOR». base de cálculo do imposto sôbre produtos industrializados, quando a entrada das mercadorias originar crédito dito dêsse tributo. Se a entrada não gerar crédito ou quando se tratar de isenção, imunidade ou não incidência do mencionado tributo será registrado o valor total atribuído às mercadorias;
e) coluna «IPI»: valor do impôsto creditado, quando de direito;
7. - colunas sob o título «SAIDAS»:
a) coluna «PRODUÇÃO - NO PRÓPRIO ESTABELECIMENTO»: em se tratando de matéria-prima, produto intermediário e material de embalagem a quantidade remetida do almoxarifado para o setor de fabricação, para industrialização no próprio estabelecimento; em se tratando de produto acabado, a quantidade saída, a qualquer título, de produto industrializado no próprio estabelecimento;
b) coluna «PRODUÇÃO - EM OUTRO ESTABELECIMENTO»: em se tratando de matéria-prima, produto intermediário e material de embalagem, a quantidade saída para industrialização em outro estabelecimento da mesma emprêsa ou de terceiros, quando o produto industrializado deva retornar ao estabelecimento remetente; em se tratando de produto acabado, a quantidade saída, a qualquer título, de produto industrializado em estabelecimentos de terceiros;
c) coluna «DIVERSAS»: quantidade de mercadorias saídas, a qualquer título, não compreendidas nas alíneas anteriores;
d) coluna «VALOR»: base de cálculo do impôsto sôbre produtos industrializados. Se a saída estiver amparada por isenção, imunidade ou não incidência, será registrado o valor total atribuído às mercadorias;
e) coluna «IPI»: valor do impôsto, quando devido;
8. - coluna «ESTOQUE»: quantidade em estoque, após cada lançamento de entrada ou de saída;
9. - coluna «OBSERVAÇÕES»: anotações diversas.

§ 3.º - Quando se tratar de industrialização no próprio estabelecimento, será dispensada a indicação dos valôres relativamente às operações indicadas na alínea «a» do item 6 e na primeira parte da alínea «a» do item 7, do parágrafo anterior.

§ 4.º - Não serão escrituradas neste livro as entradas de mercadorias a serem integradas no ativo fixo ou destinadas a uso do estabelecimento.

§ 5.º - O disposto no item 3 do § 2.° não se aplica aos estabelecimentos comerciais não equiparados aos industriais.

§ 6.º - A Secretaria da Receita Federal, quando se tratar de produtos da mesma posição da Tabela anexa ao Regulamento sôbre Produtos Industrializados, poderá autorizar o industrial, ou a êle equiparado, a agrupá-los numa mesma fôlha.

§ 7.º - O livro referido neste artigo poderá, a critério da autoridade competente do Fisco estadual, ser substituído por fichas, as quais deverão ser:
1. - impressas com os mesmos elementos do livro substituído;
2. - numeradas, tipogràficamente, observando-se, quanto à numeração, o disposto no artigo 10;
3. - prévia e individualmente autenticadas pelo Fisco estadual ou pela Junta Comercial.

§ 8.º - Na hipótese do parágrafo anterior, deverá ainda ser prèviamente visada pela repartição competente do Fisco estadual ou pela Junta Comercial a ficha índice que obedecerá ao modêlo anexo que faz parte integrante dêste Convênio, em que, observada a ordem numérica crescente, será registrada a utilização de cada ficha.

§ 9.º - A escrituração do livro mencionado no «caput» deste artigo ou das fichas referidas nos §§ 7.° ou 8.° não poderá atrasar-se por mais de 15 (quinze) dias.

§ 10 - No último dia de cada mês deverão ser somados as quantidades e valôres constantes das colunas «ENTRADAS» e «SAÍDAS», acusando o saldo das quantidades em estoque, que será transportado para o mês seguinte.

SEÇÃO 'V

DO REGISTRO DO SÊLO ESPECIAL DE CONTRÔLE
Artigo 73 - O livro Registro do Selo Especial de Contrôle, modêlo 4, destina-se à escrituração dos dados relativos ao recebimento e à utilização do selo especial de contrôle, previsto pela legislação do impôsto sôbre produtos industrializados.

§ 1.º - Os lançamentos serão feitos operação a operação, em ordem cronológica quanto às entradas e saídas do selo especial de contrôle, devendo ser utilizada uma fôlha para cada espécie de sêlo.

§ 2.º - Os lançamentos serão feitos, nas colunas próprias, da seguinte forma:

1.
- coluna «DATA»: dia, mês e ano do lançamento respectivo;
2. - colunas sob o título «ENTRADAS»:
a) coluna «GUIA NÚMERO»: número da guia de requisição de sêlos;
b) coluna «QUANTIDADE»: quantidade de sêlos requisitados pela respectiva guia;
c) coluna «NUMERAÇÃO DOS SÊLOS»: numeração, se houver, dos selos recebidos da repartição fiscal;
3. - colunas sob o título «SAÍDAS»:
a) coluna «NOTA FISCAL»: número e série e subsérie da Nota Fiscal emitida, referente à saída das mercadorias do estabelecimento;
b) coluna «QUANTIDADE UTILIZADA»: quantidade de sêlos utilizada nas mercadorias saídas do estabelecimento;
c) coluna «QUANTIDADE - RECOLHIDA A REPARTIÇÃO»: quantidade de sêlos recolhida à repartição, por qualquer motivo;
d) coluna «NUMERAÇÃO DOS SÊLOS»: numeração, se houver, dos sêlos utilizados ou recolhidos à repartição;
4. - colunas sob o título «SALDO EXISTENTE»:
a) coluna «QUANTIDADE»: quantidade de sêlos existente após cada lançamento feito nas colunas sob o título «ENTRADAS» ou nas colunas sob o título «SAÍDAS»;
b) coluna «NUMERAÇÃO DOS SÊLOS»: numeração, se houver, dos sêlos correspondentes ao saldo existente;
5. - coluna «OBSERVAÇÕES»: anotações diversas.

§ 3.º - A escrituração do livro deverá ser encerrada no último dia de cada mês.

SEÇÃO 'VI

DO REGISTRO DE IMPRESSÃO DE DOCUMENTOS FISCAIS
Artigo 74 - O livro Registro de Impressão de Documentos Fiscais, modelo 5, destina-se à escrituração das impressões de documentos fiscais referidos nos incisos I a 'V do artigo 6.°, para terceiros ou para o próprio estabelecimento impressor.

§ 1.º - Os lançamentos serão feitos operação a operação, em ordem cronológica das saidas dos documentos fiscais confeccionados ou de sua elaboração no caso de serem utilizados pelo próprio estabelecimento.

§ 2.º - Os lançamentos serão feitos, nas colunas próprias, da seguinte forma:

1.
- coluna «AUTORIZAÇÃO DE IMPRESSÃO - NÚMERO»: número da «Autorização de Impressão de Documentos Fiscais». quando exigida pelo Fisco, para posterior confecção dos documentos fiscais;
2. - colunas sob o título «COMPRADOR»:
a) coluna «NÚMERO DE INSCRiÇÃO: numero da inscrição estadual e numero da inscrigfio no CGC;
b) coluna "NOME": nome do contribuinte usuário do documento fiscal confeccionado;
c) coluna "ENDERÊÇO": identificação do local do estabelecimento do contribuinte usuário do documento fiscal confeccionado
3 - colunas sob o título "IMPRESSOS":
a) coluna "ESPÉCIE": espécie do documento fiscal confeccionado Nota Fiscal, Nota Fiscal de Venda a Consumidor,Nota Fiscal de Entrada, Nota Fiscal de Produtor;
b) coluna "TIPO": tipo do documento fiscal confeccionado: talonário, fôlhas soltas formulários continuos etc.;
c) coluna "SÉRIE E SUBSÉRIE": série e subsérie correspondente ao documento fiscal confeccionado;
d) coluna "NUMERAÇÃO": números dos documentos fiscais confeccionados; no caso de impressão de documentos fiscais sem numeração tipográfica sob regime especial, tal circunstância deverá constar da coluna "OBSERVAÇÕES";
4 - colunas sob o título "ENTREGA":
a) coluna "DATA": dia. mês e ano da efetiva entrega dos documentos fiscais confeccionados ao contribuinte usuário
b) coluna "NOTAS FISCAIS": série e subsérie e o número da Nota Fiscal emitida pelo estabelecimento gráfico relativa à saida dos documentos fiscais confeccionados;
5 - coluna "OBSERVAÇÕES": anotações diversas.

§ 3.º
- As unidades da Federação, em casos especiais, poderão dispensar neste livro, os registros relativos ás impressões dos
documentos referidos nos incisos IV e 'V do artigo 6.°.

SEÇÃO 'VII
Do Registro de Utilização de Documentos Fiscais e Têrmos de Ocorrências
Artigo 75 - o livro Registro de Utilização de Documentos Fiscais e Têrmos de Ocorrências, modelo 6, destina-se à escrituração das entradas de do- cumentos fiscais, citados no artigo anterior, confeccionados por estabelecimentos gráficos ou pelo próprio contribuinte usuário do documento fiscal respectivo, bem como à lavratura, pelo Fisco, de têrmos de ocorrências.

§ 1.º - Os lançamentos serão feitos operação a operação, em ordem cronológica da respectiva aquisição ou confecção própria do documento fiscal, devendo ser utilizada uma fôlha para cada espécie e série e subsérie de documento fiscal.

§ 2.º - Os lançamentos serão feitos, nos quadros e colunas próprios, da seguinte forma:

1
- quadro "ESPÉCIE": espécie do documento fiscal confeccionado: Nota Fiscal, Nota Fiscal de Venda a Consumidor, Nota Fiscal de Entrada;
2 - quadro "SÉRIE E SUBSÉRIE": série e subsérie correspondente . ao documento fiscal confeccionado;
3 - quadro "TIPO": tipo do documento fiscal confeccionado: talonário, fôlhas soltas, formulários contínuos, etc.;
4 - quadro "FINALIDADE DA UTILIZAÇÃO": fins a que se destina o documento fiscal: vendas a contribuintes, vendas a não contribuintes, vendas a contribuintes de outras unidades da Federação, etc.;
5 - coluna "AUTORIZAÇÃO DE IMPRESSÃO": número da "Autorização de Impressão de Documentos Fiscais", quando exigida pelo Fisco, para posterior confecção do documento fiscal;
6 - coluna "IMPRESSOS - NUMERAÇÃO": os números dos documentos fiscais confeccionados; no caso de impressão de documentos fiscais sem numeração tipográfica sob regime especial, tal circunstância deverá constar da coluna "OBSERVAÇÕES";
7 - colunas sob o título "FORNECEDOR":
a) coluna "NOME": "nome do contribuinte que confeccionou os documentos fiscais;
b) coluna "ENDERÊÇO": a identificação do local do estabelecimento impressor;
c) coluna "INSCRIÇÃO": número da inscrição estadual e número da inscrição no CGC, do estabelecimento impressor;
8 - colunas sob o título "RECEBIMENTO":
a) coluna "DATA": dia, mês e ano do efetivo recebimento dos documentos fiscais confeccionados;
b) coluna "NOTA FISCAL": série e subsérie e número da Nota Fiscal emitida pelo estabelecimento impressor por ocasião da saída dos documentos fiscais confeccionados;
9. - coluna "OBSERVAÇÕES": anotações diversas, inclusive:
a) extravio, perda ou inutilização de blocos de documentos fiscais ou conjunto de documentos fiscais em formulários contínuos;
b) supressão da série e subsérie;
c) entrega de blocos ou formulários de documentos fiscais à repartição para serem inutilizados.

§ 3.º - Do total de fôlhas dêste livro, 50% (cinquenta por cento), no mínimo, serão destinadas para lavratura, pelo Fisco, de têrmos de ocorrências , as quais, devidamente numeradas, deverão ser impressas de acôrdo com o modêlo anexo e incluídas no final do livro.

§ 4.º - Serão consignados também os documentos fiscais em uso no estabelecimento a data em que se tomar obrigatória a escrituração do livro referido neste artigo.

§ 5.º - As unidades da Federação poderão dispensar o uso do livro referido neste artigo, quando o estabelecimento não estiver obrigado à emissão dos documentos fiscais mencionados no artigo 74.

SEÇÃO 'VIII

Do Registro de Inventário
Artigo 78 - O livro Registro de Inventário, modêlo 7, destina-se a arrolar, pelos seus valores e com especificações que permitam sua perfeita identificação, as mercadorias, as matérias-primas, os produtos intermediários, os materiais de embalagem, os produtos manufaturados e os produtos em fabricação, existentes no estabelecimento à época do balanço.
§ 1.º - No livro referido neste artigo serão também arrolados, separadamente:
1. - as mercadorias, as matérias-primas, os produtos intermediários, os materiais de embalagem e os produtos manufaturados pertencentes ao estabelecimento, em poder de terceiros;
2. - as mercadorias, as matérias-primas, os produtos intermediários , os materiais de embalagem, os produtos manufaturados e os produtos em fabricação de terceiros, em poder do estabelecimento.

§ 2.º - o arrolamento em cada grupo deverá ser feito segundo a ordenação da Tabela prevista na legislação do impôsto sôbre produtos industrializados.

§ 3.º - Os lançamentos serão feitos, nas colunas próprias, da seguinte forma:
1. - coluna "CLASSIFICAÇÃO FISCAL": posição, inciso e subinciso em que as mercadorias estejam classificadas na Tabela anexa ao Regulamento do Impôsto sôbre Produtos Industrializados;
2. - coluna "DISCRIMINAÇÃO": especificação que permita a perfeita identificação das mercadorias, tais como: espécie, marca, tipo e modêlo;
3. - coluna "QUANTIDADE": quantidade em estoque a data do balanço;
4. - coluna "UNIDADE": especificação da unidade (quilogramas, metros, litros, dúzias, etc.), de acôrdo com a legislação do impôsto sôbre produtos industrializados;
5. - colunas sob o título "VALOR":
a) coluna "UNITÁRIO": valor de cada unidade das mercadorias pelo custo de aquisição ou de fabricação ou pelo preço corrente no mercado ou bolsa, prevalecendo o critério da estimação pelo preço corrente, quando êste fôr inferior ao preço de custo; no caso de matérias-primas e/ou produtos em fabricação, o valor será o de seu preço de custo;
b) coluna "PARCIAL": valor correspondente ao resultado da multiplicação "quantidade" pelo "valor unitário";
c) coluna "TOTAL": valor correspondente ao somatório dos "valores parciais" constantes da mesma posição, inciso e subinciso referidos no item 1;
6. - coluna "OBSERVAÇÕES": anotações diversas.

§ 4.º - Após o arrolamento, deverá ser consignado o valor total de cada grupo mencionado no "caput" dêste artigo e no § 1.° e, ainda, o total geral do estoque existente.

§ 5.º - O disposto no § 2.º e no item 1 do § 3.° não se aplica aos estabelecimentos comerciais não equiparados aos industriais.

§ 6.º - Se a emprêsa não mantiver escrita contábil, o inventário será levantado em cada estabelecimento no último dia do ano civil.

§ 7.º - A escrituração deverá ser efetivada dentro de 60 (sessenta) dias, contados da data ddo balanço referido no «caput» dêste artigo ou do último dia do ano civil, no caso do parágrafo anterior.

SEÇÃO IX

Do Registro de Apuração do IPI
Artigo 77 - O livro Registro de Apuração do IPI, modêlo 8, destinase a registrar de acôrdo com os períodos de apuração fixados na legislação própria e segundo o modêlo, os totais dos valores contábeis e os dos valôres fiscais relativos ao impôsto sôbre produtos industrializados, das operações de entradas e saídas, extraídos dos livros próprios e agrupados segundo o Código Fiscal de Operações previsto no artigo 5.°. 


Parágrafo único - No livro a que se refere êste artigo serão registrados, também, os débitos e os créditos fiscais do impôsto sôbre produtos industrializados, a apuração dos saldos e os dados relativos às guias de informação e apuração do impôsto sôbre produtos industrializados e de recolhimento.

SEÇÃO 'X

Do Registro de Apuração do ICM
Artigo 78 - O livro Registro de Apuração do ICM, modêlo 9, destinase a registrar, mensalmente, de acôrdo com o modêlo, os totais dos valôres contábeis e os dos valôres fiscais relativos ao impôsto de circulação de mercadorias, das operações de entradas e saídas, extraídos dos livros próprios e agrupados segundo o Código Fiscal de Operações previsto no artigo 5.°.

§ 1.º - No livro a que se refere êste artigo serão registrados, também, os débitos e os créditos fiscais do impôsto de circulação de mercadorias, apuração dos saldos e os dados relativos às guias de informação e apuração do impôsto de circulação de mercadorias e de recolhimento.

§ 2.º - As unidades da Federação poderão dispor que o livro seja escriturado por períodos inferiores a um mês, em função da periodicidade das apurações do impôsto de circulação de mercadorias.

CAPÍTULO 'VIII

DAS GUIAS DE INFORMAÇÃO E APURAÇÃO DO IMPÔSTO

SEÇÃO I
Da Guia de Informação e Apuração do IPI
Artigo 79 - Os contribuintes do impôsto sôbre produtos industrializados apresentarão, nos períodos previstos pela legislação respectiva, a Guia de Informação e Apuração do IPI, conforme modêlo fixado pela Secretaria da Receita Federal, do Ministério da Fazenda. 


Parágrafo único - O número de vias, local de apresentação e outras providências, serão fixados pelo Secretário da Receita Federal.

SEÇÃO II

Da Guia de Informação e Apuração do ICM
Artigo 80 - Os estabelecimentos inscritos como contribuintes do impôsto de circulação de mercadorias, excetuados os produtores agropecuários, apresentarão, mensalmente nos prazos previstos pelas legislações estaduais, a Guia de Informação e Apuração do ICM, conforme modelos anexos.

§ 1.º - A guia, modêlo 1, deverá constituir-se em um resumo e exato reflexo dos lançamentos realizados nos livros Registro de Entradas e Registro de Saídas do estabelecimento, além de conter outros elementos exigidos pelo modelo referido.

§ 2.º. - A guia, modêlo 2, só será utilizada nas unidades da Federação que adotarem o livro Registro de Apuração do ICM, modêlo 9, e dêle será resumo e reflexo.

§ 3.º - O quadro «PROGRAMA DE INTEGRAÇÃO SOCIAL-FATURAMENTO DO PERIODO" será preenchido pelo contribuinte com a indicação de seu faturamento, tal como dispuser o regulamento relativo ao citado Programa de Integração Social.

§ 4.º - As unidades da Federação poderão dispor que:
1.° - o campo reservado na guia a «CONTRIBUINTE» seja preenchido à máquina ou mediante aposição de carimbo padronizado;
2.° - os campos reservados a «DÉBITO DO IMPÔSTO, «CRÉDITO DO IMPÔSTO e «APURAÇÃO DOS SALDOS», bem como as áreas relativas à assinatura e entrega do documento, sejam modificados ou dispostos de forma diversa.

§ 5.º - A guia, modêlo 1, quando adotada, será preenchida, no mínimo, em 2 (duas) vias, que terão o seguinte destino:
1.° - a l.ª via para a repartição fiscal competente;
2.° - a 2.ª via, após autenticação da repartição, ao contribuinte como prova de entrega ao Fisco.

§ 6.º - A guia, modêlo 2, quando adotada, será preenchida em uma só via e entregue à repartição competente, que passará recibo no canhoto destacável, servindo êste como prova para o contribuinte, da apresentação do documento.

§ 7.º - As partes signatárias, para os efeitos do inciso III do artigo 82 dêste Convênio, poderão exigir a apresentação de mais uma via da guia de que trata o §5.° dêste artigo, caso em que a segunda via também ficará com a repartição fiscal e a terceira com o contribuinte.

Artigo 81 - A guia de que trata esta Seção será de cicio mensal, compreendendo as operações realizadas do primeiro ao último dia de cada mês e será entregue à repartição competente no prazo fixado na legislação estadual.
Artigo 82 - As unidades da Federação, de posse de tôdas as guias de informação apresentadas pelos seus contribuintes e de acôrdo com as suas possibilidades:
I - computarão os dados das mesmas, fornecendo os resultados apurados à União, através de relatório, fita magnética ou fita perfurada de papel; ou
II - através de fita magnética, fita perfurada de papel ou cartões perfurados, fornecerão à União os dados a serem computados; ou
III - remeterão à União, para computação, a primeira via das guias de informação que receberem.

§ 1.º - Os dados a serem computados são os constantes do verso da guia, que serão processados de forma a se determinar os respectivos totais por códigos de operação e de atividade econômica dos contribuintes.

§ 2.º - As unidades da Federação terão o prazo de 45 (quarenta e cinco) dias, a contar do encerramento do mês, para encaminhar à União os elementos referidos neste artigo.

§ 3.º - A União fornecerá As unidades da Federação cópias de todos os estudos e análises que realizar, com base nos dados de que trata êste artigo e relativamente a todo o Pais.

CAPÍTULO IX

DA RELAÇÃO DE SAIDA DE MERCADORIAS
Artigo 83 - Os estabelecimentos inscritos como contribuintes do impôsto de circulação de mercadorias, excluidos os produtores agropecuários, deverão apresentar, anualmente, Relação de Saida de Mercadorias, conforme modelos 1 e 2 em anexo, que fazem parte integrante dêste Convênio.
Artigo 84 - Na Relação de Saida de Mercadorias, modêlo 1, serão indicadas as saidas a título de venda dentro da mesma unidade da Federação, efetuadas no ano civil anterior.

§ 1.º - As informações a que se refere êste artigo deverão ser agrupadas por estabelecimento destinatário e declaradas pelos totais dos valôres contábeis

§ 2.º - A identificação do estabelecimento destinatário, além da denominação da firma ou razão social, será feita mediante a indicação do número de inscrição estadual.

§ 3.º - A Relação de Saída de Mercadorias será apresentada em 2 (duas) vias, que terão o seguinte destino:
1.° - 1.ª via - repartição do Fisco estadual a que estiver subordinado o contribuinte;
2.° - 2.ª via - contribuinte.

Artigo 85 - Na Relação de Saída de Mercadorias, modêlo 2, serão indicadas as saídas, a título de venda e transferência, para outra unidade da Federação, efetuadas no ano civil anterior.

§ 1.º - As informações a que se refere êste artigo deverão ser agrupadas por estabelecimento destinatário e declaradas pelos totais dos valôres contábeis.

§ 2.º - A identificação do estabelecimento destinatário, além da denominação da firma ou razão social, será feita mediante a indicação do número de inscrição no CGC.

§ 3.º - A Relação de Saída de Mercadorias será apresentada em 3 (três) vias, que terão o seguinte destino:
1. - 1.ª via - repartição do Fisco estadual a que estiver subordinado o contribuinte;
2. - 2.ª via - repartição do Fisco estadual a que estiver subordinado o contribuinte, para posterior remessa, á unidade da Federação de destino das mercadorias;
3. - 3.ª via - contribuinte.

§ 4.º - Serão utilizados tantos formulários quantos forem as unidades da Federação dos destinatários.

§ 5.º - As unidades da Federação que contarem com serviço de processamento de dados, poderão substituir a 2.ª via referida no § 3.° por listagens, cartões perfurados ou fitas magnéticas ou perfuradas, desde que contenham:
1. - os números de inscrição estadual e no CGC, do estabelecimento, remetente;
2. - o número de inscrição no CGC do estabelecimento destinatário;
3. - o total dos valôres contábeis das operações.

Artigo 86 - Para fins de preenchimento das Relações de Saída de Mercadorias, os Estados, os Territórios e o Distrito Federal serão identificados em conformidade com o seguinte código numérico:



Artigo 87 - As remessas das Relações de Saída de Mercadorias às demais unidades da Federação serão feitas até o dia 31 de agôsto de cada exercício. 


Parágrafo único - No caso do §5.° do artigo 85, as remesssas serão feitas até 31 de dezembro do exercício respectivo.

CAPÍTULO X

DAS DISPOSIÇÕES FINAIS
Artigo 88 - Os livros e documentos fiscais, bem como outros papéis relacionados com os impostos sôbre produtos industrializados e de circulação de mercadorias poderão ser retirados do estabeleeimento pelas autoridades fiscais estaduais e federais. 


Parágrafo único - Na hipótese dêste artigo, será lavrado têrmo de arrecadação, em 2 (duas) vias, uma das quais será entregue ao contribuinte ou seu preposto. 

Artigo 89 - Os livros e documentos fiscais, bem como outros papéis, que constituam provas de infração A legislação tributária, poderá ser apreendidas pelas autoridades fiscais estaduais e federais. 

Parágrafo ùnico - Os Fiscos estaduais e federal comunicar-se-ão, quando houver interêsse recíproco a respeito da ocorrência, com a remessa de uma das vias do têrmo de apreensão, 

Artigo 90 - As partes signatárias atravês de convênio suplementar, traçarão normas sôbre regimes especiais relativos a emissão de documentos fiscais e á escrituração de livros fiscais.
Artigo 91 - As partes signatárias fornecerão ou permutarão entre si informações de interêsse das respectivas Administrações Tributárias.
Artigo 92 - Os signatários se obrigam a incorporar as normas do presente Convênio às respectivas legislações, até 31 de Janeiro de 1971, a fim de que as medidas preconizadas no artigo 2.° sejam implantadas até 1.° de agôsto de 1971.


Parágrafo único - As Relações de Saída de Mercadorias a que se referem os artigos 83 a 87 deverão ser exigidas a partir do exercício de 1972, ficando facultado aos signatários a antecipação para o exercício de 1971. 


Artigo 93 - E facultado aos signatários exigir dos contribuintes do impôsto de circulação de mercadorias, excluidos os produtores agropecuários, a apresentação da Relação de Entrada de Mercadorias, conforme modelo anexo, que faz parte integrante deste Convênio.
§ 1.º - Na Relação de Entrada de Mercadorias de que cuida o presente artigo, serão indicadas as entradas, a título de compra e transferência, durante o exercício anterior.

§ 2.º - As informações a que se refere o parágrafo anterior deverão ser agrupadas por estabelecimento remetente e declaradas pelos seus totais.

§ 3.º - A identificação do estabelecimento remetente, além da denominação da firma ou razão social, será feita na mesma forma prevista no § 2.° do artigo 84 e no § 2.° do artigo 85.

Artigo 94 - Fica instituida a Comissão Técnica Permanente, dire- tamente subordinada ao Ministro aa Fazenaa, a qual .
I - opinar sôbre problemas tributários relacionados com o impôsto de circulação de mercadorias;
II - opinar sôbre questões relacionadas com a aplicação das normas previstas neste Convênio;
III - executar outras encargos atribuidos pelo Ministro da Fazenda. 


Parágrafo único - A Comissão Técnica Permanente será constituída de representantes do Ministério da Fazenda e de um representante de cada Estado e do Distrito Federal. 

Artigo 95 - A Comissão Técnica Permanente, dentro de 60 (sessenta) dias, contados da vigência dêste Convênio, deverá aprovar, observadas as normas respectivas aqui previstas, os sistemas de emissão de documentos fiscais e de escrituração fiscal por sistema de processamento eletrônico de dados, especificando os programas básicos e os relatórios padrões a serem apresentados ao Fisco.

§ 1.º - Os estudos iniciais dos sistemas a que se refere êste artigo serão apresentados à Comissão Técnica Permanente por um grupo de trabalho, que será constituido por representantes dos Estados da Guanabara, de Minas Gerais, de Pernambuco, do Rio Grande do Sul, do Rio de Janeiro e de São Paulo e por representantes do Ministério da Fazenda.

§ 2.º - As partes signatárias adotarão de imediato as decisões da Comissão Teenica Permanente.

Artigo 96 - Êste Convênio entrará em vigor na data de sua publicação no Diário Oficial da União.
Rio de Janeiro, 15 de dezembro de 1970.
Antonio Delfim Netto, Ministro da Fazenda
Acre: Dr. Alfredo Sanches Mubarac, Sec. Finanças
Alagoas: Dr. Murillo Rocha Mendes, Sec. Fazenda
Amazonas: Dr. Ivan Caminha Pereira da Silva, Sec. Fazenda
Bahia: Dr. Angelo Calmon de Sá, Sec. Fazenda
Ceará: Dr. Cláudio Martins, Sec. Fazenda
Distrito Federal: Dr. Carlos Santos Junior, Sec. Finanças
Espirito Santo: Dr. Aureo Antunes, Sec. Fazenda
Goiás: Dr. José Borges, Sec. Fazenda
Guanabara: Dr. Althemar Dutra de Castilho, Sec. Finanças
Maranhão: Dr. Wanis Nemer Damous, Sec. Fazenda
Mato Grosso: Dr. Paulo de Almeida Fagundes, Sec. Fazenda
Minas Gerais: Dr. Luiz Cláudio de Almeida Magalhães, Sec. Fazenda
Pará: General Rubens Luzio Vaz, Sec. Fazenda
Paraiba: Dr. Otacilio Silva da Silveira, Sec. Finanças
Paraná: Dr. Rubens Bailão Leite, Sec. Fazenda
Pernambuco: Dr. Osvaldo Coelho, Sec. Fazenda
Piauí: Dr. Fausto Portela Madeira, Sec. Finanças
Rio Grande do Norte: Dr. Heyder Pinheiro de Moura, Sec. Finanças
Rio Grande do Sul: Dr. João Tamer, Sec. Fazenda
Rio de Janeiro: Dr. Ednilo Gomes Soares, Sec. Finanças
Santa Catarina: Dr. Ivan Lute de Mattos, Sec. Fazenda
São Paulo: Dr. Dilson Domingos Funaro, Sec. Fazenda
Sergipe: Dr. Gilson Cajueiro de Holanda, Sec. Fazenda

CÓDIGO FISCAL DE OPERAÇÕES

Das Entradas de Mercadorias
1.00 - DO ESTADO
1.01 - Compras para industrialização e|ou comercialização
1.02 - Compras para uso e|ou consumo próprio
1.03 - Transferências para industrialização e|ou comercialização
1.04 - Transferências para uso e|ou consumo próprio
1.05 - Retôrno de industrialização em outros estabelecimentos
1.06 - Retôrno de remessas para vendas fora do estabelecimento
1.07 - Entradas para industrialização para outros estabelecimentos
1.08 - Devoluções
1.99 - Outras entradas não especificadas
2.00 - DE OUTROS ESTADOS
2.01 - Compras para industrialização e|ou comercialização
2.02 - Compras para uso e|ou consumo próprio
2.03 - Transferências para industrialização e|ou comercialização
2.04 - Transferências para uso e|ou consumo próprio
2.05 - Retôrno de industrialização em outros estabelecimentos
2.06 - Retôrno de remessas para vendas fora do estabelecimento
2.07 - Entradas para industrialização para outros estabelecimentos
2.08 - Devoluções
2.99 - Outras entradas não especificadas
3.00 - DO EXTERIOR (Importação)
3.01 - Compras para industrialização e|ou comercialização
3.02 - Compras para uso e|ou consumo próprio
3.99 - Outras entradas não especificadas
Das Saidas de Mercadorias
5.00 - PARA O ESTADO
5.01 - Vendas a contribuintes
6.02 - Vendas a não contribuintes
5.03 - Transferências para Industrialização e|ou comercialização
5.04 - Transferências para uso e|ou consumo próprio
5.05 - Remessas para industrialização por outros estabelecimentos
5.06 - Remessas para vendas fora do estabelecimento
5.07 - Retôrno de industrialização para outros estabelecimentos
5.08 - Devoluções
5.99 - Outras saídas não especificadas
6.00 - PARA OUTROS ESTADOS
6.01 - Vendas a contribuintes para industrialização e|ou comercialização
6.02 - Vendas a contribuintes para uso e|ou consumo próprio
6.03 - Vendas a não contribuintes
6.04 - Transferências para industrialização e|ou comercialização
6.05 - Transferências para uso e|ou consumo próprio
6.06 - Remessas para industrialização por outros estabelecimentos
6.07 - Remessas para vendas fora do estabelecimento
6.08 - Retôrno de industrialização para outros estabelecimentos
6.09 - Devoluções
6.99 - Outras saídas não especificadas
7.00 - PARA O EXTERIOR (Exportação)
7.01 - Vendas
7.99 - Outras saídas não especificadas

NOTAS EXPLICATIVAS
Das Entradas de Mercadorias
1.00 - DO ESTADO Compreenderá as operações em que os estabelecimentos remetente e destinátário estejam localizados na mesma unidade da Federação.
1.01 - Compras para Industrialização e/ou Comercialização As entradas de mercadorias a serem utilizadas em processo de industrialização e/ou para comercialização, que tenham como causa juridica uma operação de compra e venda em que o recebedor figure como comprador.
1.02 - Compras para uso e/ou consumo próprio As entradas de mercadorias para uso e/ou consumo do estabelecimentos que tenham como causa juridica uma operação de compra e venda em que o recebedor figure como comprador.
1.03 - Transferências para Industrialização e/ou Comercialização As entradas de mercadorias a serem utilizadas em processo de industrialização e/ou para comercialização, remetidas por outros estabelecimentos da mesma empresa (matriz, filial, etc.).
1.04 - Transferências para uso e/ou Consumo Próprio As entradas de mercadorias para uso e/ou consumo do estabelecimentos recebedor, remetidas por outros estabelecimentos da mesma emprêsa (matriz, filial, etc.).
1.05 - Retôrno de Industrialização em outros Estabelecimentos As entradas de mercadorias, industrializadas em estabelecimentos da mesma empresa (matriz, filial, etc.) ou de terceiros, cuja remessa do material tenha sido feita anteriormente ao industrializador para tal fim e classificada no código de saida 5.05. Inclui-se também no presente código o retôrno de mercadorias correspondentes às sobras da industrialização.
1.06 - Retôrno de Remessas para Vendas fora do Estabelecimento As reentradas de mercadorias, saídas anteriormente para vendas fora do estabelecimento, inclusive por meio de veículos e cuja re- messa tenha sido classificada no código de saída 5.06.
1.07 - Entradas para Industrialização para outros Estabelecimentos As entradas de mercadorias recebidas para serem industrializadas por conta e ordem de terceiros. Serão também classificadas neste código as entradas provenientes de outro estabelecimento da mesma emprêsa (matriz, filial, etc.), quando as mercadorias industrializadas devam retornar ao mesmo estabelecimento remetente.
1.08 - Devoluções As reentradas de mercadorias que anulem saídas feitas anteriormente pelo estabelecimento recebedor, a título de venda, de consignação e/ou de demonstração.
1.99 - Outras Entradas não Especificadas Serão classificadas neste código tôdas as demais entradas de mercadorias, não compreendidas nos códigos anteriores, qualquer que seja a natureza jurídica ou econômica da operação, tais como: entradas por doação, dação em pagamento, troca, consignação, demonstração, retôrno de mercadorias não entregues ao destinatário, etc.

2.00 - DE OUTROS ESTADOS
Compreenderá as operações em que o estabelecimento remetente esteja localizado em outra unidade da Federação.
2.01 - Compras para Industrialização e/ou Comercialização As entradas de mercadorias a serem utilizadas em processo de industrialização e/ou para comercialização, que tenham como causa jurídica uma operação de compra e venda em que o recebedor figure como comprador.
2.02 - Compras para uso e/ou Consumo Próprio As entradas de mercadorias para uso e/ou consumo do estabelecimento, que tenham como causa jurídica uma operação de compra e venda em que o recebedor figure como comprador.
2.03 - Transfêrencias para Industrialização e/ou Comercialização As entradas de mercadorias a serem utilizadas em processo de Industrialização e/ou para comercialização, remetidas por outros estabelecimentos da mesma emprêsa (matriz, filial, etc.).
2.04 - Transferencias para uso e/ou Consumo próprio As entradas de mercadorias para uso e/ou consumo do estabelecimento recebedor, remetidas por outros estabelecimentos da mesma emprêsa (matriz, filial, etc.).
2.05 - Retôrno de industrialização em outros estabelecimentos As entradas de mercadorias, industrializadas em estabelecimentos da mesma emprêsa (matriz, filial, etc.), ou de terceiros, cuja remessa do material tenha sido feita anteriormente ao industrializador para tal fim e classificada no código de saída 6.06. Incluise também no presente código o retôrno de mercadorias correspondentes às sobras da industrialização.
2.06 - Retôrno de Remessas para vendas fora do estabelecimento As reentradas de mercadorias, saídas anteriormente para vendas fora do estabelecimento, inclusive por meio de veículos e cuja remessa tenha sido classificada no código de saída 6.07.
2.07 - Entradas para industrialização para outros estabelecimentos As entradas de mercadorias recebidas para serem industrializadas por conta e ordem de terceiros. Serão também classificadas neste código, as entradas provenientes de outro estabelecimento da mesma emprêsa (matriz, filial, etc.), quando as mercadorias industrializadas devam retornar ao mesmo estabelecimento remetente.
2.08 - Devoluções As reentradas de mercadorias que anulem saidas feitas anteriormente pelo estabelecimento recebedor, a título de venda, de consignação e/ou de demonstração.
2.99 - Outras entradas não especificadas Serão classificadas neste código tôdas as demais entradas de mercadorias, não compreendidas nos códigos anteriores, qualquer que seja a natureza jurídica ou econômica da operação, tais como: entradas por doação, dação em pagamento, troca, consignação, demonstração, retôrno de mercadorias não entregues ao destinatário,
3.00 - Do Exterior Compreenderá as operações em que o remetente esteja localizado em pais estrangeiro, bem como as arrematações em leilão ou aquisições em concorrencia, promovidos pelo Poder Público, de mercadorias importadas e apreendidas.
3.01 - Compras para industrialização e/ou comercialização As entradas de mercadorias a serem utilizadas em processo de industrialização e/ou para comercialização, que tenham como causa juridica uma operação de compra e venda em que o recebedor figure como comprador.
3.02 - Compras para uso e/ou consumo próprio As entradas de mercadorias para uso e/ou consumo do estabelecimento, que tenham como causa jurídica uma operação de compra e venda em que o recebedor figure como comprador.
3.99 - Outras entradas não especificadas Serão classificadas neste código tôdas as demais entradas de mercadorias, não compreendidas nos códigos anteriores, qualquer que seja a natureza jurídica ou econômica da operação, tais como: consignação, demonstração, regime de «draw back», etc.

NOTAS EXPLICATIVAS

Das Saídas de Mercadorias
5.00 - PARA O ESTADO
Compreenderá as operações em que o estabelecimento remetente e o destinatário estejam localizados na mesma unidade da Federação.
5.01 - Vendas a contribuintes As saídas de mercadorias que tenham como causa jurídica uma operação de compra e venda em que o comprador seja contribuinte do impôsto de circulação de mercadorias.
5.02 - Vendas a não contribuintes As saídas de mercadorias que tenham como causa jurídica uma operação de compra e venda em que o comprador seja pessoa (física ou jurídica) não inscrita como contribuinte do impôsto de circulação de mercadorias.
5.03 - Transferências para industrialização e/ou comercialização As saídas de mercadorias para outros estabelecimentos da mesma emprêsa (matriz, filial, etc.), para serem utilizadas em processo de industrialização e/ou para comercialização.
5.04 - Transferência para uso e/ou consumo próprio As saídas de mercadorias para outros estabelecimentos da mesma emprêsa (matriz, filial, etc.), para uso e/ou consumo do destinátario.
5.05 - Remessas para industrialização por outros estabelecimentos As saídas de materiais para serem industrializados por outro estabelecimento da mesma emprêsa (matriz, filial, etc), ou de terceiros, cuja mercadoria industrializada deva retornar ao estabelecimento remetente.
5.06 - Remessas para vendas fora do estabelecimento As saídas de mercadorias destinadas a vendas fora do estabelecimento inclusive por meio de veículos.
5.07 - Retôrno de industrialização para outros estabelecimentos As saídas de mercadorias que tenham sido industrializadas por conta e ordem de outro estabelecimento da mesma empresa (matriz, filial etc.) ou de terceiros, cujas entradas dos materiais recebidos anteriormente foram classificados no código de entrada 1.07. Inclui-se também no presente código as saídas de mercadorias correspondentes às sobras da industrialização.
5.08 - Devoluções As saídas de mercadorias que anulem entradas anteriores no estabelecimento, a título de compra, de consignação e/ou de demonstração.
5.99 - Outras saídas não especificadas Serão classificadas neste código tôdas as demais saídas de mercadorias não compreendidas nos códigos anteriores, qualquer que seja a natureza jurídica ou econômica da operação, tais como: saídas por doação, dação em pagamento, troca, consignação, demonstração, etc.
6.00 - PARA OUTROS ESTADOS
Compreendera as operações em que o destinatario esteja localizado em outra unidade da Federação.
6.01 - Vendas a contribuintes para industrialização e/ou comercialização As saídas de mercadorias para serem utilizadas em processo de industrialização e/ou para comercialização pelo estabelecimento destinatário, contribuinte do impôsto de circulação de mercadorias, que tenham como causa jurídica uma operação de compra e venda.
6.02 - Vendas a contribuintes para uso e/ou consumo próprio As saídas de mercadorias para uso e/ou consumo do estabelecimento destinatário, contribuinte do impôsto de circulação de mercadorias que tenham como causa juridica uma operação de compra e venda.
6.03 - Vendas a não contribuintes As saídas de mercadorias que tenham como causa jurídica uma operação de compra e venda, em que o comprador seja pessoa (física ou jurídica) não inscrita como contribuinte do impôsto de circulação de mercadorias.
6.04 - Transferências para industrialização e/ou comercialização As saídas de mercadorias para outros estabelecimentos da mema emprêsa (matriz, filial, etc.), para serem utilizadas em processo de industrialização e/ou para comercialização.
6.05 - Transferências para uso e/ou consumo próprio As saídas de mercadorias para outros estabelecimentos da mesma empresa (matriz, filial, etc.), para uso e/ou consumo do destinatário.
6.06 - Remessas para industrialização por outros estabelecimentos As saídas de materiais para serem industrializados por outro estaestabelcimento da mesma empresa (matriz, filial, etc ) ou de terceiros, cuja mercadoria industrializada deva retornar ao estabelecimento . remetente.
6.07 - Remessas para vendas fora do estabelecimento As saídas de mercadorias destinadas a vendas fora do estabelecimento , inclusive por meio de veículos.
6.08 - Retôrno de industrialização para outros estabelecimentos As saídas de mercadorias que tenham sido industrializadas por conta e ordem de outro estabelecimento da mesma empresa (matriz, filial, etc.) ou de terceiros, cujas entradas dos materiais recebidos anteriormente foram classificadas no código de entrada 2.07. Inclui-se também no presente código as saídas de mercadorias correspondentes às sobras da industrialização.
6.09 - Devoluções As saídas de mercadorias que anulem entradas anteriores no estabelecimento, a título de compra, de consignação e/ou de demonstração.
6.99 - Outras saídas não especificadas Serão classificadas neste código tôdas as demais saídas de mercadorias , não compreendidas nos códigos anteriores, qualquer que seja a natureza jurídica ou econômica da operação, tais como: saídas por doação, dação em pagamento, troca, consignação, demonstração , etc.
7.00 - PARA O EXTERIOR Compreenderá as operações em que o destinatário esteja localizado em país estrangeiro. As operações equiparadas à exportação ( remessas para zonas francas, armazéns alfandegados, entrepostos aduaneiros, empresas exclusivamente exportadoras, etc) não serão incluidas neste código.
7.01 - Vendas As saídas de mercadorias que tenham como causa jurídica uma operação de compra e venda em que o remetente figure como vendedor.
7.99 - Outras saídas não especificadas Serão classificadas neste código tôdas as demais saídas de mercadorias, não compreendidas no código anterior, qualquer que seja a natureza jurídica ou econômica da operação, tais como: consignação , demonstração, regime de "draw back", etc.

NOTAS GENÉRICAS DO CÓDIGO FISCAL DE OPERAÇÕES
Primeira: - O vocábulo "Mercadorias", constante da Codificação de Entradas e Saidas de Mercadorias, compreende também os produtos acabados ou semi -acabados, matérias primas, produtos intermediários, material de embalagem e de uso e consumo, inclusive os bens a serem integrados no ativo fixo, salvo se expressamento excepcionados.
Segunda: - O vocábulo Industrialização" constante da Codificação de Entradas e Saídas de Mercadorias, compreende também as operações de beneficiamento, lavagem, secagem tingimento, galvanoplastia, acondicionamento, confecção, pintura, lustração e similares, bem como as de consêrto e restauração de máquinas e aparelhos e a de recondicionamento de motores, quando tais operações estejam, parcial ou totalmente, sujeitas ao impôsto de circulação de mercadorias, ainda que ao abrigo de suspensão ou diferimento.

     
     


     

     
   



   

(OBSERVAÇÃO: DAS FOLHAS DO LIVRO "REGISTRO DE UTILIZAÇÃO DE DOCUMENTOS FISCAIS E TERMOS DE OCORRÊNCIAS", 50% (CINCOENTA POR CENTO), NO MINIMO, SERÃO DESTINADAS A "TÊRMOS DE OCORRÊNCIAS", DEVENDO SER IMPRESSAS DE ACORDO COM O PRESENTE MODELO E INCLUIDAS NO FINAL DO LIVRO, DEVIDAMENTE NUMERADAS.)